指南生活
首页
美食营养
手工爱好
生活家居
返回
指南生活
首页
美食营养
游戏数码
手工爱好
生活家居
健康养生
运动户外
职场理财
情感交际
母婴教育
时尚美容
知识问答
生活知识
生活百科
搜索
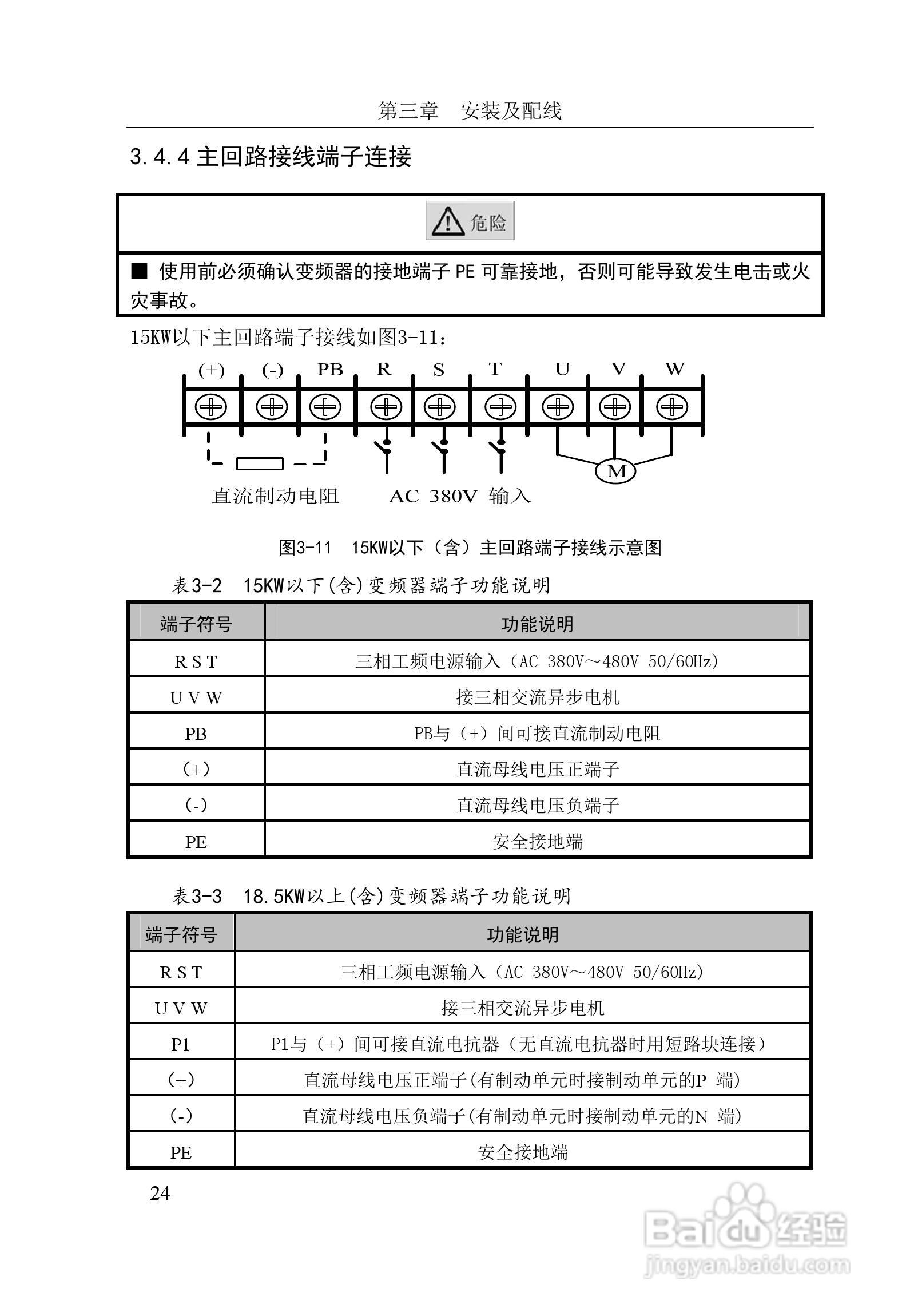
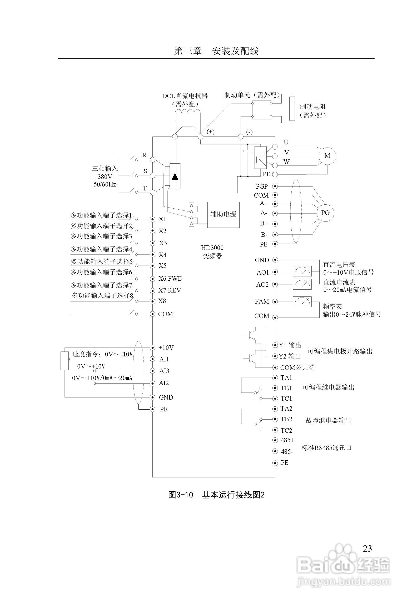
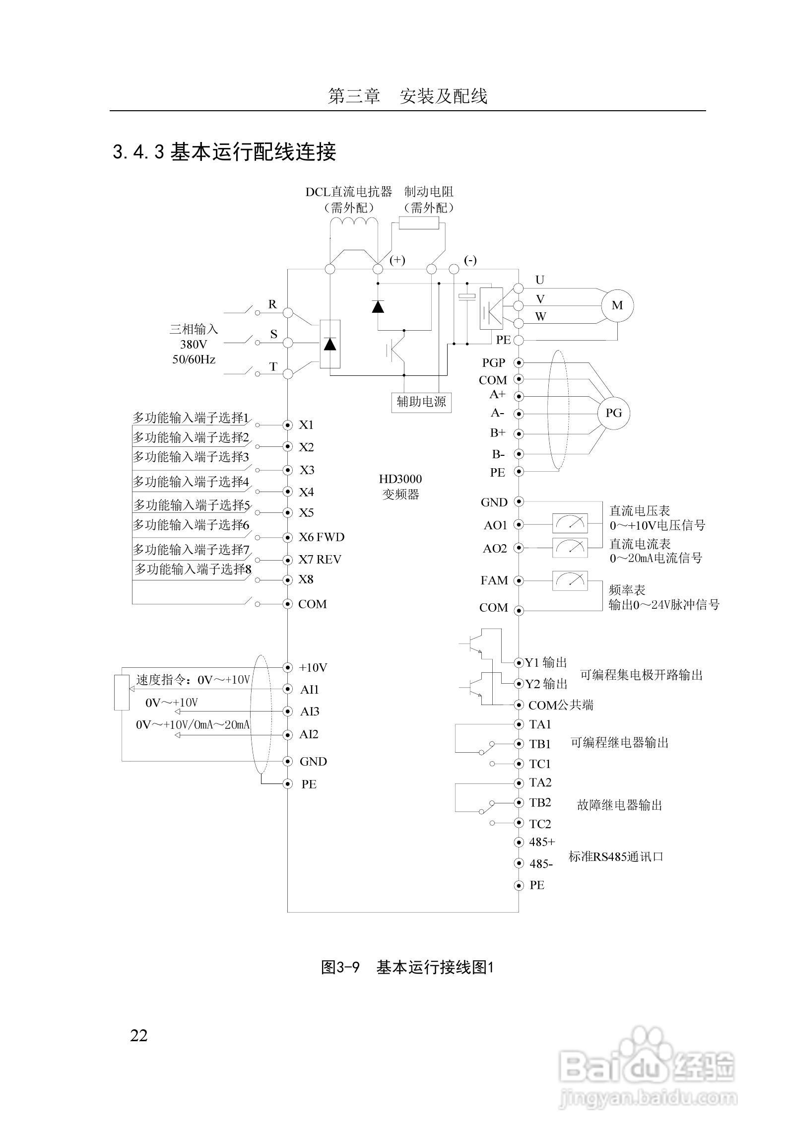
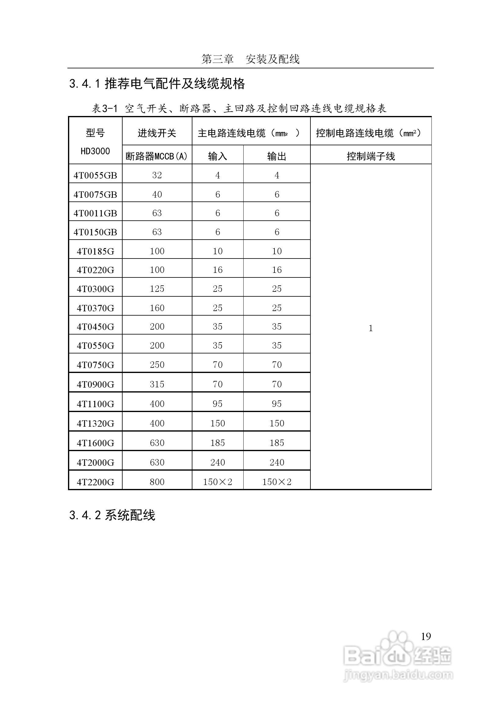
华翔HD3000-4T7000G变频器说明书:[3]
2026-04-07 12:27:17
本篇为《华翔HD3000-4T7000G变频器说明书》,主要介绍该产品的使用方法以及常见故障解决方案。
(共篇)
上一篇:
|
下一篇:
声明:
本网站引用、摘录或转载内容仅供网站访问者交流或参考,不代表本站立场,如存在版权或非法内容,请联系站长删除,联系邮箱:site.kefu@qq.com。
相关推荐
东方财富怎么看手续费
阅读量:88
酷我音乐APP开启豪华VIP极速下载功能
阅读量:138
什么断桥铝门窗好?哪种更有保障?
阅读量:23
大众速腾发动机烧机油怎么办
阅读量:173
新奥迪a4大灯如何调整
阅读量:154
猜你喜欢
香槟色是什么颜色
打气是什么意思
沧海一粟什么意思
互质数是什么
大校是什么级别
婚姻是什么
皮包公司是什么意思
关节痛是什么原因
人为什么要结婚
什么的枫叶
猜你喜欢
flac是什么格式
永加日念什么
etc是什么
喜欢一个人什么感觉
121是什么电话
运行内存是什么意思
ect是什么意思
青春是什么
貔貅是什么动物
低烧是什么症状和感觉