指南生活
首页
美食营养
手工爱好
生活家居
返回
指南生活
首页
美食营养
游戏数码
手工爱好
生活家居
健康养生
运动户外
职场理财
情感交际
母婴教育
时尚美容
知识问答
生活知识
生活百科
搜索
Wellon(威龙)VP-ISP2编程器使用说明书:[5]
2026-05-13 13:46:04
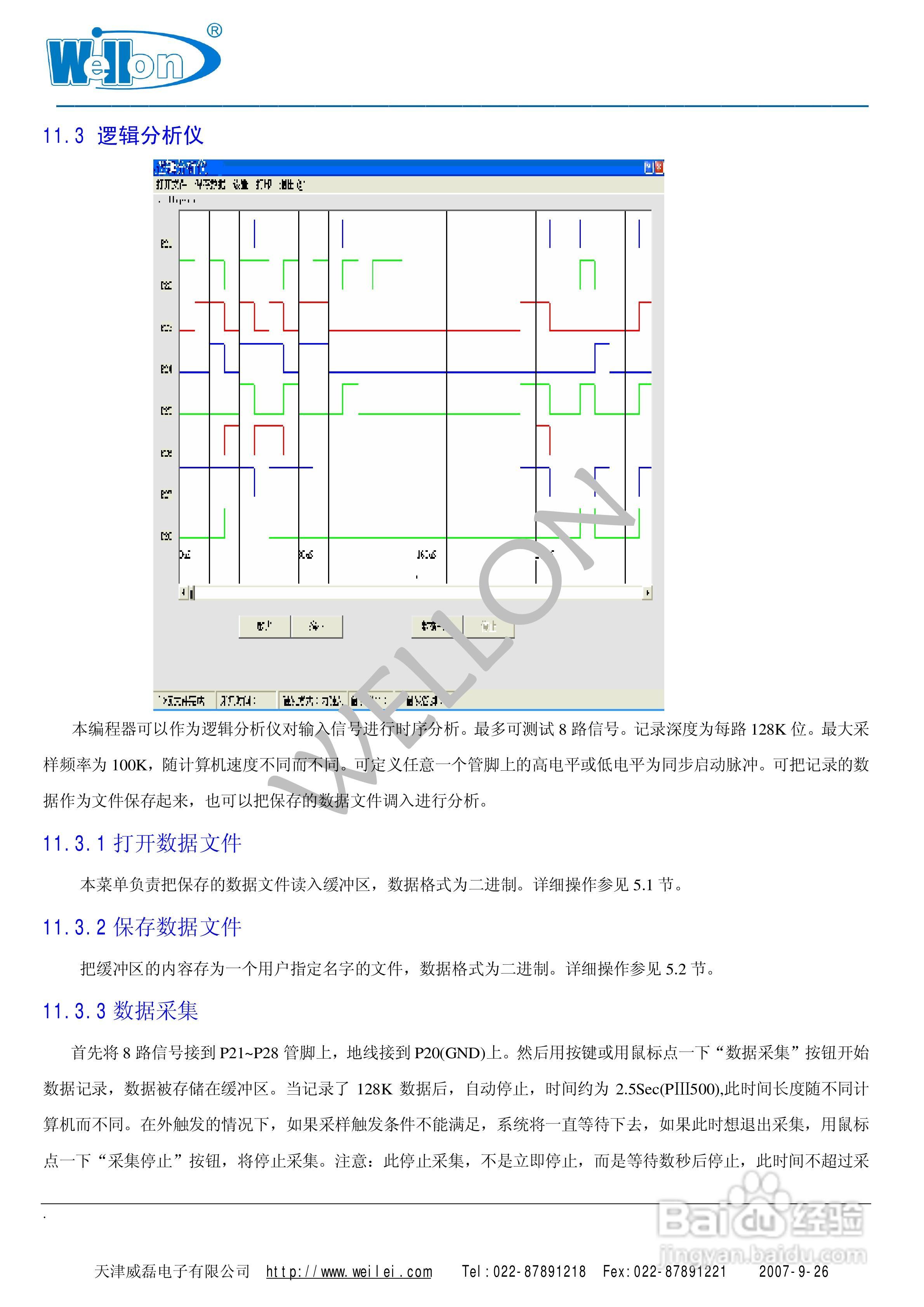
本篇为《Wellon(威龙)VP-ISP2编程器使用说明书》,主要介绍该产品的使用方法以及常见故障解决方案。
(共篇)
上一篇:
声明:
本网站引用、摘录或转载内容仅供网站访问者交流或参考,不代表本站立场,如存在版权或非法内容,请联系站长删除,联系邮箱:site.kefu@qq.com。
相关推荐
Wellon(威龙)VP-190编程器使用说明书:[2]
阅读量:177
Wellon(威龙)VP-980编程器使用说明书:[5]
阅读量:99
Wellon(威龙)VP-ISP1编程器使用说明书:[4]
阅读量:40
Wellon(威龙)VP-980编程器使用说明书:[2]
阅读量:35
Wellon(威龙)VP-280编程器使用说明书:[2]
阅读量:126
猜你喜欢
定向运动起源于
养血清脑颗粒的功效与作用
木耳菜的功效与作用
脖子短适合什么发型
北沙参的功效与作用
阿胶糕的功效与作用
长春有什么好玩的地方
什么是脚气病
大学运动会入场词
有什么办法可以减肥
猜你喜欢
姜茶的功效与作用
大气运动
桑寄生的作用与功效
魔芋的功效与作用禁忌
送男生什么生日礼物
浙江有什么好玩的
花洒什么牌子好
知识产权保护
炒山药的功效与作用
什么是3c产品