指南生活
首页
美食营养
手工爱好
生活家居
返回
指南生活
首页
美食营养
游戏数码
手工爱好
生活家居
健康养生
运动户外
职场理财
情感交际
母婴教育
时尚美容
知识问答
生活知识
搜索
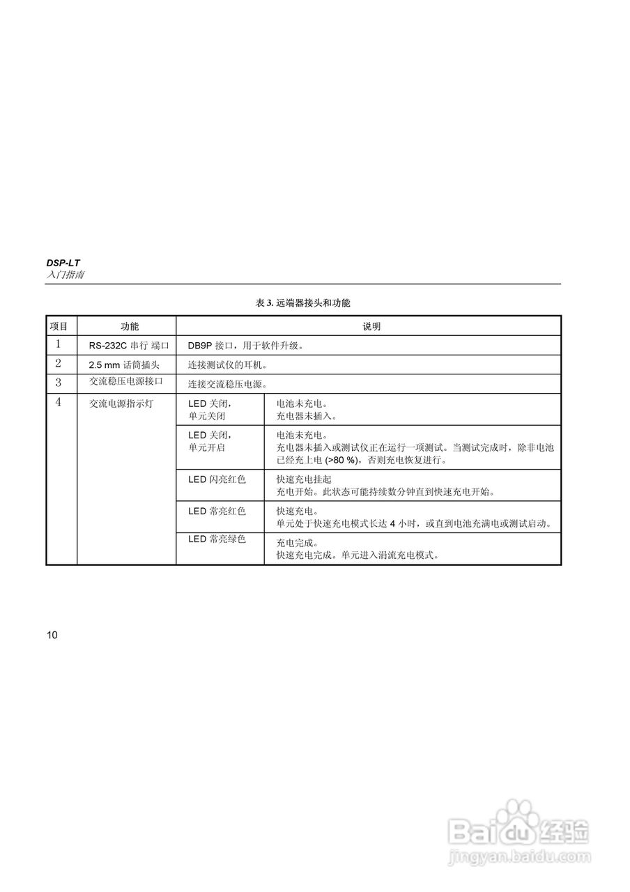
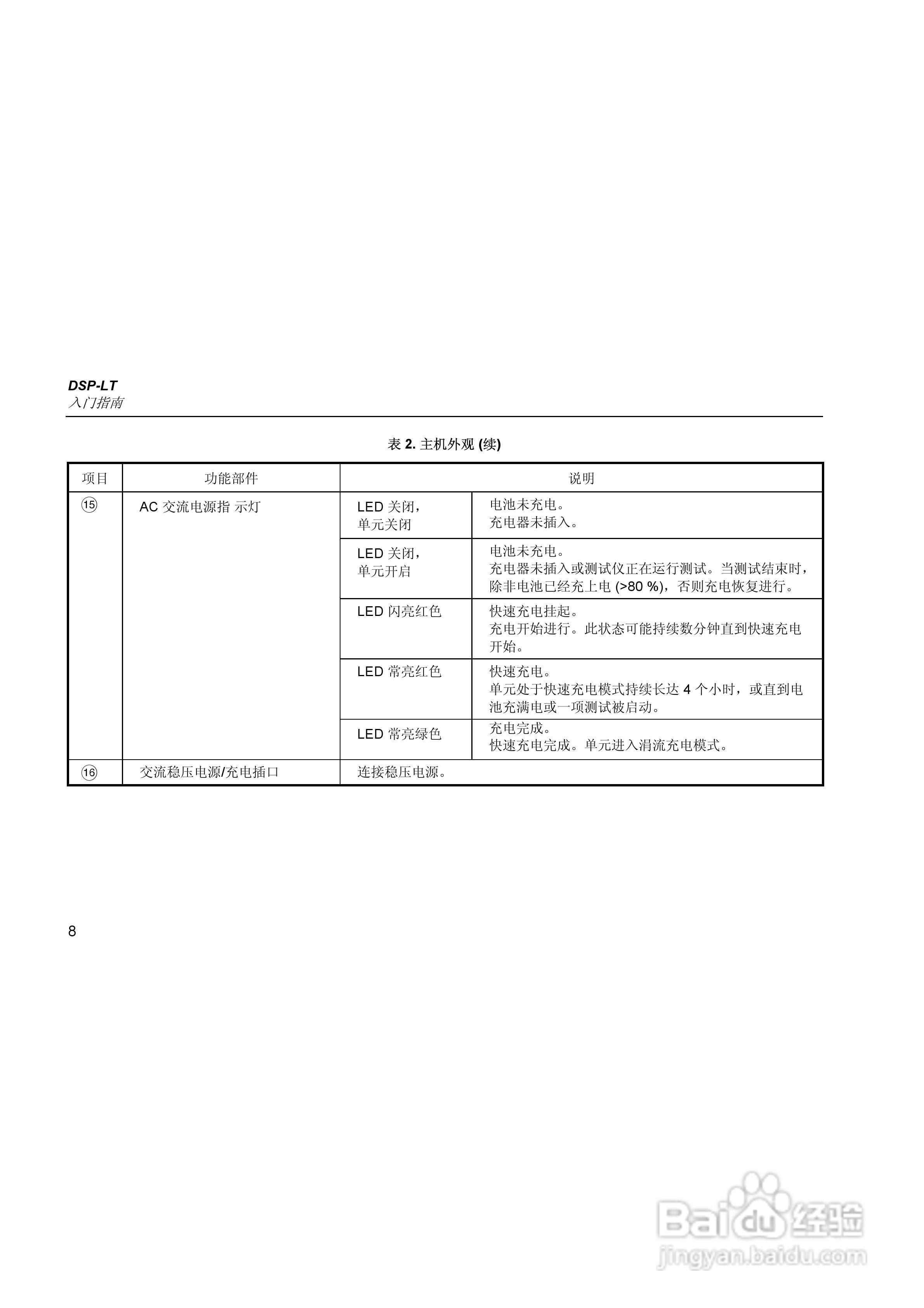
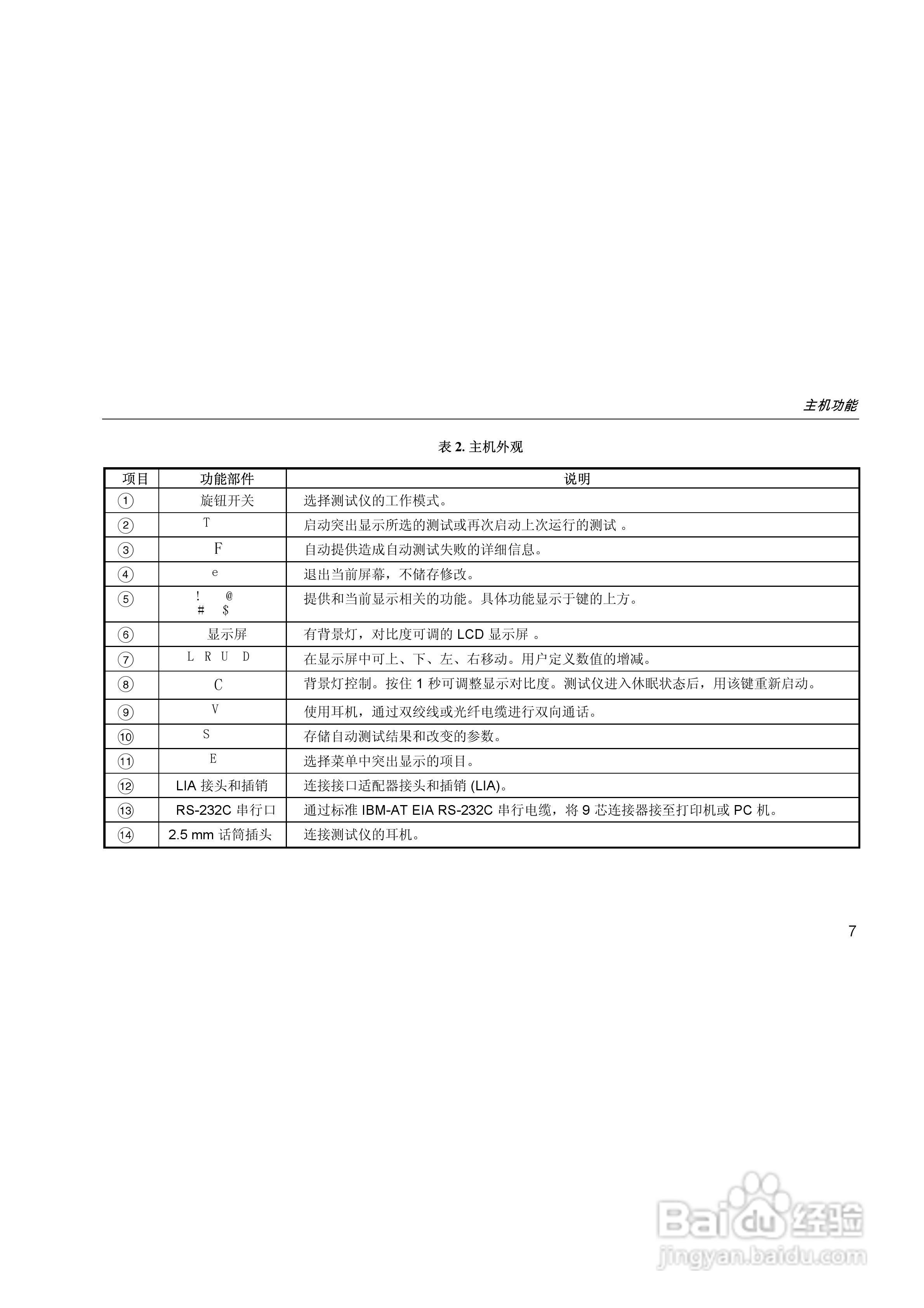
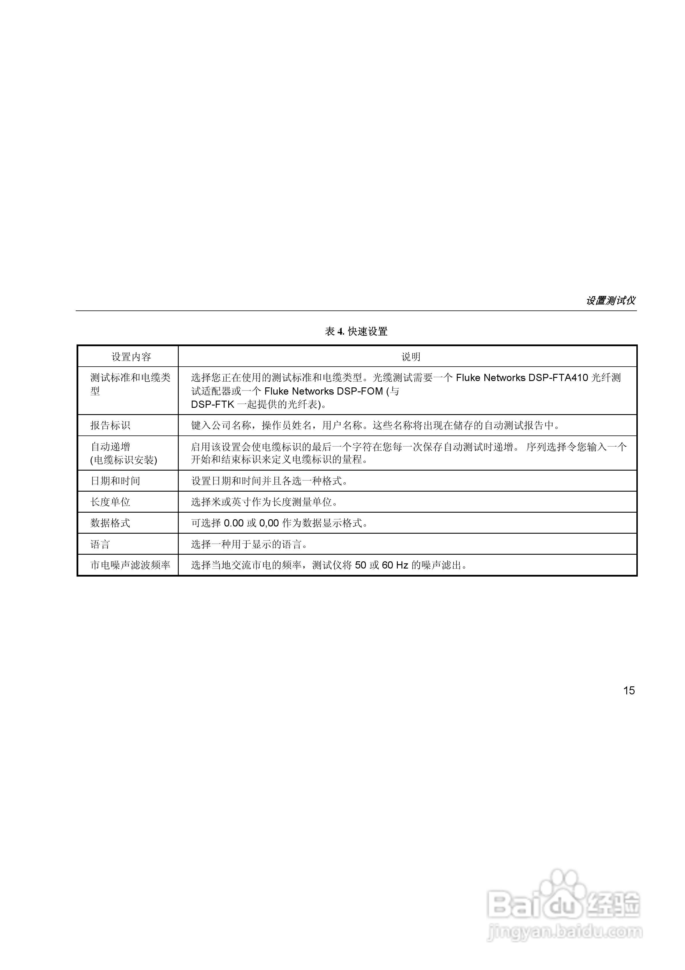
FLUKE DSP-LT测试仪使用手册:[2]
2026-03-02 16:14:03
本篇为《FLUKE DSP-LT测试仪使用手册》,主要介绍该产品的使用方法以及常见故障解决方案。
(共篇)
上一篇:
|
下一篇:
声明:
本网站引用、摘录或转载内容仅供网站访问者交流或参考,不代表本站立场,如存在版权或非法内容,请联系站长删除,联系邮箱:site.kefu@qq.com。
相关推荐
DSP的SPI通讯怎么调
阅读量:105
DSP编程的一些经验
阅读量:146
如何进行DSP高效投放
阅读量:77
TI DSP代码优化指南
阅读量:146
DSP数字滤波FIR设计教程:[4]FIR的DSP实现
阅读量:97
猜你喜欢
梦想是什么意思
across是什么意思
海南免税店买什么划算
被和谐了是什么意思
什么是电子邮件地址
什么是风寒感冒
秀儿是你吗什么梗
水深称什么
ill是什么意思
仙草是什么
猜你喜欢
hub是什么
黑死病是什么病
针织棉是什么面料
焦虑症有什么症状
提示语是什么
双12是什么节日
busy什么意思
寸头适合什么脸型
什么是经济学
fashion什么意思