指南生活
首页
美食营养
手工爱好
生活家居
返回
指南生活
首页
美食营养
游戏数码
手工爱好
生活家居
健康养生
运动户外
职场理财
情感交际
母婴教育
时尚美容
知识问答
生活知识
搜索
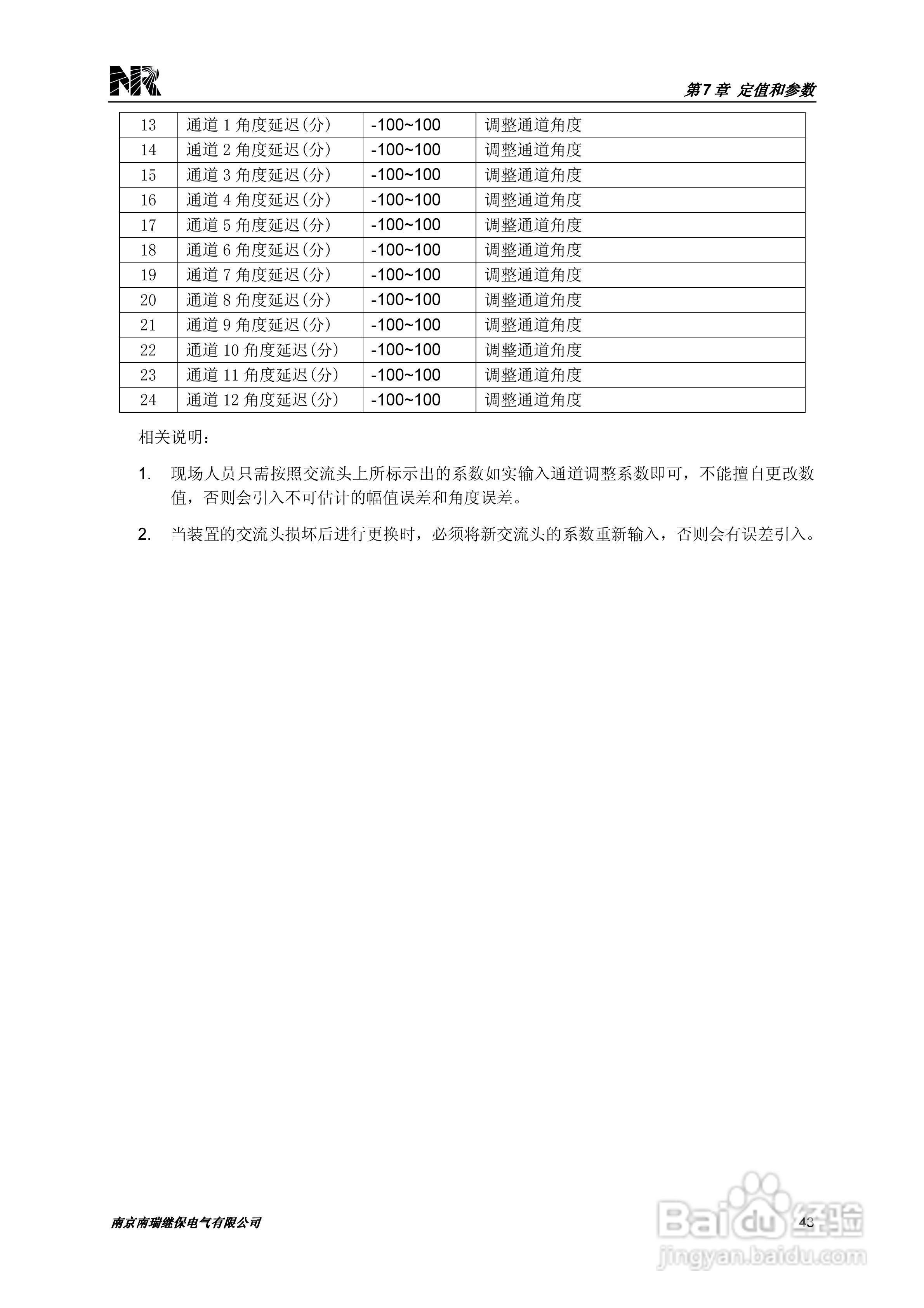
PCS-221N常规母线电压合并单元技术和使用说明书:[6]
2025-12-21 17:45:20
本篇为《PCS-221N常规母线电压合并单元技术和使用说明书》,主要介绍该产品的使用方法以及常见故障解决方案。
(共篇)
上一篇:
声明:
本网站引用、摘录或转载内容仅供网站访问者交流或参考,不代表本站立场,如存在版权或非法内容,请联系站长删除,联系邮箱:site.kefu@qq.com。
相关推荐
RCS-915AB型微机母线保护装置技术和使用说明书:[6]
阅读量:178
母线搭接方式
阅读量:173
PCS-915分布式母线保护装置说明书:[3]
阅读量:34
合并单元格求和的方法
阅读量:185
合并单元和 计数 求和
阅读量:80
猜你喜欢
promise是什么意思
爬格子是什么意思
reading是什么意思
一垒二垒三垒是什么意思
福州有什么好玩的地方
一如既往是什么意思
什么是面向对象
三个羊念什么
au是什么
女性排卵期是什么时候
猜你喜欢
女生适合学什么专业
女娲和伏羲是什么关系
有什么好书推荐
reason是什么意思
学技术学什么好
鲲是什么动物
嬴政和芈月是什么关系
重读闭音节是什么
水疗是什么
应运而生是什么意思