调音台的使用教程
1、第一部分:信号的放大,参数均衡和插入效果
我们知道话筒所产生的音频信号是非常微弱的。而另外一些设备的输出信号,比如合成器,音频接口的输出等等,他们的信号比话筒的信号强很多倍,而且他们的信号大小也是各不相同,参差不齐。我们需要一种设备将这些大大小小的声音信号调整成相同的大小,才能进行混音。这种设备就是前置放大器,俗称话放。请看。

2、UB1622FX的前置放大器部分
看图,那个大圆插座叫做cannon“卡农”插座,用来连接话筒或者同样使用卡农插座的一些专业设备。卡农插座下面的插孔是TRS插孔,一般用来连接线路电平的信号。主意,这两个插座是不能同时使用的!而且因为线路设计的原因,在这个调音台上,不能将线路电平的设备插到“卡农”插座上!
前置放大器有控制旋钮,在UB1622上称作“TRIM”,有些调音台上称为“GAIN”或者“sensitivity”,中文名字是微调,增益,或者灵敏度。一般俗称“口子”。“口子”旋钮用来控制信号放大量。至于到地放大多少则要看通道上的“PEAK”峰值指示灯。如果“PEAK”指示灯偶尔闪动一下,则是正常,如果快速的闪烁则表示你的输入信号已经失真了!需要把口子开小一点儿!
[LOW CUT]低音切除开关可以过滤那些不需要的低频声音。
和前置放大器相关的另外一个开关是“幻象电源”开关。如果连接电容话筒必须要打开“幻象电源”!否则无论您开多大的“口子”也不会有声音。

3、 幻象电源开关
幻象电源开关,在UB1622FX调音台的背面,能够给所有的卡农插座施加幻象电源。
说完了前置放大部分,我们再看看参量均衡器。
一般调音台通道上一般都会有参量均衡器,在这个Behringer UB1622FX调音台,有一个三段半参数均衡器。如图。

4、三段半参数均衡器
所谓参数均衡器是指可以控制中心频率,Q值(带宽),增减频率幅度大小的均衡器。三段半参数均衡器的三段是指这个均衡器可以调整三个频段,分别是高音中音和低音。其中中音的部分可以调整中心频率和它的频率增减幅度。因为没有Q值的调整,因此是半参数均衡。
均衡的学问太深了!检验一个音响录音师水平高低的重要标准不是IQ,而是EQ。均衡的学问我们以后再深入研究吧。
只有非常高级的调音台上才会有动态处理的功能,但是这并不妨碍UB1622FX也可以扩展这个能力。如何扩展呢?调音台使用一种被称为插入点(Insert)的特殊插孔来完成这个工作。

5、 UB1622FX的Insert插孔在调音台的背面板
Insert插入点插孔有一种很特殊的结构。默认的情况,它在调音台内部是连通的。当我们插入一个大三芯插头的时候。内部的连接就被切断,声音将从大三芯插头的头部(Tip)发送给一个效果器的输入端,经效果器处理后的信号再从大三芯插头的“Ring”返回到调音台中。例如压缩器可以用这种方法连接到调音台中!

6、请看示意图
对于Insert插孔,我们还有一种用法,那就是把它当作Direct OUT插座使用!
Direct OUT输出一般取自前置放大电路之后。可以直接发送给多轨录音机或者音频接口录音。高级的调音台上回同时有Insert和Direct OUT插孔。UB1622调音台没有Direct OUT输出,但是我们可以用Insert插孔来做Direct OUT输出用。上面说过输入通道的声音可以从大三芯插头的TIP发送给外部设备的输入,但是如果这个设备是连接到音频接口的输入端,那么并没有声音返回到调音台。这样调音台内部声音通路就将断掉!这个通道就没声音了!怎么办?很简单!只要将TIP和RING两个部分连接起来就可以让调音台的通道继续保持连通状态了!这样我们就可以将Insert插孔当作Direct OUT使用了!

7、 图
Insert插孔改造成Direct OUT输出使用。要将大三芯插头的“tip”和“ring”直接连起来!

1、用调音台控制声音方向的示意图
下图就是我们用调音台控制声音方向的示意图!调整声像旋钮,控制声音“方向”
声音的方向定下来了,我们还要控制各个通道输入声音的大小。我们知道用音量旋钮就可以控制声音大小。在调音台上,工程师把音量旋钮通常设计成长条状的推杆。它的学名是“衰减器”,俗名是“推子”。
使用推杆控制音量的好处是我们可以更直观的“看到”音量的大小。刚才说过,调音台前置放大器已经将各个通道的信号调整到同样的电平。如果每个通道都被设置成同样标准的电平值。那么,每个推子的位置也就可以反映出该通道音量的大致情况了。我们甚至可以根据推子旁边的刻度数字了解这个通道的电平情况,真的是一目了然!
调音台有了声像旋钮和推子,就可以控制声音方向和大小了,但是这只是一个单声道的情况。多个通道的声音又是怎样混合的呢?这里一定要介绍调音台一个非常重要的概念,就是“母线”,它的英文是BUS,公共汽车?当然不是!在这里是指声音信号的公共通道。调音台能够混合各个通道的声音成为一个“立体声”,就是因为它有一条主立体声母线。立体声母线由两个单通道母线——左声道L和右声道R组成。

2、图
在这张图中显示了声音经过推子衰减进入到声像控制旋钮,声响控制旋钮将左信号和右信号分别发送到立体声母线的L和R。这样我们就可以将多个输入通道的声音混合成为“立体声”了!这是一个最基本的调音台的工作示意图。哪怕最简单的调音台,也可以完成这项任务!应该说这是调音台最最基础的概念和应用了!
具体到UB1622FX,我们看他的一个输入通道的情况!

3、 图
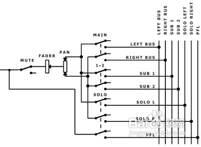
[PAN]声像旋钮和推子,应该没问题了吧!着重看看图中的几个开关:[MUTE]静音开关,[SOLO]独奏(或者PFL开关),[MAIN]主立体声母线开关,[SUB]副编组母线开关。
首先是[MUTE]静音开关
[MUTE]静音开关
[MUTE]开关的权力很大!因为一旦关闭它,将会关闭这个通道。它再也不能发出任何声音!这个不再多说!
我们看看[MAIN]主立体声母线开关。
[MAIN]开关控制通道的声音发送给立体声母线,如果不打开这个开关,把推子推到头也不会有声音的。这个[MAIN]开关很有用,因为有的时候我们并不想要通道的声音直接进入到立体声母线,这个时候我们就可以关闭[MAIN]开关。
[SUB]副编组母线开关可以将通道的声音发送到编组母线!编组,顾名思义,我们可以把多个输入通道编为一个小组。编组的信号取自输入通道推子后的信号,也就是说它和输入通道给立体声母线的信号电平是一样的。
我们可以用编组来实现用一个推子同时对多个音源的音量控制。比如有一个鼓组,使用了8只话筒。我们分别打开这8个通道发送给编组母线的开关。此时这8个通道的声音全部进入到编组母线中。下一步我们让这些编组母线的声音在返回到主立体声母线即可。如图中的[LEFT]和[RIGHT]开关。可以指定编组的声音发送到主立体声母线左声道或者右声道。现在我们就可以使用一对编组来同时控制8个通道的声音了!注意:一定要关闭这8个通道发送给主立体声母线的声音——关闭[MAIN]开关。否则我们只是把这个鼓组的声音叠加到立体声母线而已!

4、编组母线推子和发送给主立体声母线的开关
编组母线一个重要的应用就是可以非常方便地把相应通道的信号发送给多轨录音机。在上图中,我们只要按下[SUB]开关就可以把第4通道的声音发送给连接在编组母线的录音机或者音频接口的输入端去录音了!
顺便提一句,如果您想要买一个调音台用于录音制作,一定要选择有编组母线的产品!否则就只能用辅助,就比较麻烦了。有些人的调音台上既没有Dircet OUT直接输出又没有编组输出,两个可怜的辅助输出还要负责演员返送和发送效果。这种调音台是无法作分轨录音的。因为如果选择调音台上的2TK OUT连接到音频接口,这个输出的信号只是来自主立体声母线的信号,它是混合了所有通道的声音,其中包括效果声,因此根本无法进行分轨录音操作!
需要注意的是千万不要打开来自音频卡返回到调音台的通道的[SUB]副编组开关。否则可能会引起啸叫,最起码会将输入的声音和来自音频卡的伴奏一起录音!这可就不是分轨录音了!
[SOLO]开关和监听母线。
吉他手们都喜欢吉他SOLO,只有这时他才觉得自己被人注意!在录音和现场扩声的时候,录音师也希望能关注某一个通道的声音。这时候我们就需要监听母线!
监听母线是专门用于监听的母线!它有一套选听系统,可以直接选择监听输入通道、主立体声母线、编组母线和辅助母线所有输入输出通道。而且他并不干扰任何通道。它默认连接在主立体声母线。当我们按下相应通道的[SOLO]开关时,声音会自动切换到这个通道上去!监听母线包括衰减前监听PFL和衰减后监听AFL(在UB1622FX称为独奏SOLO)。监听母线有自己独立的输出接口(Ctrl Room OUT)控制室监听输出。这是我们应该连接监听音箱的地方。事实上耳机输出也是来自监听母线!
监听母线让调音师能够非常自由的工作。Behringer UB系列调音台的监听十分完善。这是它的优点!
我们来看看这部分的系统框图。希望有助于大家理解上面的内容

5、第三部分:辅助发送和发送返回效果
现在我们来了解调音台如何给演员加返送并且给声音加上效果。这部分内容初学调音台的人总是觉得很复杂!其实却并不难!先说返送问题。
很难想象有人能在听不清伴奏和自己的乐器的情况下演奏!很多朋友都有这样的经历,在舞台上演出,台口有很巨大的音箱,但是台上的人却听不清自己的演奏或演唱。返送就是来解决这样的问题!
直接把主立体声母线的信号复制一下给演员监听行不行呢?直接使用主立体声母线的信号给演员返送监听只适合于在小型个人录音室,在这里一般只有一个演员并且不担心反馈啸叫问题,而且这样监听的灵活性很差。如果演员很多,这种做法显然不行,因为演员的要求和观众是不同的!每个演员都希望自己的演唱或者演奏音量大于伴奏音量,但是从主立体声母线返回的声音肯定不是这样,也许有的演员觉得OK但是有的演员却听不见。在这种情况下你想让所有的演员都满意是不可能的。我们需要辅助声音母线分别给每个演员混合伴奏音乐!

6、辅助声音母线是和主立体声母线相互独立!它的英文缩写是[AUX]。每个输入通道都有将声音发送到辅助母线的旋钮!请看上图。这是发送给辅助母线的音量控制。
辅助通道有两种,一种是信号取自通道推子之前,我们称之为“衰减前辅助”,一种是信号取自通道推子之后,我们称之为“衰减后辅助”。在UB1622FX调音台上有两条辅助母线。其中辅助1可以切换为衰减前或者衰减后两种状态。注意看辅助1旁边的[PRE]开关,我们要把它按下去才能得到一个衰减前辅助。衰减前辅助通常用于给演员作返送。因为我们不用担心调整推子的时候演员返送的声音也会变大或者变小。
一些高级的调音台有很多辅助母线,因此他可以给每一个乐手演员单独混合一个混音。一般来说辅助都是单通道的!我们当然可以用两个辅助做一个立体声返送,但是前提是我们有两个衰减前辅助可用!
辅助的另外一个用途是给各个通道的声音都加上效果!我们先来了解一个概念:“发送返回”效果。
简单来说,发送返回效果就是发送声音到效果器的输入端,效果器输出的效果音再与原始信号混合,这样我们就得到了加效果的声音了!

7、有些吉他音箱后面就有发送“SEND”和返回“RETURN”插孔。这是用来联接“合唱”、“延迟”和“混响”效果。这三种效果一般都不会连接到吉他音箱的失真通道,否则声音会很难听。通过发送返回方式添加效果,声音会更好!
有点跑题,我们还是回到调音台上。如果我们想要给一个通道加混响效果怎么办?很好办!还记得前面提到的插入点效果么?我们完全可以用插入点给一个通道添加混响或者延迟等效果。但是如果想同时给多个通道添加效果也这样,就需要每个通道都要插入一台混响效果器?这显然很困难。而且即使真的有这么多的混响器,也很难制造整体的空间感!
没有那么麻烦。我们还是利用辅助母线来完成这个工作,比如我们想给通道1的声音加效果。首先要让通道1的声音进入到主立体声母线。现在我们听到的是没有任何效果的原始声音。然后我们用辅助发送旋钮将通道1的声音信号发送给辅助母线,辅助母线输出的信号输入给效果器,由效果器产生效果信号再返回到调音台进入主立体声母线与原始信号叠加。这样我们就能听到添加效果的声音了!这是一个通道的情况!那么多个通道都需要加效果怎么办?别忘了辅助母线是任何需要添加效果的通道都可以使用的,我们依次打开各个通道的辅助旋钮,就可以给所有的通道添加同一种效果!而且只要控制发送到辅助母线的音量就可以给每个通道添加不同的效果量!同样的道理,返回到调音台的效果声也可以发送给演员返送所使用的辅助母线。这样演员们也可以听到带效果的声音了!
通常使用推子后辅助将声音发送给效果器,这样做得好处是,当通道推子改变的时候,发送给效果器的音量也会随之改变,这样原始信号与效果信号的比例总保持一致!
在UB1622FX调音台上有专门用于辅助发送返回的通道,英文是AUX RETURN。其实这个AUX RETURN输入是一个非常简化的输入通道。它没有增益控制,也没有均衡,只有辅助发送功能。我们一般不用她,而是直接将效果返回连接到调音台的普通输入通道上。可以获得最强的控制能力。但!需要特别注意的是,效果器返回通道的声音千万不能再次发送给效果发送所使用的辅助母线,否则会引起反馈啸叫,造成设备损坏!!!
我们用下面的图来说明发送返回效果器在调音台上的应用。

8、送返回效果器在调音台上的应用
使用辅助母线做返送和做发送返回效果的原理图。用图来说明比较形象。
第四部分:主控部分,主立体声输出推子,监听状态选择以及辅助发送返回
我们先看一下UB1622FX调音台的主控部分!请看下图

9、主控部分
所谓主控部分实际上是对前面介绍的主立体声母线、编组母线、辅助母线、监听母线进行总体控制。
SUB编组母线的音量控制。这个部分前面已经讲过,不再重复MAIN MIX,这就是控制主立体声母线的总音量的衰减器,俗称“主推子”。所有通道的声音最终汇集到此,并从调音台MAIN OUT输出。MAIN OUT应该连接到最终的混音结果,比如磁带机,或者是最终给观众的现场扩声音箱。
CTRL ROOM&PHONE旋钮用来控制监听母线音量输出。注意看这个旋钮的左边有三个开关,分别是[TAPE],[SUB],[MAIN]。当按下[TAPE]开关,则监听母线选择来自磁带返回端口的声音,这用于检查磁带返回声音。有些高级的卡座支持“带后监听”,用这种方式我们可以检查监听已经录制在磁带上的声音!如果按下[SUB]开关,则监听副编组的声音。如果按下[MAIN],则控制室监听来自MAIN MIX主立体声母线的声音!一般来说我们默认打开这个[MAIN]。
CTRL ROOM&PHONE旋钮下方有个[MODE]模式开关,分别有两种状态——PFL和SOLO。这个PFL的意思是PRE FADER LISTEN,推子前监听。它用于监听输入信号的原始状态。而SOLO其实是监听来自通道推子后的信号。有些调音台上SOLO也被称为AFL,AFTER FADER LISTEN。SOLO的好处是可以监听到立体声的信号。
AUX SENDS辅助发送输出控制旋钮。不用说当然是控制辅助母线的总输出了。至于STERO AUX RETURN立体声辅助返回输入控制。不想再细说了,因为前面已经把发送返回效果的原理讲过了!我们通过所学到的调音台的知识,能不能理解他的奥妙呢?希望后进的同学们能够研究一下。