cad绘制直线时如何定位
1、输入l,回车或者空格。

2、点第一个点。

3、点第二个点,回车或者空格。

4、一条直线就画好了。

1、输入l,回车或者空格。点第一个点。


2、通过鼠标移动选择直线的方向。

3、输入距离,回车或者空格。

4、一条直线就画好了。

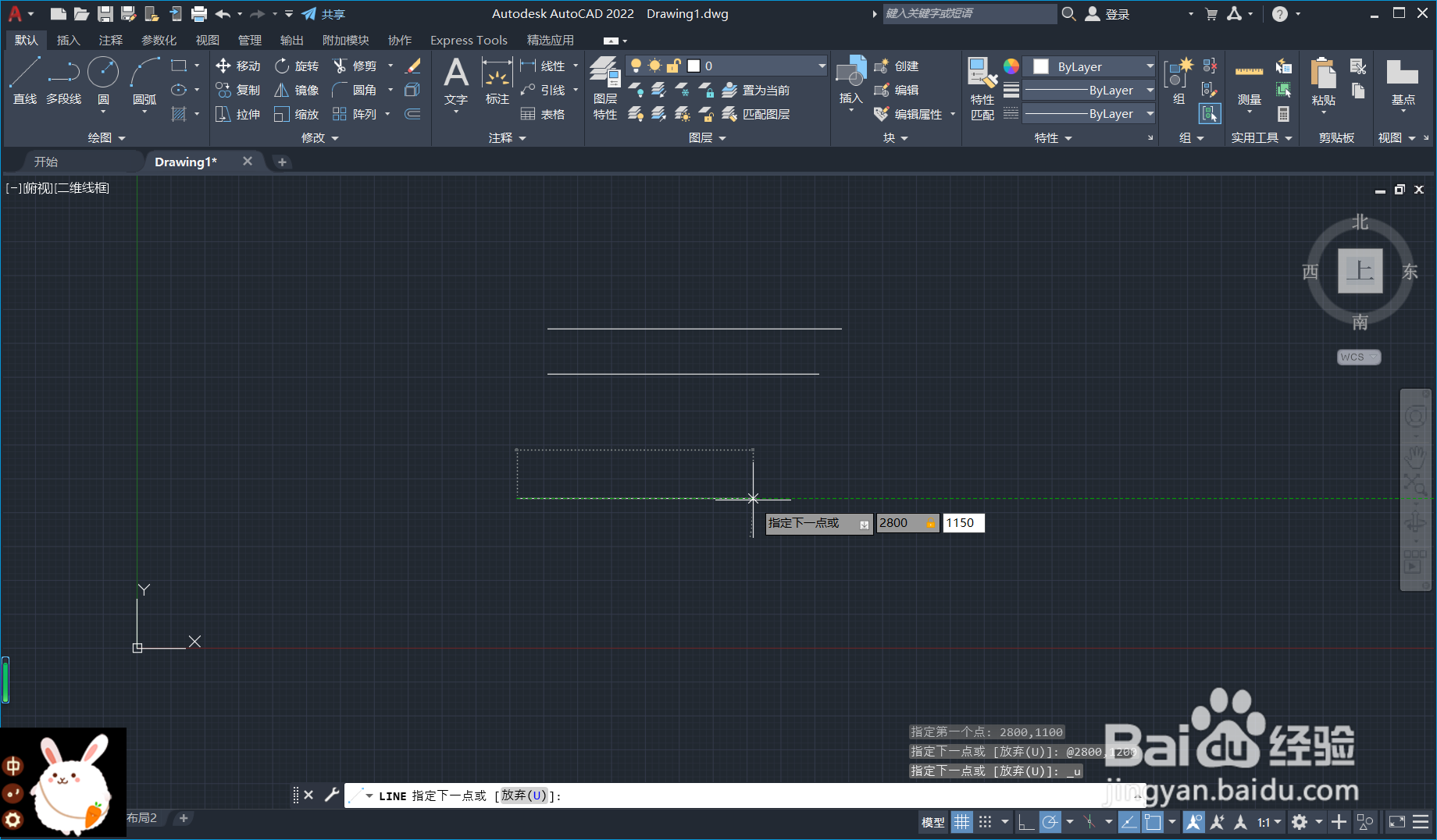
1、输入l,回车或者空格。输入第一个点的坐标,输入x轴参数,输入逗号,输入y轴参数。



2、输入第二个点的坐标,这是相对第一个点的坐标,输入x轴参数,输入逗号,输入y轴参数。


3、一条直线就画好了。

声明:本网站引用、摘录或转载内容仅供网站访问者交流或参考,不代表本站立场,如存在版权或非法内容,请联系站长删除,联系邮箱:site.kefu@qq.com。