指南生活
首页
美食营养
手工爱好
生活家居
返回
指南生活
首页
美食营养
游戏数码
手工爱好
生活家居
健康养生
运动户外
职场理财
情感交际
母婴教育
时尚美容
知识问答
生活知识
生活百科
搜索
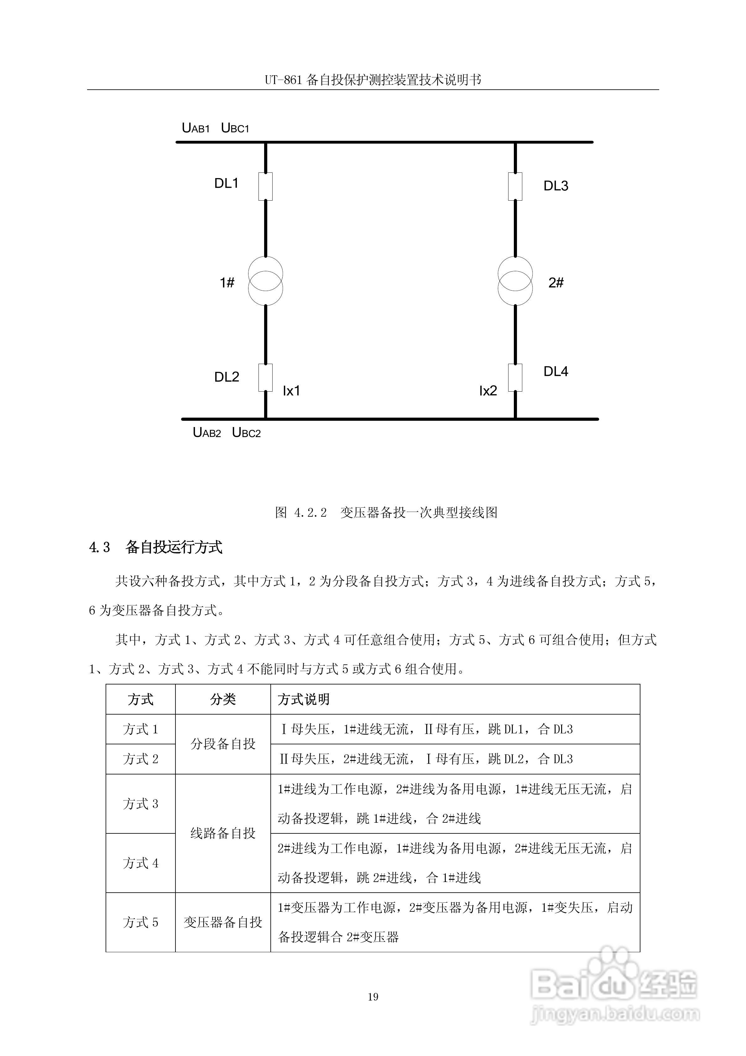
优特UT-861备自保护测控装置说明书:[2]
2026-05-07 10:48:49
本篇为《优特UT-861备自保护测控装置说明书》,主要介绍该产品的使用方法以及常见故障解决方案。
(共篇)
下一篇:
声明:
本网站引用、摘录或转载内容仅供网站访问者交流或参考,不代表本站立场,如存在版权或非法内容,请联系站长删除,联系邮箱:site.kefu@qq.com。
相关推荐
优特UT-811线路保护测控装置技术说明书:[2]
阅读量:195
优特UT-811线路保护测控装置技术说明书:[4]
阅读量:190
优特电力UT-9935变压器保护测控装置使用说明书:[1]
阅读量:113
优特电力UT-9935变压器保护测控装置使用说明书:[2]
阅读量:48
优特UT-871B电动机保护测控装置说明书:[1]
阅读量:96
猜你喜欢
合肥有什么好玩的
牌牌琦什么时候回归
三点一线是什么意思
衣衫褴褛是什么意思
p20是什么材料
什么是申论
什么是房改房
土元养殖技术
维生素b12的作用及功能
我能干什么
猜你喜欢
尿性是什么意思
丹宁是什么
forty是什么意思
seriously是什么意思
慕斯蛋糕是什么
灯笼花的养殖方法
网络推广是什么
什么牌子的净水器好
bite什么意思
tick是什么意思