指南生活
首页
美食营养
手工爱好
生活家居
返回
指南生活
首页
美食营养
游戏数码
手工爱好
生活家居
健康养生
运动户外
职场理财
情感交际
母婴教育
时尚美容
知识问答
生活知识
生活百科
搜索
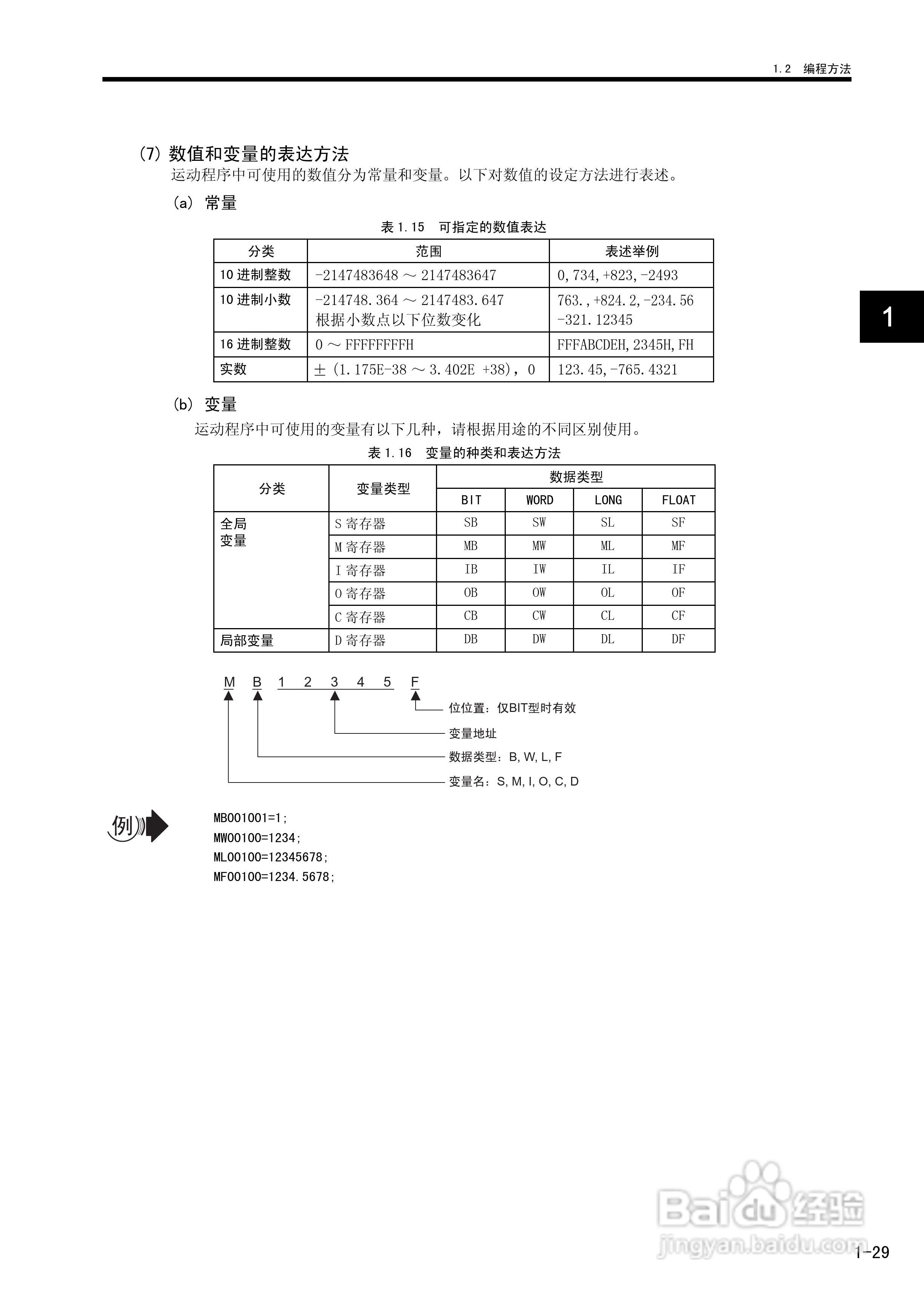
YASKAWA MP900/MP2000系列机器控制器用户手册:[5]
2026-05-01 08:44:56
本篇为《YASKAWA MP900/MP2000系列机器控制器用户手册》,主要介绍该产品的使用方法以及常见故障解决方案。
(共篇)
上一篇:
|
下一篇:
声明:
本网站引用、摘录或转载内容仅供网站访问者交流或参考,不代表本站立场,如存在版权或非法内容,请联系站长删除,联系邮箱:site.kefu@qq.com。
相关推荐
YASKAWA MP900/MP2000系列机器控制器用户手册:[15]
阅读量:136
YASKAWA MP900/MP2000系列机器控制器用户手册:[13]
阅读量:189
控制器暂停功能的实现步骤
阅读量:108
YASKAWA JUSP-NS600应用模块用户手册:[5]
阅读量:166
YASKAWA MP900/MP2000系列机器控制器用户手册:[12]
阅读量:55
猜你喜欢
小班运动会口号
stranger什么意思
高中生物必修一知识点
乌鸡白凤丸的功效与作用
燕麦片的功效和作用
鹅不食草的功效与作用
什么动漫最好看
知识分子论
什么牌子的眼霜好
运动会入场式创意表演
猜你喜欢
生理盐水的作用
健康教育知识讲座
南瓜子的功效与作用及禁忌
高考历史知识点总结
欲望少女运动会
红纹石的功效与作用
南瓜子的功效与作用
知识产权保护
三七的功效与作用吃法
什么是鲸落