指南生活
首页
美食营养
手工爱好
生活家居
返回
指南生活
首页
美食营养
游戏数码
手工爱好
生活家居
健康养生
运动户外
职场理财
情感交际
母婴教育
时尚美容
知识问答
生活知识
生活百科
搜索
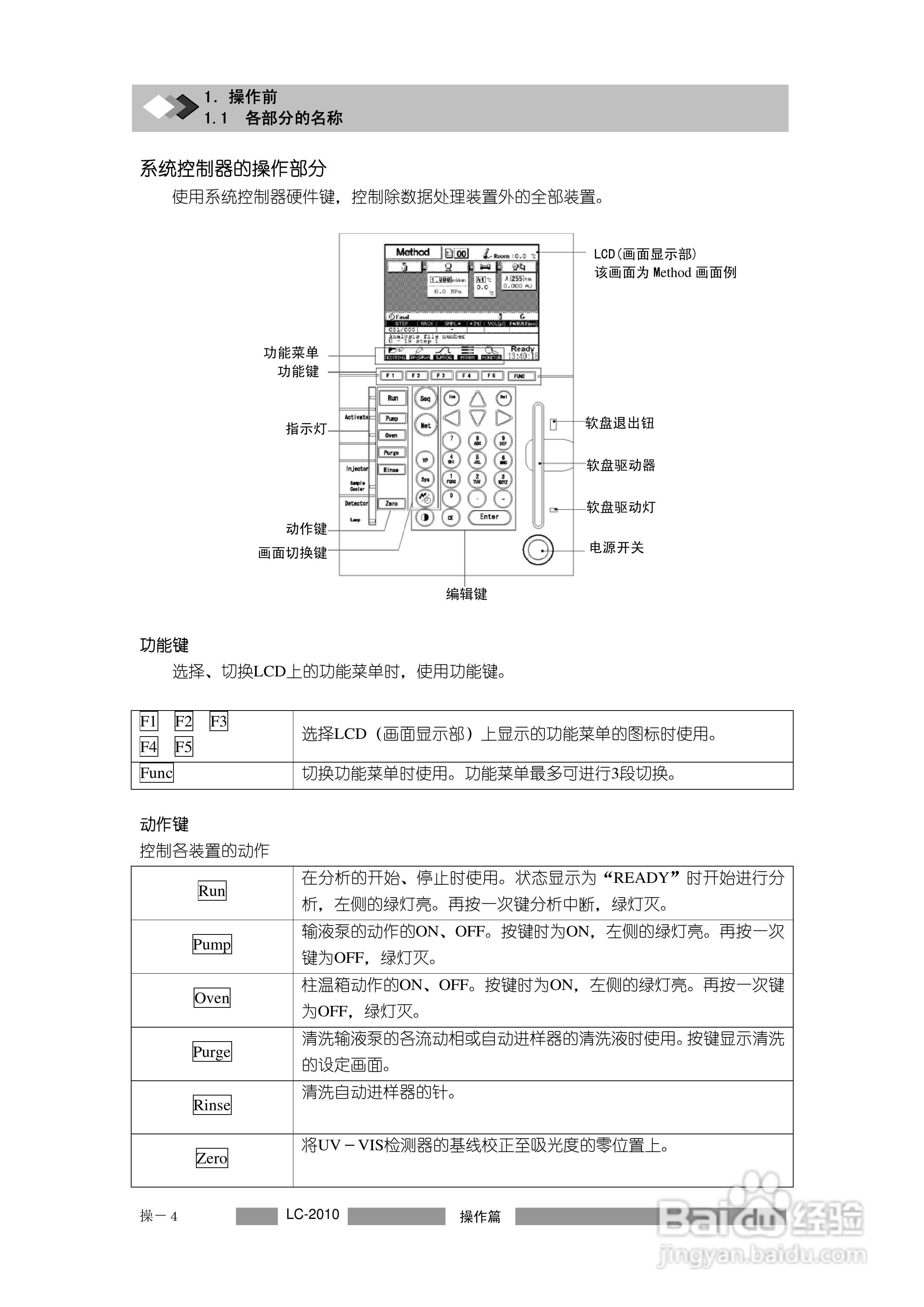
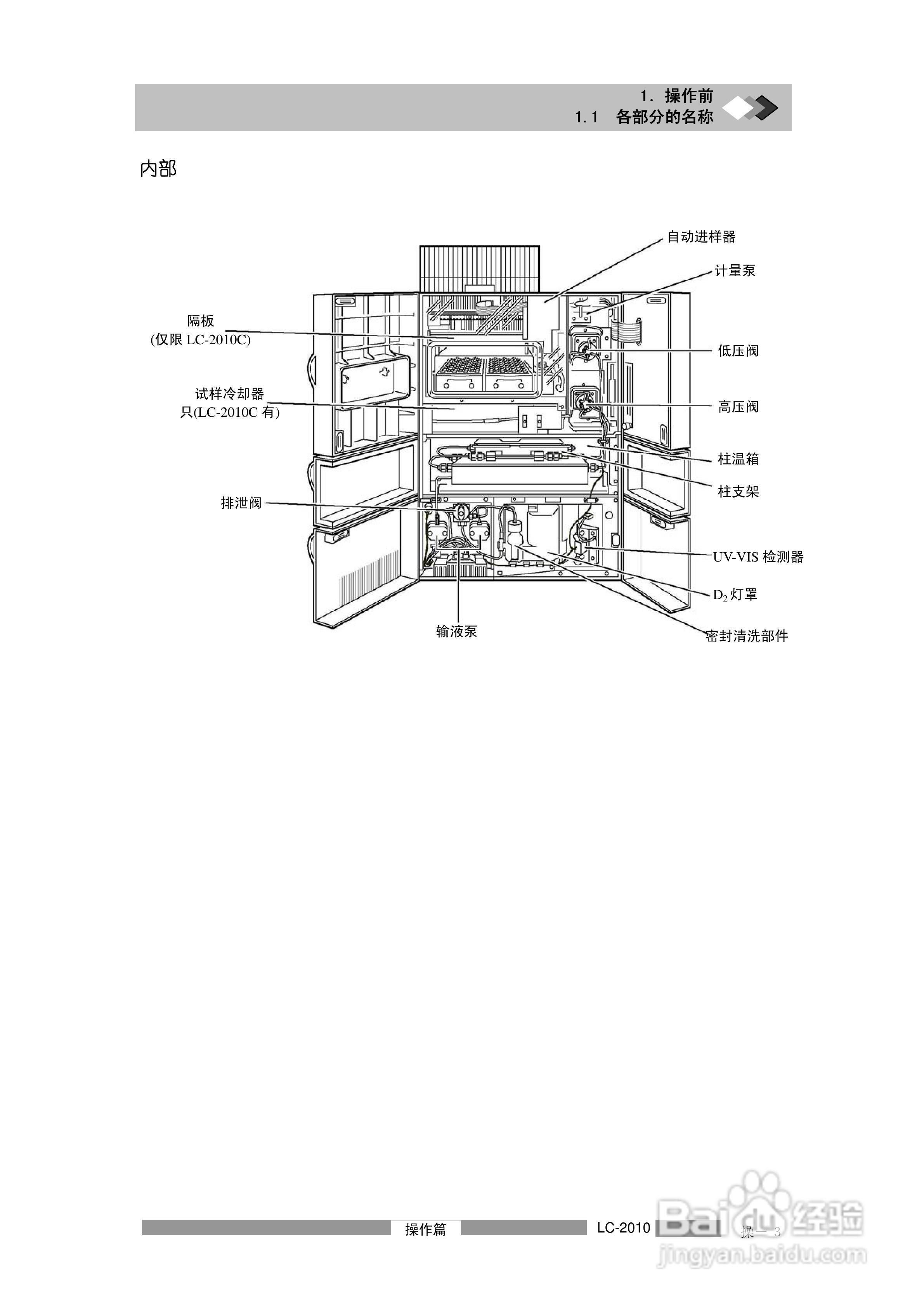
LC-2010A岛津高效液相色谱仪操作说明书:[4]
2026-03-29 08:36:20
本篇为《LC-2010A岛津高效液相色谱仪操作说明书》,主要介绍该产品的使用方法以及常见故障解决方案。
(共篇)
上一篇:
|
下一篇:
声明:
本网站引用、摘录或转载内容仅供网站访问者交流或参考,不代表本站立场,如存在版权或非法内容,请联系站长删除,联系邮箱:site.kefu@qq.com。
相关推荐
LC-2010A岛津高效液相色谱仪操作说明书:[10]
阅读量:86
LC-2010A岛津高效液相色谱仪操作说明书:[7]
阅读量:33
LC-2010A岛津高效液相色谱仪操作说明书:[13]
阅读量:91
LC-2010A岛津高效液相色谱仪操作说明书:[12]
阅读量:53
LC-2010A岛津高效液相色谱仪操作说明书:[8]
阅读量:29
猜你喜欢
五四精神是什么
9月26日是什么星座
毛线是什么意思
白色污染指的是什么
children是什么意思
女为悦己者容什么意思
胎位roa是什么意思
次日是什么意思
91年属羊的是什么命
ready是什么意思
猜你喜欢
缴费和交费有什么区别
hr什么意思
指事字是什么意思
奥特莱斯是什么
阅历是什么意思
mb是什么意思
brown是什么意思
12580是什么电话
杏林指什么
8月25日是什么星座