指南生活
首页
美食营养
手工爱好
生活家居
返回
指南生活
首页
美食营养
游戏数码
手工爱好
生活家居
健康养生
运动户外
职场理财
情感交际
母婴教育
时尚美容
知识问答
生活知识
搜索
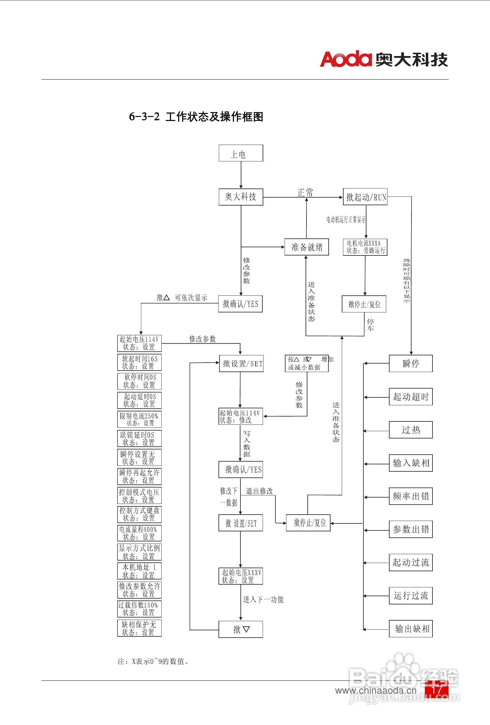
AOR3000中文智能软起动器用户手册:[2]
2026-01-05 00:43:48
本篇为《AOR3000中文智能软起动器用户手册》,主要介绍该产品的使用方法以及常见故障解决方案。
(共篇)
上一篇:
|
下一篇:
声明:
本网站引用、摘录或转载内容仅供网站访问者交流或参考,不代表本站立场,如存在版权或非法内容,请联系站长删除,联系邮箱:site.kefu@qq.com。
相关推荐
网站改版有哪些得当的处理方式
阅读量:128
云帮手系统管理具体怎么用?
阅读量:39
容声冰箱BCD-232YM/AX1型使用说明书
阅读量:155
支付宝开笔写福五福临门怎么玩
阅读量:110
如何快速治疗痤疮
阅读量:82
猜你喜欢
什么是科学
嘴唇发黑发紫是什么原因
3月27日是什么星座
三月不知肉味形容什么
lunch是什么意思
胎动是什么感觉
ect是什么意思
什么是整式
非负数是什么
8月8日是什么星座
猜你喜欢
朋友过生日送什么礼物好
6月16日是什么星座
金兰之交是什么意思
ipad是什么意思
月经是什么
micro是什么意思
码字是什么意思
ok镜是什么
属蛇的和什么属相最配
银行账号是什么