指南生活
首页
美食营养
手工爱好
生活家居
返回
指南生活
首页
美食营养
游戏数码
手工爱好
生活家居
健康养生
运动户外
职场理财
情感交际
母婴教育
时尚美容
知识问答
生活知识
生活百科
搜索
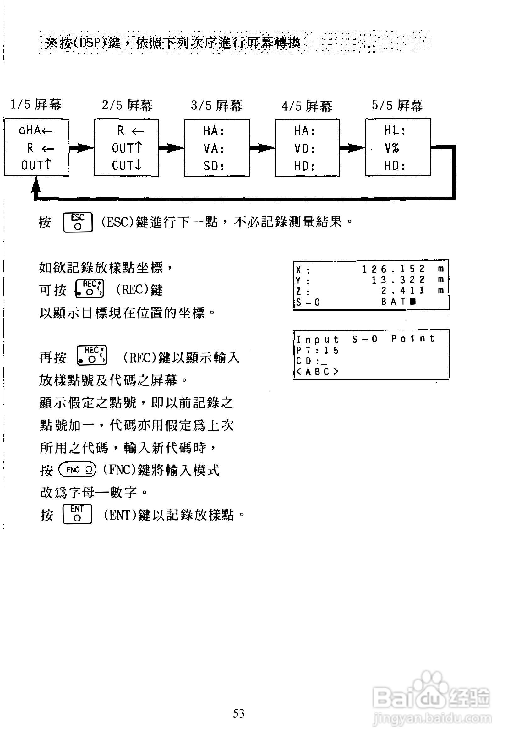
尼康DTM-300、310系列全站仪使用手册:[6]
2026-04-24 11:50:02
本篇为《尼康DTM-300、310系列全站仪使用手册》,主要介绍该产品的使用方法以及常见故障解决方案。
(共篇)
上一篇:
|
下一篇:
声明:
本网站引用、摘录或转载内容仅供网站访问者交流或参考,不代表本站立场,如存在版权或非法内容,请联系站长删除,联系邮箱:site.kefu@qq.com。
相关推荐
尼康DTM-300、310系列全站仪使用手册:[10]
阅读量:41
尼康DTM-801、831、851 系列全站仪使用手册:[6]
阅读量:118
尼康DTM-501、521、531、551 系列全站仪使用手册:[6]
阅读量:133
尼康DTM-801、831、851 系列全站仪使用手册:[21]
阅读量:129
全站仪的操作技巧
阅读量:26
猜你喜欢
法律法规大全
喷雾怎么用
qq炫舞怎么玩
唐朝皇帝顺序简介
清蒸鲈鱼的做法大全
龟头疼怎么办
怎么训练狗
美女视频黄频a美女大全
无底洞怎么加点
我的世界传送门大全
猜你喜欢
农村室内装修效果图大全
支付宝怎么弄
琴书大全
3839小游戏大全
肛门痔疮怎么治疗
系统怎么重装
好词好句摘抄大全小学
煲仔饭的做法大全
不干胶怎么去除
莫干山板材怎么样