指南生活
首页
美食营养
手工爱好
生活家居
返回
指南生活
首页
美食营养
游戏数码
手工爱好
生活家居
健康养生
运动户外
职场理财
情感交际
母婴教育
时尚美容
知识问答
生活知识
生活百科
搜索
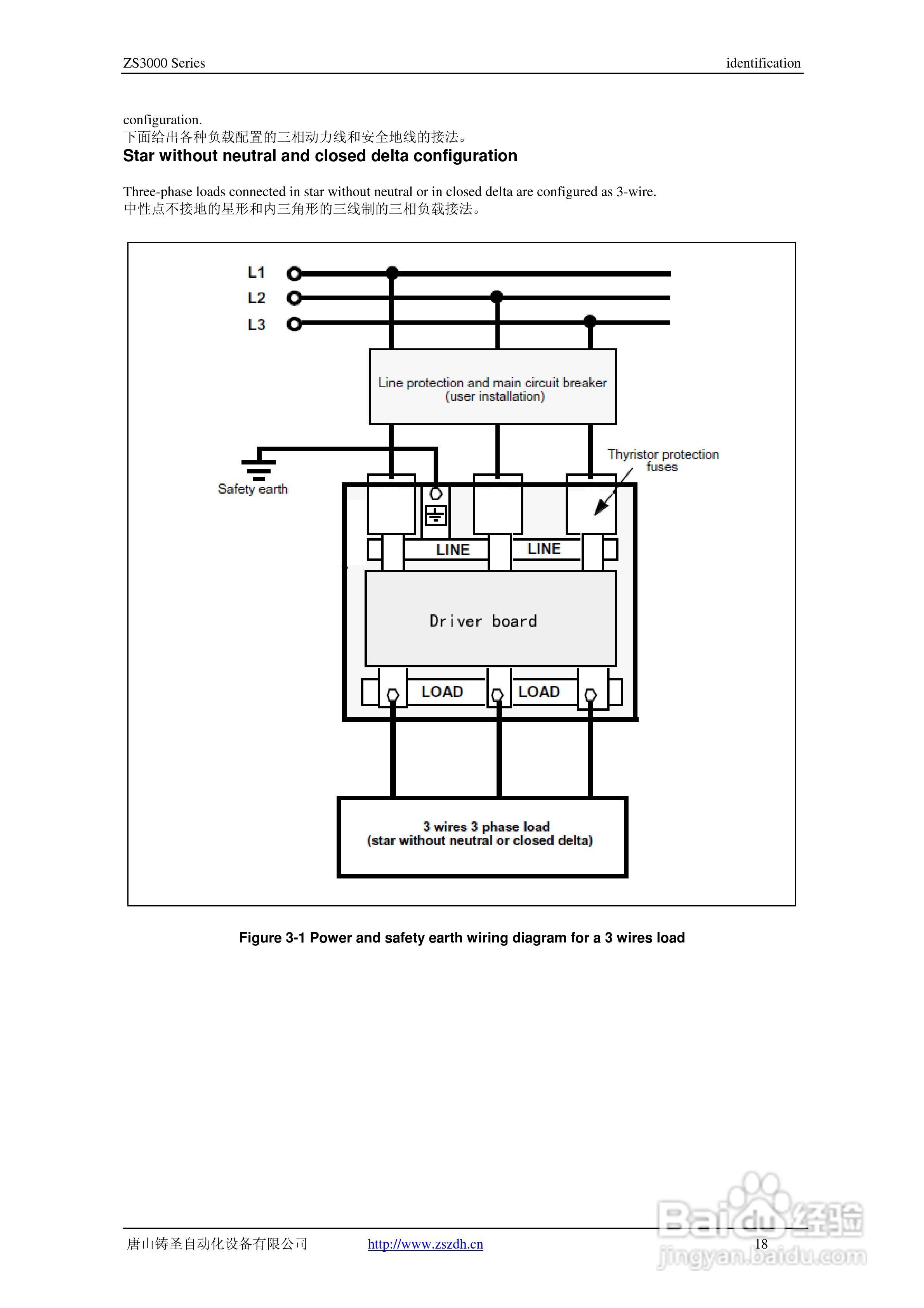
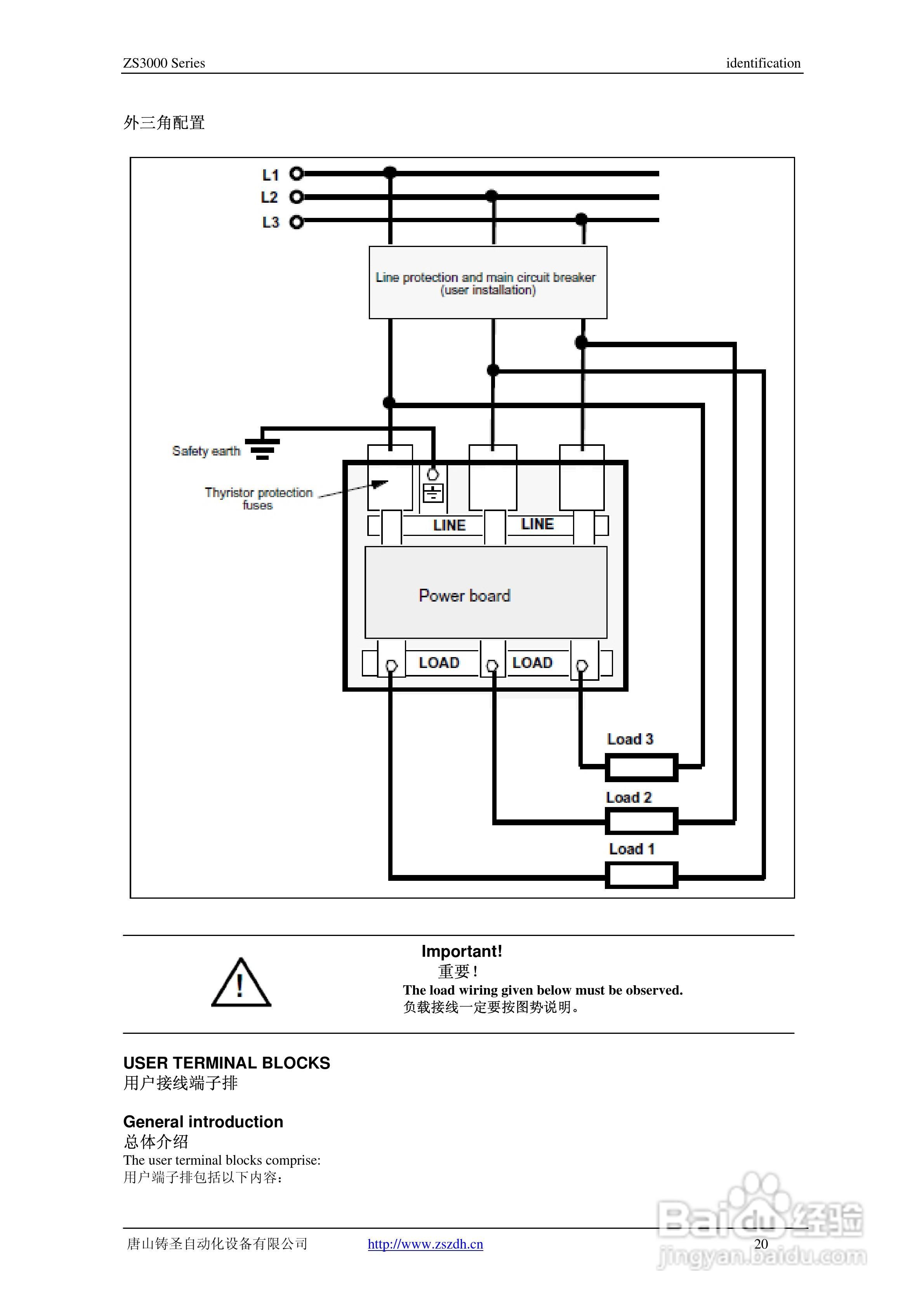
ZS3000数字功率控制器说明书:[2]
2026-04-26 23:06:10
本篇为《ZS3000数字功率控制器说明书》,主要介绍该产品的使用方法以及常见故障解决方案。
(共篇)
上一篇:
|
下一篇:
声明:
本网站引用、摘录或转载内容仅供网站访问者交流或参考,不代表本站立场,如存在版权或非法内容,请联系站长删除,联系邮箱:site.kefu@qq.com。
相关推荐
ZS3000数字功率控制器说明书:[3]
阅读量:33
ZS3000数字功率控制器说明书:[4]
阅读量:152
彩讯TMC3000系列大屏控制器使用说明书:[2]
阅读量:154
XZ-3000智能低压电动机保护控制器使用说明书V2:[2]
阅读量:170
彩讯TMC3000系列大屏控制器使用说明书:[6]
阅读量:143
猜你喜欢
空调病什么症状
尿潜血是什么病
啪啪啪是什么感觉
imei是什么意思
手抖是什么原因
11月27日是什么星座
三点水一个者念什么
假如时光倒流我能做什么是什么歌
考研究生需要什么条件
pi是什么
猜你喜欢
kenzo是什么牌子中文
咳血是什么原因引起的
冲太岁是什么意思
2月25日是什么星座
脚踝肿是什么原因
什么伴我成长作文
索性的近义词是什么
高血压有什么症状
鲸落是什么意思
7月10日是什么星座