指南生活
首页
美食营养
手工爱好
生活家居
返回
指南生活
首页
美食营养
游戏数码
手工爱好
生活家居
健康养生
运动户外
职场理财
情感交际
母婴教育
时尚美容
知识问答
生活知识
生活百科
搜索
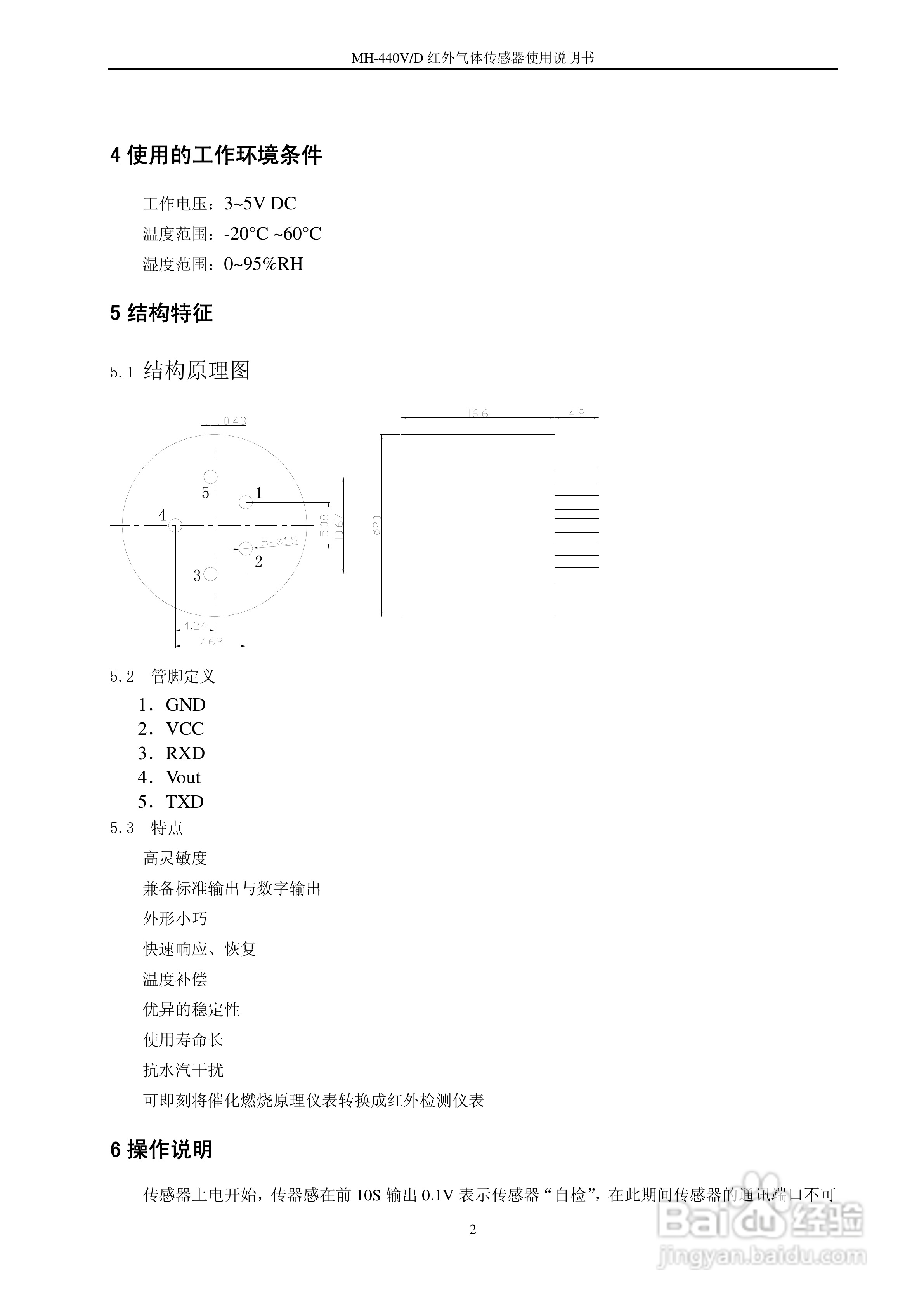
MH-440V/D NDIR 红外气体传感器使用说明书
2026-03-29 10:38:52
声明:
本网站引用、摘录或转载内容仅供网站访问者交流或参考,不代表本站立场,如存在版权或非法内容,请联系站长删除,联系邮箱:site.kefu@qq.com。
相关推荐
传感器模组使用说明书V1.0:[4]
阅读量:119
传感器模组使用说明书V1.0:[3]
阅读量:194
传感器模组使用说明书V1.0:[1]
阅读量:92
传感器模组使用说明书V1.0:[2]
阅读量:42
硫化氢H2S气体传感器模组使用方法
阅读量:174
猜你喜欢
新基建是什么意思
目光炯炯的意思
collection是什么意思
成人礼祝福语
荡气回肠的意思
洞若观火的意思
桂林什么季节去最好
开业大吉祝福语
回眸的意思
爬山是什么意思
猜你喜欢
卜算子送鲍浩然之浙东的意思
奥妙的意思
硬件加速有什么用
看病人什么时间好
三番五次的意思
今天有什么电影上映
股票做t是什么意思
solo的意思
traffic是什么意思
秋夕古诗的意思