指南生活
首页
美食营养
手工爱好
生活家居
返回
指南生活
首页
美食营养
游戏数码
手工爱好
生活家居
健康养生
运动户外
职场理财
情感交际
母婴教育
时尚美容
知识问答
生活知识
搜索
南瑞继保PCS-9820B智能控制装置使用说明书:[1]
2025-12-17 08:01:11
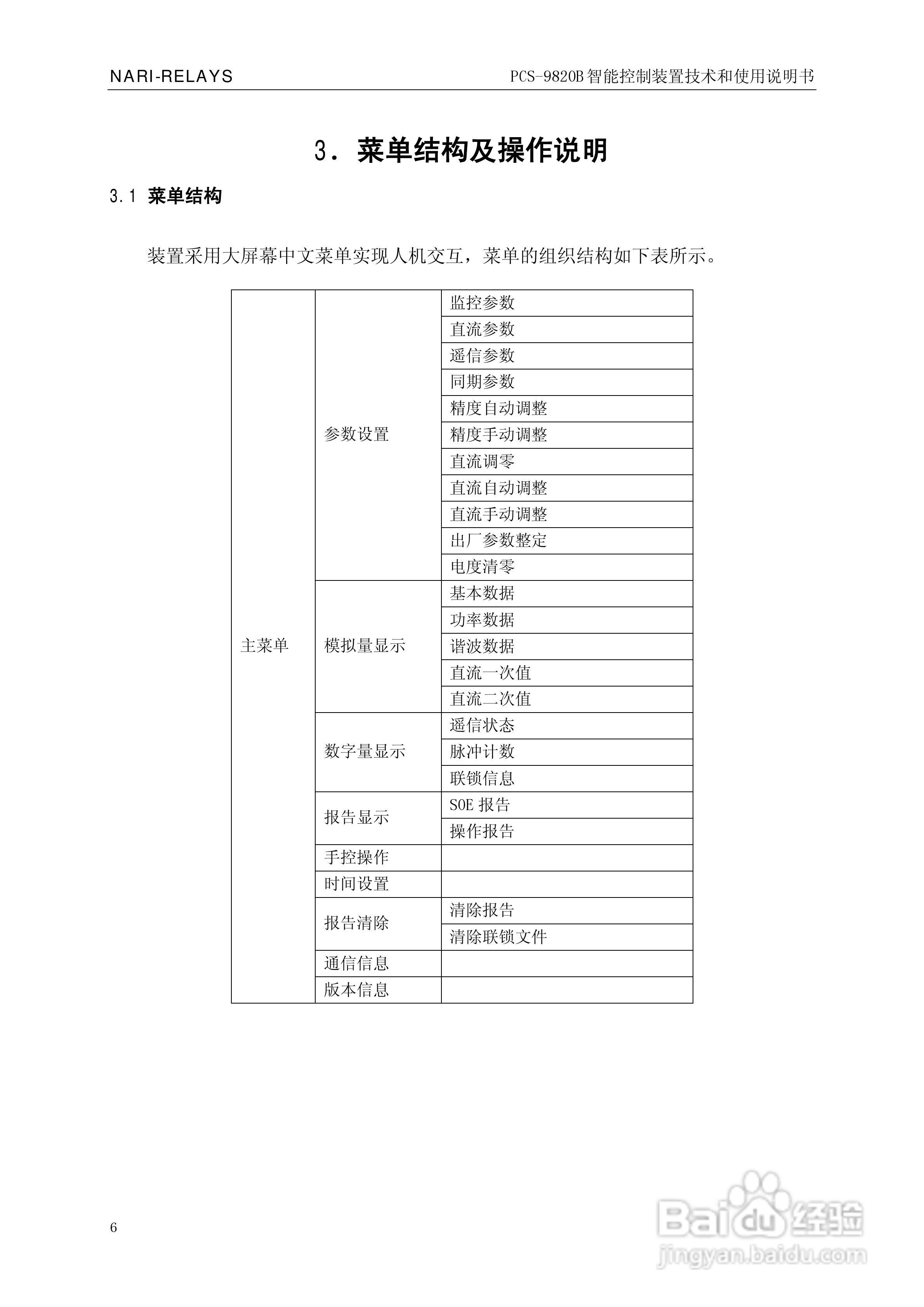
本篇为《南瑞继保PCS-9820B智能控制装置使用说明书》,主要介绍该产品的使用方法以及常见故障解决方案。
(共篇)
下一篇:
声明:
本网站引用、摘录或转载内容仅供网站访问者交流或参考,不代表本站立场,如存在版权或非法内容,请联系站长删除,联系邮箱:site.kefu@qq.com。
相关推荐
聊城公积金贷款可以从哪查询
阅读量:116
椰香炸红薯条的做法(外酥里糯)
阅读量:96
回柱绞车司机安全操作规程
阅读量:128
男人该如何补肾,吃什么能补肾
阅读量:126
飞利浦DCD322/93组合音响使用说明书:[1]
阅读量:22
猜你喜欢
做设计用什么笔记本好
轩的意思
香炉里放什么
人在什么情况下会七窍生烟
冬至是什么意思
mad是什么意思
侥幸的意思
bliss是什么意思
where是什么意思中文
狞笑的意思
猜你喜欢
考究的意思
ie系列浏览器是指什么
hold住是什么意思
神奇的意思
com是什么意思
人为什么会害怕死亡
老婆过生日送什么好
light是什么意思
空调匹数什么意思
china是什么意思中文