指南生活
首页
美食营养
手工爱好
生活家居
返回
指南生活
首页
美食营养
游戏数码
手工爱好
生活家居
健康养生
运动户外
职场理财
情感交际
母婴教育
时尚美容
知识问答
生活知识
搜索
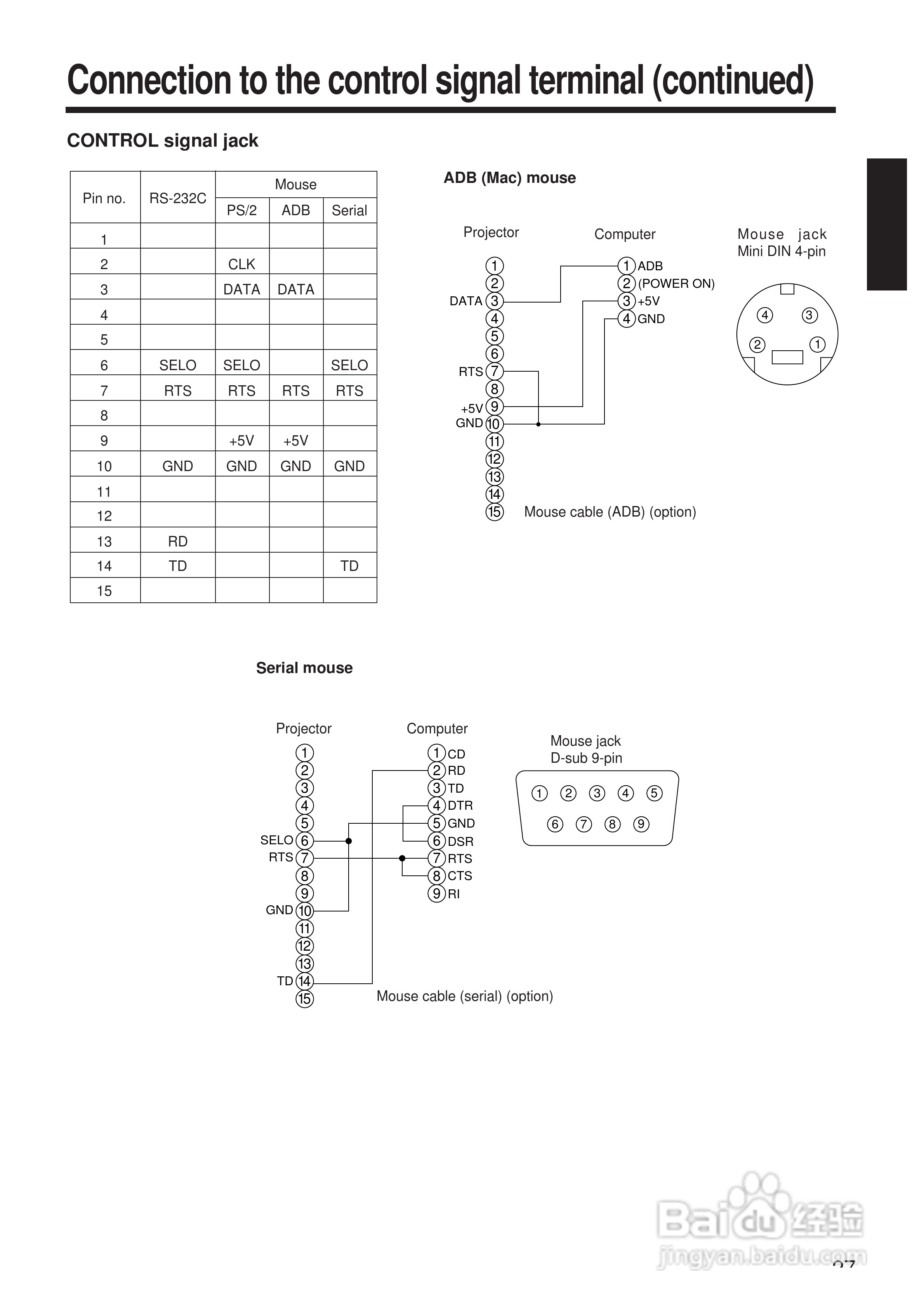
日立 CP-X958W投影机说明书:[3]
2025-12-27 13:39:18
本篇为《日立 CP-X958W投影机说明书》,主要介绍该产品的使用方法以及常见故障解决方案。
(共篇)
下一篇:
声明:
本网站引用、摘录或转载内容仅供网站访问者交流或参考,不代表本站立场,如存在版权或非法内容,请联系站长删除,联系邮箱:site.kefu@qq.com。
相关推荐
日立 CP-X268A投影机说明书:[3]
阅读量:86
日立 CP-WX1100投影机说明书:[3]
阅读量:125
日立 CP-X327W投影机说明书:[3]
阅读量:24
日立 CP-S317W投影机说明书:[3]
阅读量:108
投影机怎样连接使用
阅读量:144
猜你喜欢
我的乱欲生活
加班工资如何计算
从怎么看到怎么办
血细胞分析报告怎么看
无线ap怎么用
影音先锋怎么下载电影
期中考试如何复习
东海生活网
如何预防脑梗塞
浙江树人大学怎么样
猜你喜欢
a型血和b型血生的孩子是什么血型
偏旁部首怎么打
小学生活二三事
微博秒拍视频怎么下载
珂卡芙鞋子怎么样
异地违章怎么交罚款
湖南商务职业技术学院怎么样
卫校是什么学校
检车过期怎么办
win8怎么激活