指南生活
首页
美食营养
手工爱好
生活家居
返回
指南生活
首页
美食营养
游戏数码
手工爱好
生活家居
健康养生
运动户外
职场理财
情感交际
母婴教育
时尚美容
知识问答
生活知识
搜索
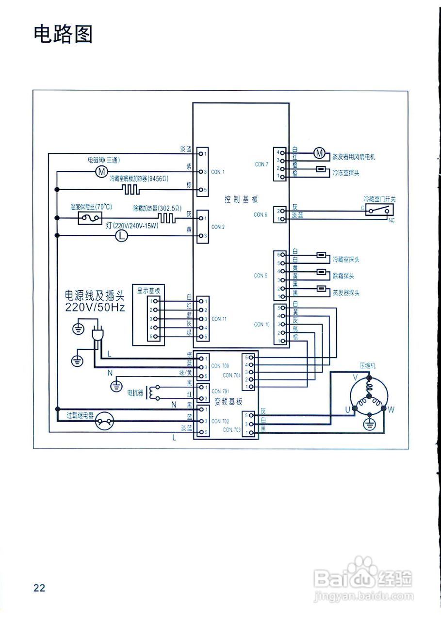
松下NR-B25VG1冰箱使用说明书:[3]
2026-03-04 09:42:09
(共篇)
上一篇:
声明:
本网站引用、摘录或转载内容仅供网站访问者交流或参考,不代表本站立场,如存在版权或非法内容,请联系站长删除,联系邮箱:site.kefu@qq.com。
相关推荐
松下NR-B25VG1冰箱使用说明书:[1]
阅读量:40
松下双开双控接线方法
阅读量:118
松下NR-B25VG1冰箱使用说明书:[2]
阅读量:76
松下NR-B23ES1冰箱1使用说明书:[1]
阅读量:29
松下NR-B26M2冰箱使用说明书:[1]
阅读量:97
猜你喜欢
肛门周围潮湿瘙痒是什么原因
dm是什么意思
油蜡皮是什么皮
合肥生活网
广州科技职业技术学院怎么样
怎么打开pdf文件
ace是什么意思
如何写好论文
生活大爆炸第七季
睡落枕脖子疼怎么办
猜你喜欢
经营方式怎么填
基友是什么意思
聚来宝怎么赚钱
ad是什么意思
单眼皮如何变双眼皮
废柴道士的爆笑生活2
boy是什么牌子
卫生巾怎么用视频
ky是什么意思
锦鲤鱼怎么分公母