指南生活
首页
美食营养
手工爱好
生活家居
返回
指南生活
首页
美食营养
游戏数码
手工爱好
生活家居
健康养生
运动户外
职场理财
情感交际
母婴教育
时尚美容
知识问答
生活知识
生活百科
搜索
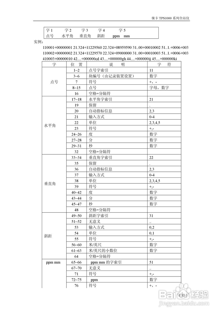
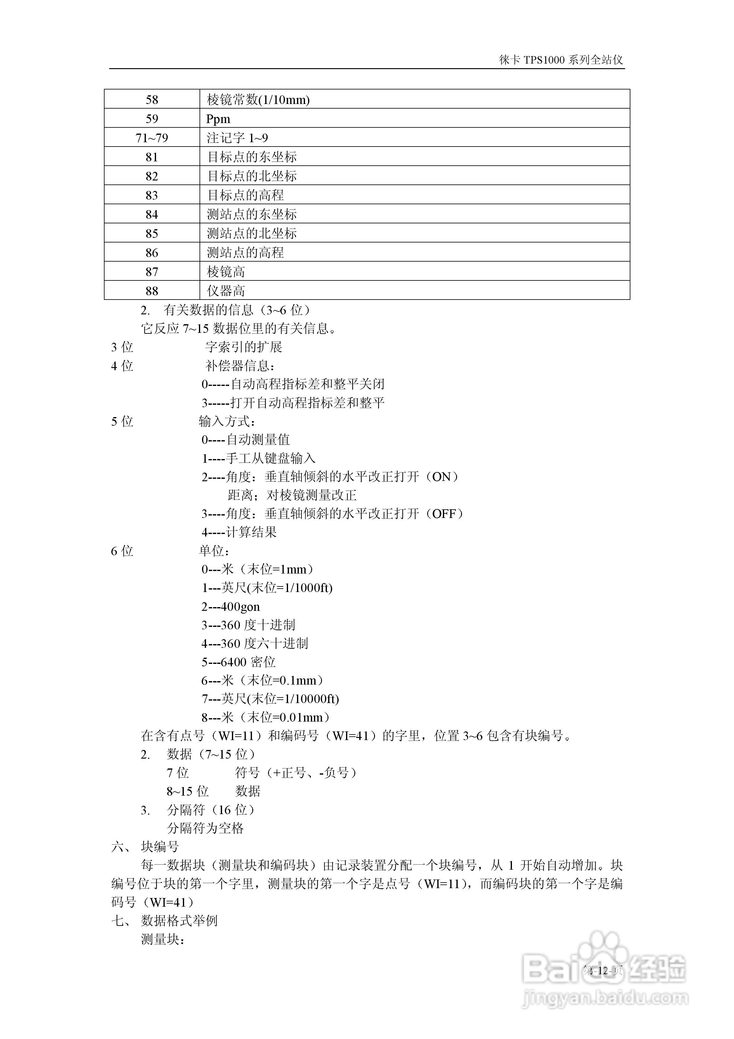
TPS1800系列仪器操作说明书:[2]
2026-04-24 00:13:08
本篇为《TPS1800系列仪器操作说明书》,主要介绍该产品的使用方法以及常见故障解决方案。
(共篇)
上一篇:
|
下一篇:
声明:
本网站引用、摘录或转载内容仅供网站访问者交流或参考,不代表本站立场,如存在版权或非法内容,请联系站长删除,联系邮箱:site.kefu@qq.com。
相关推荐
TPS1800系列仪器操作说明书:[1]
阅读量:110
TPS1800系列仪器操作说明书:[4]
阅读量:186
安立MP1800A系列信号质量分析仪说明书:[2]
阅读量:39
tektronix TPS2000 系列隔离通道示波器说明书:[2]
阅读量:86
云集品TPS后台操作三
阅读量:155
猜你喜欢
misc是什么意思
3月3日是什么星座
平衡车什么牌子好
cnmb是什么意思
观察的近义词是什么
发膜是什么
驳船是什么意思
妈妈是什么
7月21日是什么星座
怎么看电脑是什么系统
猜你喜欢
今年是什么生肖年
once是什么意思
chick是什么意思
纳米技术是什么意思
头发白是什么原因
什么时候跑步最好
神马是什么意思
一朵花儿开就有一朵花儿败什么歌
esprit是什么牌子
恍然大悟是什么意思