指南生活
首页
美食营养
手工爱好
生活家居
返回
指南生活
首页
美食营养
游戏数码
手工爱好
生活家居
健康养生
运动户外
职场理财
情感交际
母婴教育
时尚美容
知识问答
生活知识
搜索
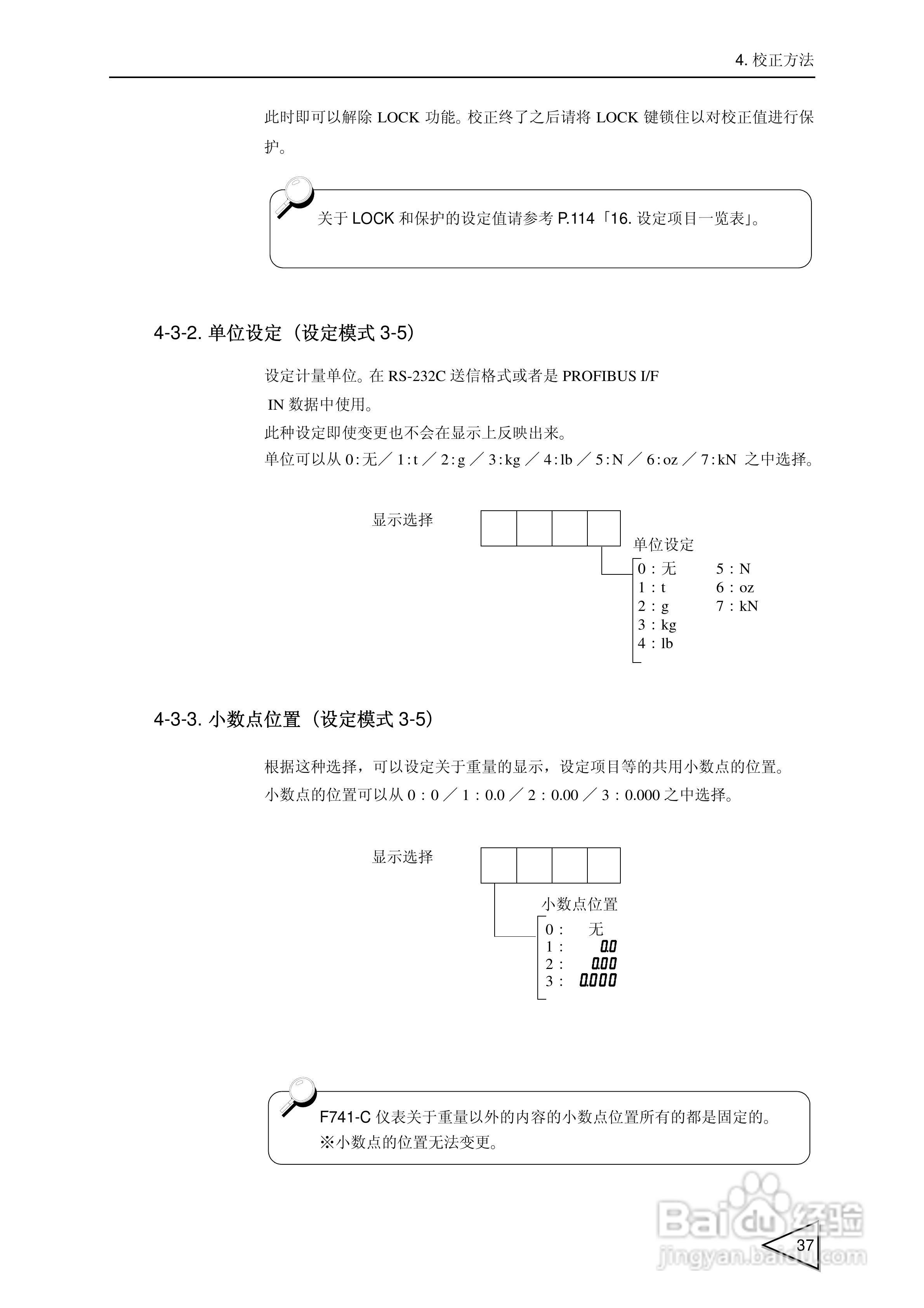
F741-C称重控制器使用说明书:[5]
2025-12-18 11:10:47
本篇为《F741-C称重控制器使用说明书》,主要介绍该产品的使用方法以及常见故障解决方案。
(共篇)
上一篇:
|
下一篇:
声明:
本网站引用、摘录或转载内容仅供网站访问者交流或参考,不代表本站立场,如存在版权或非法内容,请联系站长删除,联系邮箱:site.kefu@qq.com。
相关推荐
DNF绝望之塔46层至50层攻略
阅读量:107
用TP框架创建后台首页面
阅读量:192
QQ怎么设置远程桌面
阅读量:147
天堂2:血盟奇岩阵营战攻略
阅读量:139
Windows7系统如何让预览窗口更清晰
阅读量:195
猜你喜欢
右下腹疼痛是怎么回事
广场舞歌曲名字大全
百雀羚化妆品怎么样
怎么查手机通话记录
小熊简笔画图片大全
三星手机价格大全
网速慢怎么解决
俏妃卫生巾怎么样
怎么把word转成pdf
花圈挽联大全
猜你喜欢
胆囊息肉是怎么回事
四年级日记大全
柚子茶怎么做
达尔文简介
词语接龙大全
三江学院怎么样
冰心现代诗歌大全100首
全国身份证号码大全
电子表格怎么求和
顾城的简介