指南生活
首页
美食营养
手工爱好
生活家居
返回
指南生活
首页
美食营养
游戏数码
手工爱好
生活家居
健康养生
运动户外
职场理财
情感交际
母婴教育
时尚美容
知识问答
生活知识
生活百科
搜索
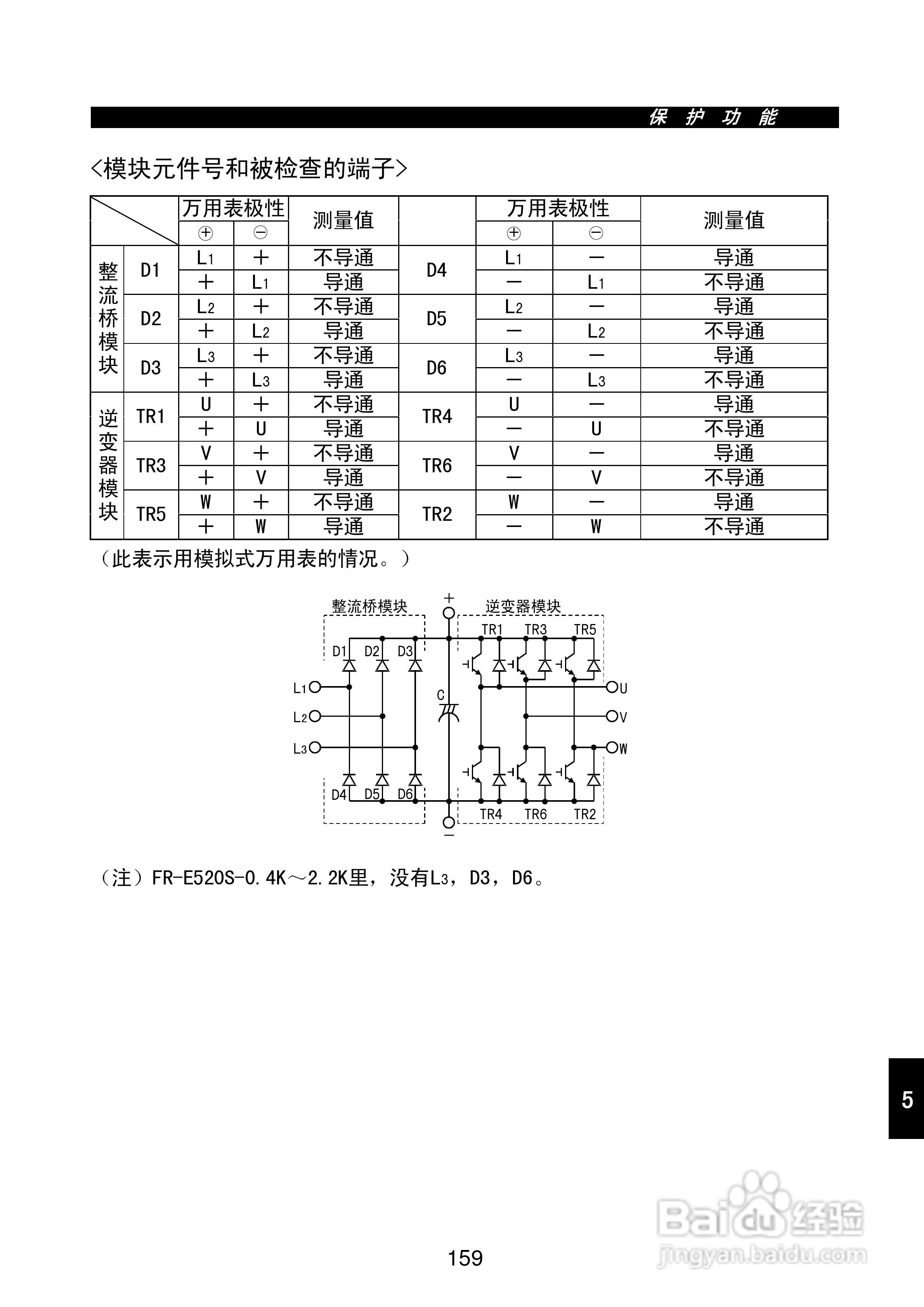
FR-E500系列变频调速器使用手册:[18]
2026-05-08 16:22:48
本篇为《FR-E500系列变频调速器使用手册》,主要介绍该产品的使用方法以及常见故障解决方案。
(共篇)
上一篇:
|
下一篇:
声明:
本网站引用、摘录或转载内容仅供网站访问者交流或参考,不代表本站立场,如存在版权或非法内容,请联系站长删除,联系邮箱:site.kefu@qq.com。
相关推荐
FR-E500系列变频调速器使用手册:[20]
阅读量:136
FR-E500系列变频调速器使用手册:[14]
阅读量:21
FR-E500系列变频调速器使用手册:[12]
阅读量:72
FR-E500系列变频调速器使用手册:[13]
阅读量:155
FR-E500系列变频调速器使用手册:[11]
阅读量:129
猜你喜欢
泰拉瑞亚翅膀怎么做
手机信号不好怎么办
爱奇艺怎么下载视频
无限极护肤品怎么样
路由器和猫怎么连接
房子面积怎么算
心脏病怎么治疗
南京航空航天大学怎么样
哈弗h6油耗怎么样
小鸭子怎么养
猜你喜欢
小孩发烧39度怎么办
dnf怎么双开
桃花怎么画
橡皮英语怎么读eraser
尿失禁怎么办
长豆角怎么做好吃
苹果5s怎么开机
拍拍贷怎么样
违章滞纳金怎么算
纤维瘤怎么治疗