指南生活
首页
美食营养
手工爱好
生活家居
返回
指南生活
首页
美食营养
游戏数码
手工爱好
生活家居
健康养生
运动户外
职场理财
情感交际
母婴教育
时尚美容
知识问答
生活知识
生活百科
搜索
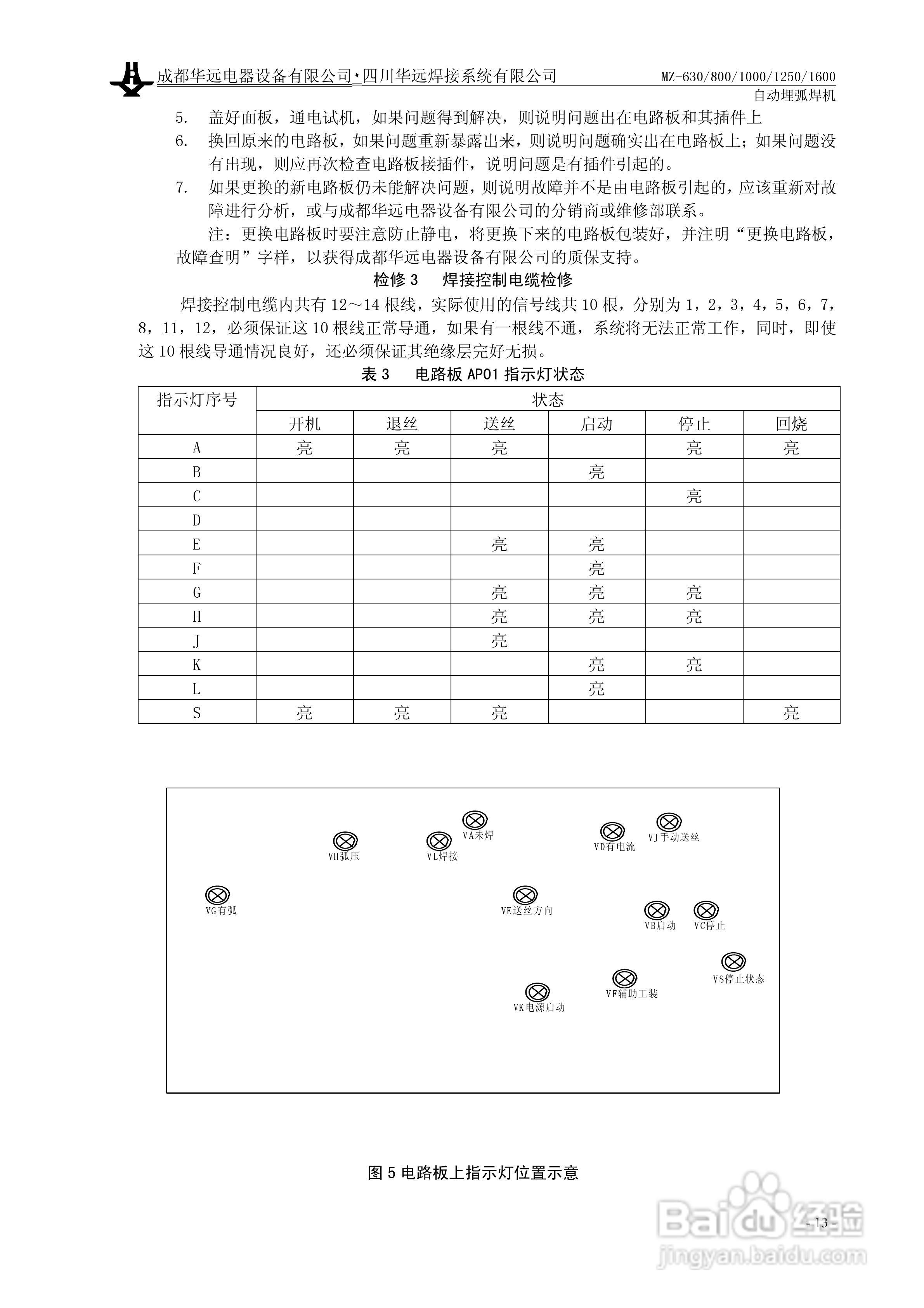
华远MZ-630自动埋弧焊机使用说明书:[2]
2026-04-22 05:25:11
本篇为《华远MZ-630自动埋弧焊机使用说明书》,主要介绍该产品的使用方法以及常见故障解决方案。
(共篇)
上一篇:
声明:
本网站引用、摘录或转载内容仅供网站访问者交流或参考,不代表本站立场,如存在版权或非法内容,请联系站长删除,联系邮箱:site.kefu@qq.com。
相关推荐
华远MZ-630自动埋弧焊机使用说明书:[1]
阅读量:70
华远MZ-1600自动埋弧焊机使用说明书:[2]
阅读量:180
华远MZ-1250自动埋弧焊机使用说明书:[1]
阅读量:54
华远MZ-1600自动埋弧焊机使用说明书:[1]
阅读量:86
华远MZ-800自动埋弧焊机使用说明书:[1]
阅读量:29
猜你喜欢
养羊技术大全
故宫简介
招牌名字大全
澳柯玛冰箱怎么样
教师名言名句大全
一直咳嗽有痰怎么办
偶像活动图片大全
中国女王信息大全二区
手工贺卡图片大全
汉字偏旁部首大全
猜你喜欢
未识别网络怎么解决
12星座大全
红木沙发图片大全
宝宝喝奶粉上火怎么办
张仲景简介
ps怎么做倒影效果
咬肌太大怎么办
246天天好彩免费资料大全
仙蒂瑞拉珍珠怎么样
姜潮个人资料简介