指南生活
首页
美食营养
手工爱好
生活家居
返回
指南生活
首页
美食营养
游戏数码
手工爱好
生活家居
健康养生
运动户外
职场理财
情感交际
母婴教育
时尚美容
知识问答
生活知识
搜索
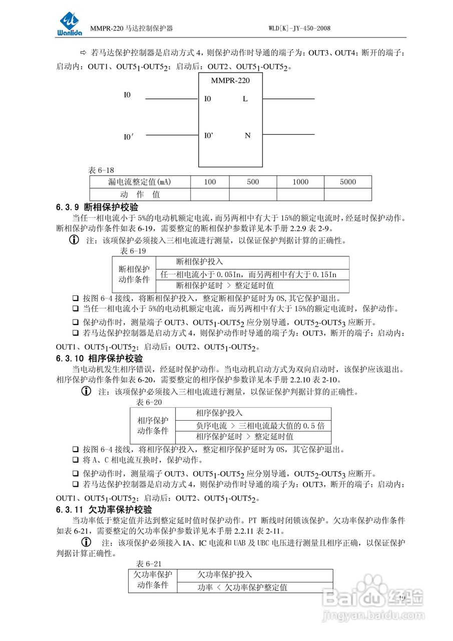
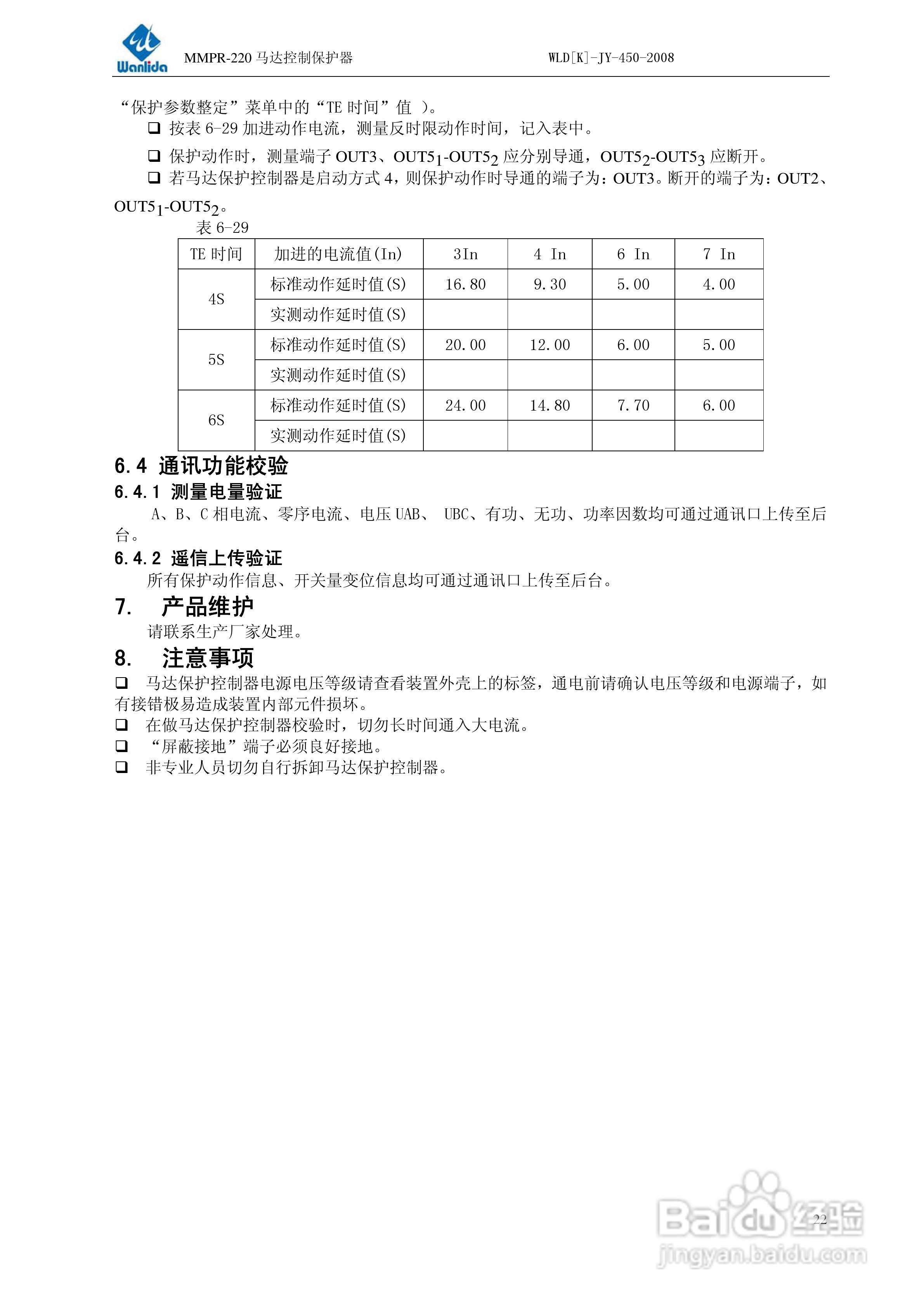
MMPR-220马达控制保护器用户手册:[3]
2026-03-07 13:31:35
本篇为《MMPR-220马达控制保护器用户手册》,主要介绍该产品的使用方法以及常见故障解决方案。
(共篇)
上一篇:
声明:
本网站引用、摘录或转载内容仅供网站访问者交流或参考,不代表本站立场,如存在版权或非法内容,请联系站长删除,联系邮箱:site.kefu@qq.com。
相关推荐
MMPR-210马达控制保护器用户手册:[3]
阅读量:35
MMPR-210马达控制保护器用户手册:[2]
阅读量:170
马达加斯加玉髓怎么挑
阅读量:95
MMPR-210马达控制保护器用户手册:[1]
阅读量:39
MMPR-220马达控制保护器用户手册:[1]
阅读量:175
猜你喜欢
黑木耳的功效与作用
服装面料知识大全
三伏贴的作用
历史必修一知识点总结
石膏粉的功效与作用
地理知识点
什么是机电一体化
草红花的功效与作用
买车要注意什么
小苏打的作用
猜你喜欢
中国茶叶知识网
初中政治知识点总结
七上历史知识点
图书情报知识
破折号的作用是什么
运动会园长致辞
腊梅花的功效与作用
什么是循证医学
运动会演讲稿100字
高考历史知识点总结