指南生活
首页
美食营养
手工爱好
生活家居
返回
指南生活
首页
美食营养
游戏数码
手工爱好
生活家居
健康养生
运动户外
职场理财
情感交际
母婴教育
时尚美容
知识问答
生活知识
搜索
日电NP-PA550W+投影机说明书:[16]
2026-01-14 22:21:45
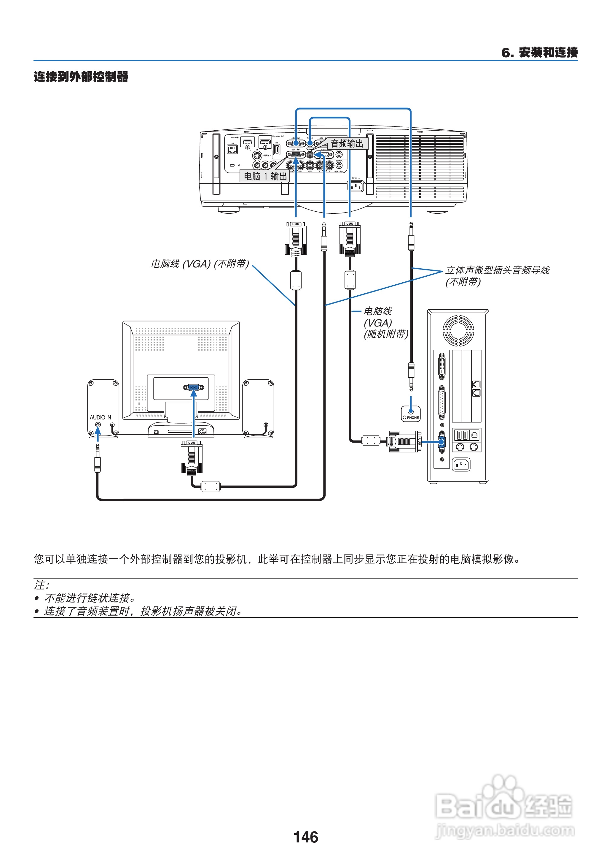
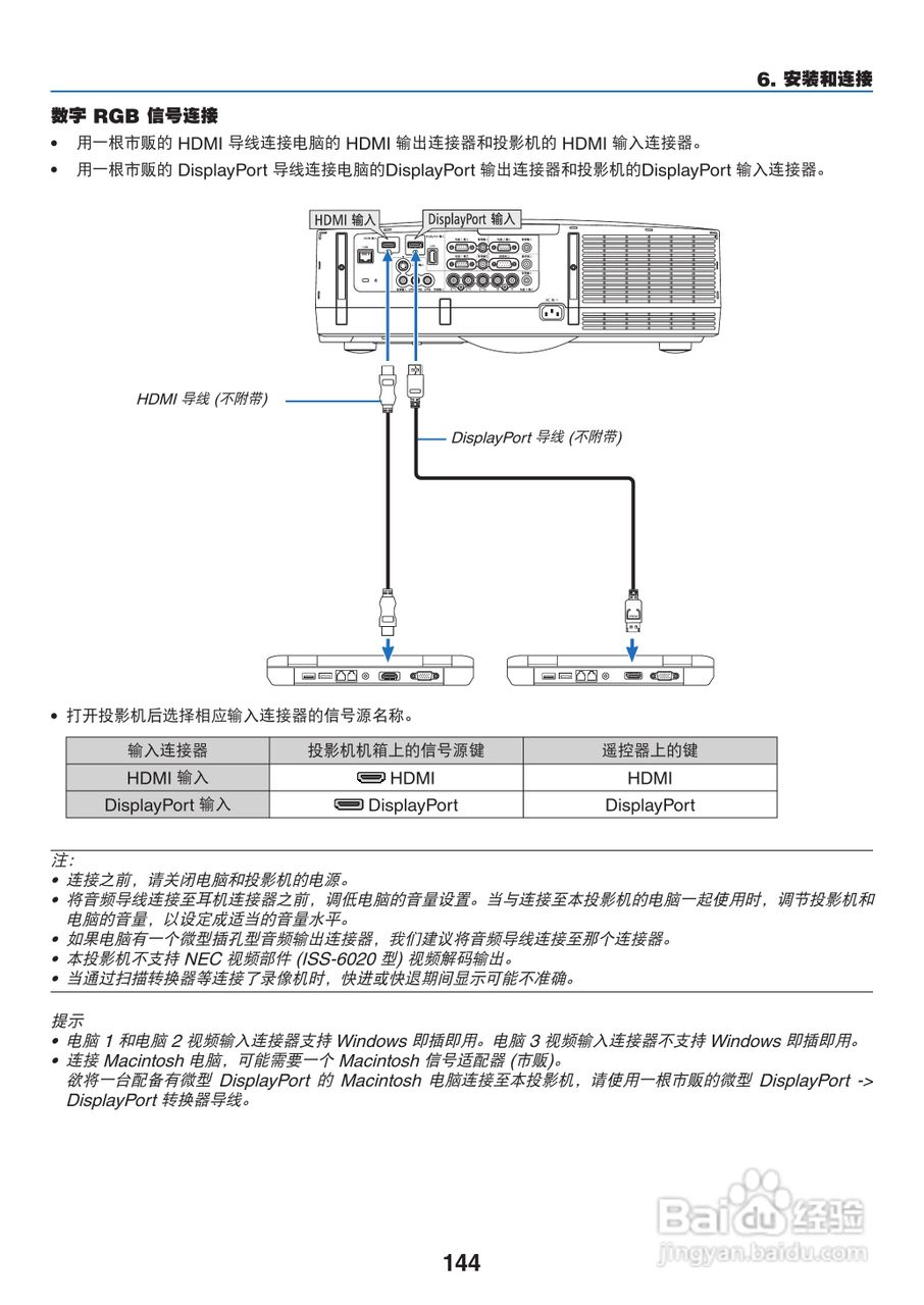
本篇为《日电NP-PA550W+投影机说明书》,主要介绍该产品的使用方法以及常见故障解决方案。
(共篇)
上一篇:
|
下一篇:
声明:
本网站引用、摘录或转载内容仅供网站访问者交流或参考,不代表本站立场,如存在版权或非法内容,请联系站长删除,联系邮箱:site.kefu@qq.com。
相关推荐
日电NP-PA550W+投影机说明书:[17]
阅读量:124
日电NP-PA550W+投影机说明书:[21]
阅读量:143
投影机怎样连接使用
阅读量:113
日电NP-PA550W+投影机说明书:[12]
阅读量:41
日电NP-PA550W+投影机说明书:[11]
阅读量:140
猜你喜欢
scr是什么意思
掉头发用什么洗发水
刺五加片的功效与作用
芒硝的作用
喜当爹什么意思
give是什么意思
桂皮的作用
显卡有什么作用
什么叫脱敏治疗
不拘小节的意思
猜你喜欢
okay是什么意思
索引的作用
热泪盈眶的意思
读书破万卷下笔如有神是什么意思
ta是什么意思
满目疮痍的意思
审视的意思
启示的意思
办结婚证需要什么手续
想方设法的意思