指南生活
首页
美食营养
手工爱好
生活家居
返回
指南生活
首页
美食营养
游戏数码
手工爱好
生活家居
健康养生
运动户外
职场理财
情感交际
母婴教育
时尚美容
知识问答
生活知识
生活百科
搜索
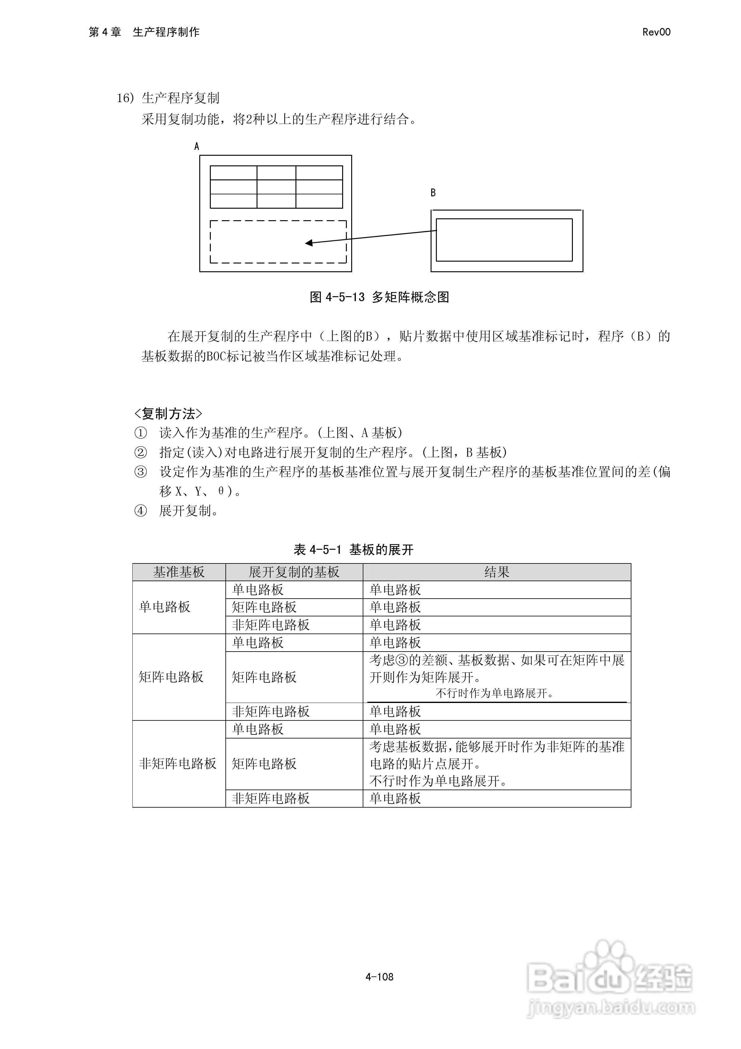
JUKI KE-2050R/2055R/2060R贴片机操作手册:[26]
2026-03-26 07:09:17
本篇为《JUKI KE-2050R/2055R/2060R贴片机操作手册》,主要介绍该产品的使用方法以及常见故障解决方案。
(共篇)
上一篇:
|
下一篇:
声明:
本网站引用、摘录或转载内容仅供网站访问者交流或参考,不代表本站立场,如存在版权或非法内容,请联系站长删除,联系邮箱:site.kefu@qq.com。
相关推荐
JUKI KE-2050R/2055R/2060R贴片机操作手册:[28]
阅读量:60
JUKI KE-2050R/2055R/2060R贴片机操作手册:[32]
阅读量:119
JUKI KE-2050R/2055R/2060R贴片机操作手册:[38]
阅读量:169
JUKI KE-2050R/2055R/2060R贴片机操作手册:[37]
阅读量:170
JUKI KE-2050R/2055R/2060R贴片机操作手册:[30]
阅读量:22
猜你喜欢
怎么打特殊符号
柔韧性训练的基本方法
长胖的方法
鱼的图片大全大图
风景图片大全
红烧肉的家常做法视频
万力轮胎质量怎么样
车标图片大全及名字
糖醋蒜怎么腌制最好吃
牛图片大全
猜你喜欢
苹果5s怎么越狱
解酒的最好方法
鸡蛋的做法大全家常
无线网密码怎么设置
怎样煲鸡汤好吃
牡丹花图片大全大图
闭嘴英语怎么说
大虾怎么做好吃
怎么看ip
鸽子怎么做好吃