指南生活
首页
美食营养
手工爱好
生活家居
返回
指南生活
首页
美食营养
游戏数码
手工爱好
生活家居
健康养生
运动户外
职场理财
情感交际
母婴教育
时尚美容
知识问答
生活知识
生活百科
搜索
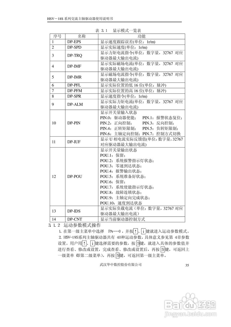
HSV-18S系列交流主轴驱动器使用说明书V3.4:[4]
2026-05-14 02:23:40
本篇为《HSV-18S系列交流主轴驱动器使用说明书V3.4》,主要介绍该产品的使用方法以及常见故障解决方案。
(共篇)
上一篇:
|
下一篇:
声明:
本网站引用、摘录或转载内容仅供网站访问者交流或参考,不代表本站立场,如存在版权或非法内容,请联系站长删除,联系邮箱:site.kefu@qq.com。
相关推荐
支付宝基金买入后怎么撤销
阅读量:166
支付宝购买基金怎么退款在哪看撤销购买的基金
阅读量:105
支付宝怎么撤销已经购买的基金?
阅读量:140
支付宝里面的基金怎么退出
阅读量:186
怎么把基金里的钱退出来
阅读量:23
猜你喜欢
小学什么时候开学
彤是什么意思
阿sir是什么意思
什么是资本主义
补办房产证需要什么手续
七情六欲是什么意思
桃李指什么
h是什么单位
华人是什么意思
三班倒是什么意思
猜你喜欢
房性早搏是什么意思
1955年属什么生肖
晚上睡觉磨牙是什么原因
c2驾照可以开什么车
偏头痛是什么原因
蚊子喜欢什么血型
黄油是什么做的
非负数是什么
银行流水是什么意思
安置房是什么意思