指南生活
首页
美食营养
手工爱好
生活家居
返回
指南生活
首页
美食营养
游戏数码
手工爱好
生活家居
健康养生
运动户外
职场理财
情感交际
母婴教育
时尚美容
知识问答
生活知识
搜索
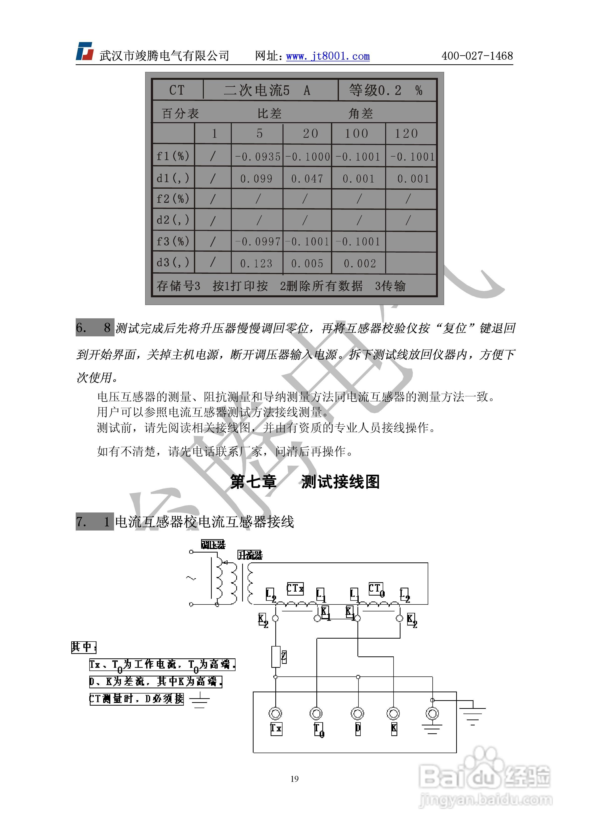
竣腾JT3011型互感器校验仪说明书:[2]
2025-12-22 08:18:28
本篇为《竣腾JT3011型互感器校验仪说明书》,主要介绍该产品的使用方法以及常见故障解决方案。
(共篇)
上一篇:
|
下一篇:
声明:
本网站引用、摘录或转载内容仅供网站访问者交流或参考,不代表本站立场,如存在版权或非法内容,请联系站长删除,联系邮箱:site.kefu@qq.com。
相关推荐
竣腾JT3011型互感器校验仪说明书:[1]
阅读量:43
合众HZTC-II型互感器现场校验仪说明书:[2]
阅读量:55
竣腾JT3011型互感器校验仪说明书:[3]
阅读量:77
DT025-L型互感器现场校验仪说明书
阅读量:77
竣腾JTVA-B互感器测试仪B型说明书:[1]
阅读量:88
猜你喜欢
什么是qdii
有什么好看的丧尸电影
酒干倘卖无的意思
当前什么最赚钱
周二祝福语
不毛之地是什么意思
别具匠心是什么意思
望闻问切的意思
睚眦必报的意思
topic是什么意思
猜你喜欢
什么视频格式最小
promise是什么意思
什么是黑色金属
大飞机是什么意思
30岁女人学什么技术
鱼露是一种什么调料
长草是什么意思
电圆锯什么牌子好
素年锦时什么意思
一元复始 万象更新是什么意思