指南生活
首页
美食营养
手工爱好
生活家居
返回
指南生活
首页
美食营养
游戏数码
手工爱好
生活家居
健康养生
运动户外
职场理财
情感交际
母婴教育
时尚美容
知识问答
生活知识
生活百科
搜索
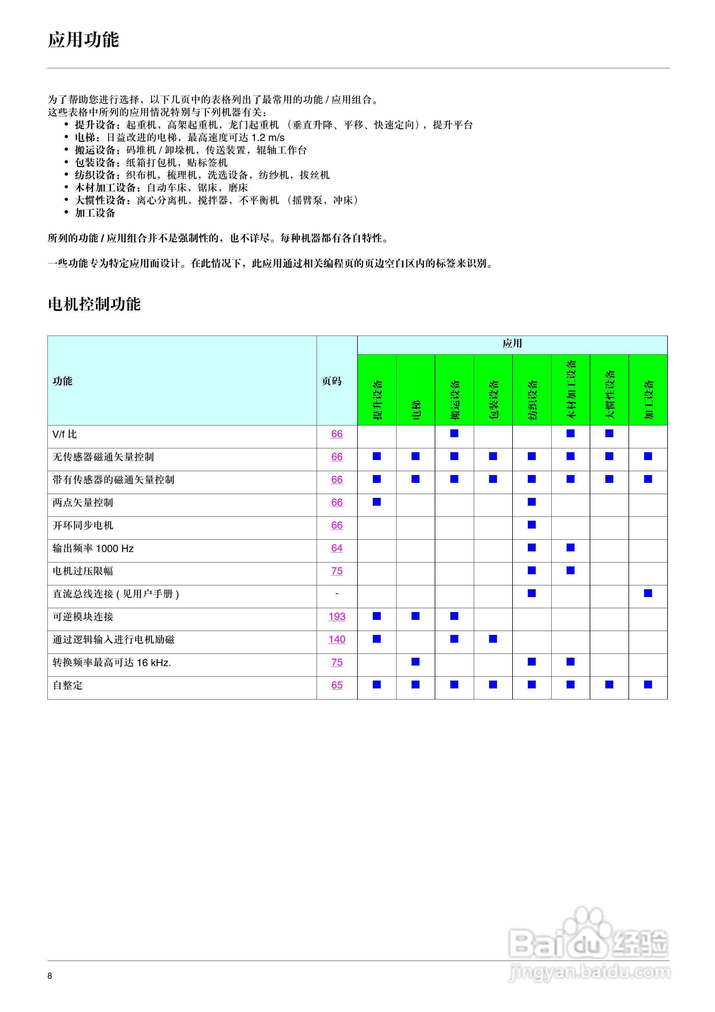
施耐德ATV71HD75N4变频器说明书:[1]
2026-05-10 12:32:34
本篇为《施耐德ATV71HD75N4变频器说明书》,主要介绍该产品的使用方法以及常见故障解决方案。
(共篇)
下一篇:
声明:
本网站引用、摘录或转载内容仅供网站访问者交流或参考,不代表本站立场,如存在版权或非法内容,请联系站长删除,联系邮箱:site.kefu@qq.com。
相关推荐
用万用表检测MOS管的好坏
阅读量:39
工控达人菜鸟篇——STEP 7 软件视图转换技巧
阅读量:56
怎样利用PLC的浮点数指令实现压力的计算?
阅读量:68
qd77ms16如何使用
阅读量:139
昌晖仪表-SWP交流电工仪表使用说明书:[2]
阅读量:34
猜你喜欢
荣耀7怎么样
公务员准考证怎么打印
元芳你怎么看歌曲
怎么练武术
修真教授生活录
如何防止妊娠纹
如何用电脑录音
摇钱树苗怎么种
梦幻西游宝宝怎么进阶
慈禧的秘密生活国语
猜你喜欢
如何腌制牛排
word是什么意思
域名重定向怎么解决
粉象生活
如何清理注册表
如何手机赚钱
践行是什么意思
外语程度怎么填
吸猫是啥意思是什么
奔奔mini怎么样