指南生活
首页
美食营养
手工爱好
生活家居
返回
指南生活
首页
美食营养
游戏数码
手工爱好
生活家居
健康养生
运动户外
职场理财
情感交际
母婴教育
时尚美容
知识问答
生活知识
生活百科
搜索
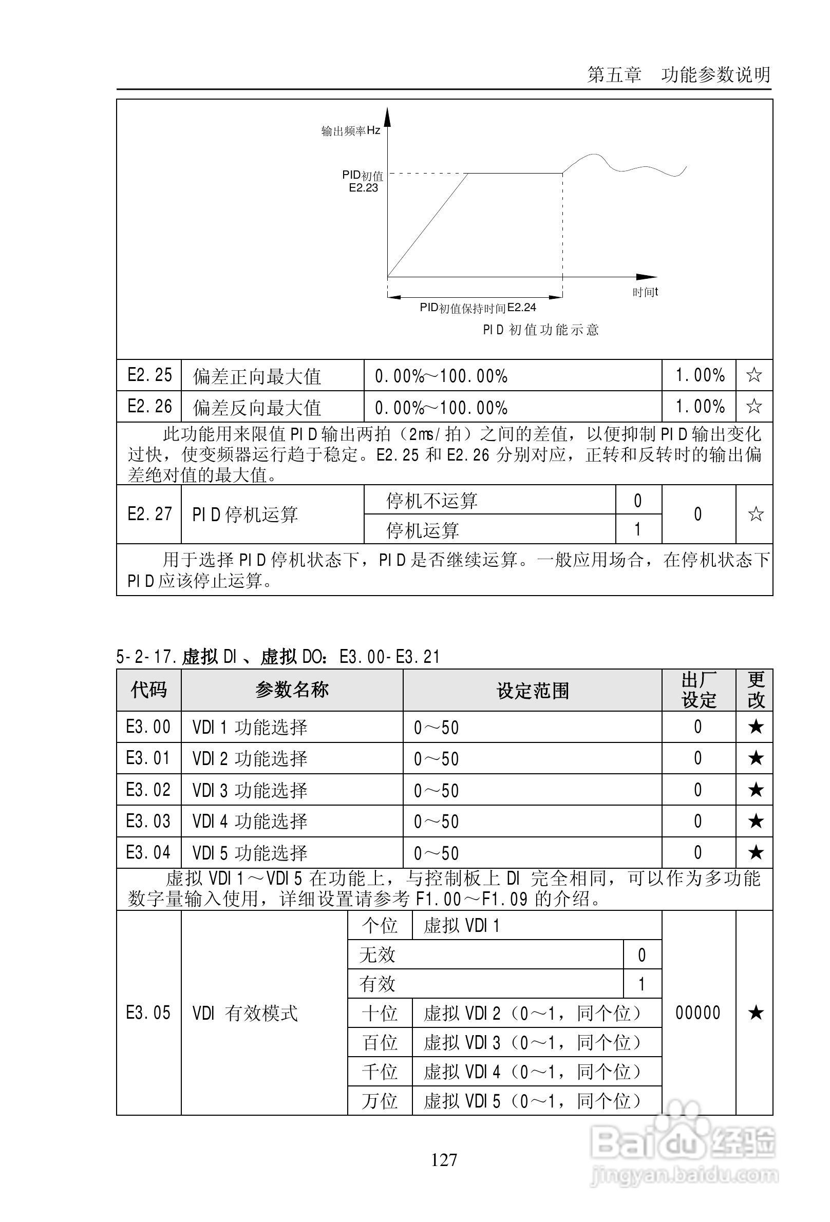
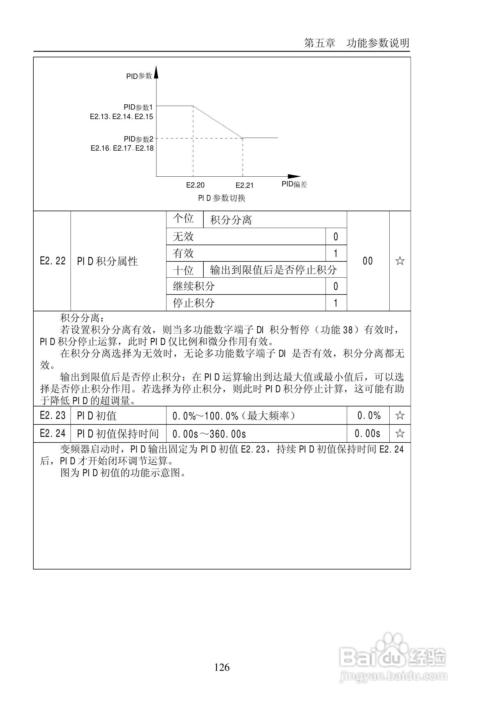
普传PI9200-075G2变频器使用说明书:[14]
2026-04-22 18:42:13
本篇为《普传PI9200-075G2变频器使用说明书》,主要介绍该产品的使用方法以及常见故障解决方案。
(共篇)
上一篇:
|
下一篇:
声明:
本网站引用、摘录或转载内容仅供网站访问者交流或参考,不代表本站立场,如存在版权或非法内容,请联系站长删除,联系邮箱:site.kefu@qq.com。
相关推荐
普传PI9200-075G2变频器使用说明书:[1]
阅读量:75
普传PI9200-075G2变频器使用说明书:[18]
阅读量:44
如何挑选红木家具花几
阅读量:125
如何选择纯净水设备清洗剂
阅读量:89
佳乐JR6000-055G/075P-4-1050变频器使用说明书:[15]
阅读量:194
猜你喜欢
嫡系是什么意思
羊水破了是什么症状
online是什么意思
直辖市是什么意思
宫颈病变是什么意思
nice什么意思
极兔速递属于什么快递公司
山头火命是什么意思
我懂得了什么作文
fmvp是什么意思
猜你喜欢
胸膜炎什么症状
saber是什么意思
不解藏踪迹的解是什么意思
with是什么意思
dvvt发动机是什么意思
aurora什么意思
wash是什么意思
什么是七情六欲
天道酬勤什么意思
什么是音节