指南生活
首页
美食营养
手工爱好
生活家居
返回
指南生活
首页
美食营养
游戏数码
手工爱好
生活家居
健康养生
运动户外
职场理财
情感交际
母婴教育
时尚美容
知识问答
生活知识
生活百科
搜索
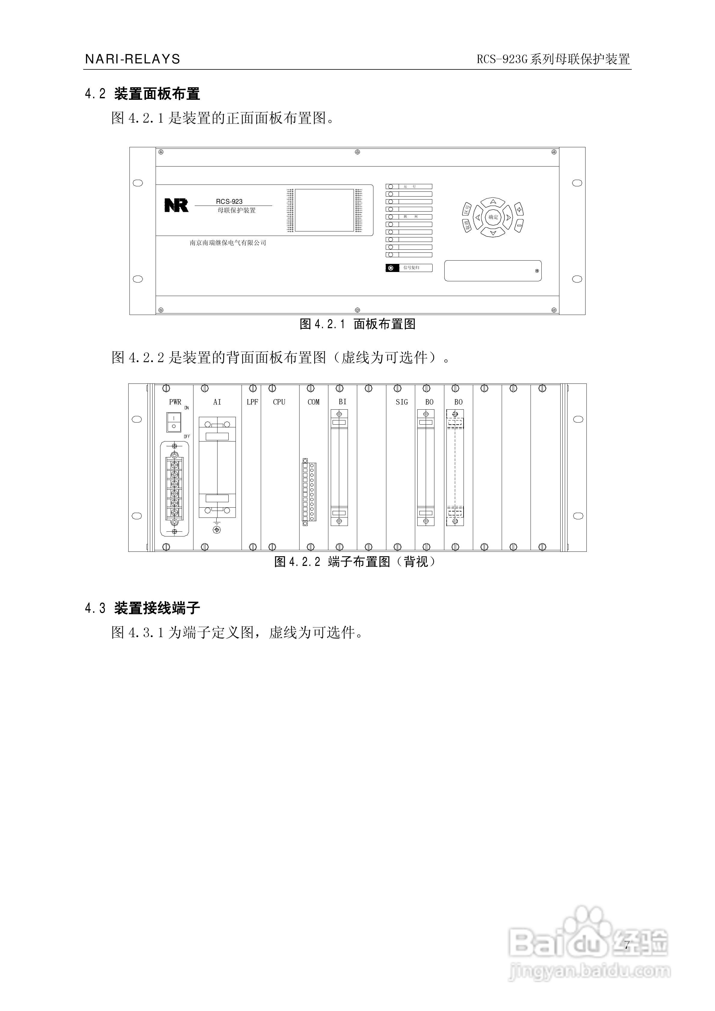
南瑞继保RCS-923G系列母联保护装置技术说明书:[1]
2026-03-25 16:39:43
本篇为《南瑞继保RCS-923G系列母联保护装置技术说明书》,主要介绍该产品的使用方法以及常见故障解决方案。
(共篇)
下一篇:
声明:
本网站引用、摘录或转载内容仅供网站访问者交流或参考,不代表本站立场,如存在版权或非法内容,请联系站长删除,联系邮箱:site.kefu@qq.com。
相关推荐
汽车坐垫哪种好
阅读量:100
OA办公系统软件功能及应用
阅读量:91
买二手车如何检查转向系统
阅读量:26
美诺Miele洗衣机W1612使用说明书:[6]
阅读量:155
广汽传祺GA4汽车雾灯如何调节
阅读量:93
猜你喜欢
寂寥的意思
酱紫是什么意思
买什么保险最好
饮湖上初晴后雨的意思
reverse是什么意思
什么是网络设备
network是什么意思
梦见小孩是什么意思
资源不足是什么意思
买手机上什么网站好
猜你喜欢
稚子弄冰古诗意思翻译
什么是erp管理系统
找什么工作有前途
什么水果含碱性
言传身教的意思
祝福词语大全
包容的意思
借鉴的意思
什么是控股公司
寄语是什么意思