湘仪动力FC2490 中冷器控制装置使用说明书:[1]
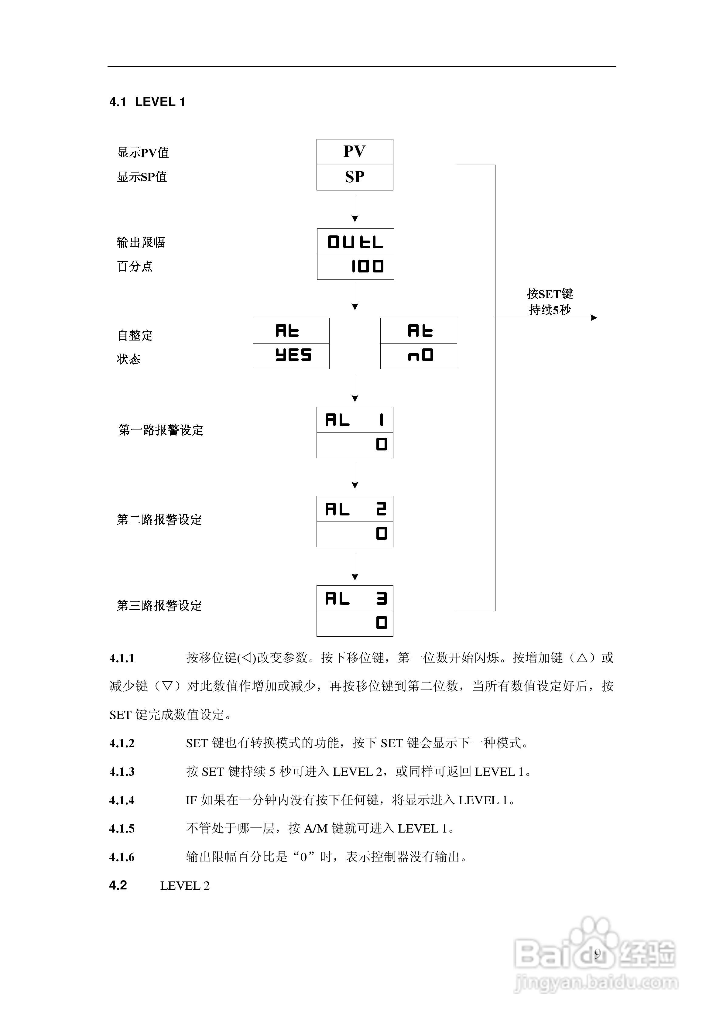
本篇为《湘仪动力FC2490 中冷器控制装置使用说明书》,主要介绍该产品的使用方法以及常见故障解决方案。
![湘仪动力FC2490 中冷器控制装置使用说明书:[1]](https://exp-picture.cdn.bcebos.com/75af02324b18512c2812f112ad334884cce34978.jpg)
![湘仪动力FC2490 中冷器控制装置使用说明书:[1]](https://exp-picture.cdn.bcebos.com/fdb4f00d3aceaad7c1882557eee7340f6578b878.jpg)
![湘仪动力FC2490 中冷器控制装置使用说明书:[1]](https://exp-picture.cdn.bcebos.com/e09173e89a6186258070e75d3b04541bd00faa78.jpg)
![湘仪动力FC2490 中冷器控制装置使用说明书:[1]](https://exp-picture.cdn.bcebos.com/430174fec314f1c5450d68743c27ac5307889d78.jpg)
![湘仪动力FC2490 中冷器控制装置使用说明书:[1]](https://exp-picture.cdn.bcebos.com/423041db3620b93a2c6a0970ad0f8835dc8a8a78.jpg)
![湘仪动力FC2490 中冷器控制装置使用说明书:[1]](https://exp-picture.cdn.bcebos.com/a749bb0f94fc508c6b2dee4d01775ddd894cfd78.jpg)
![湘仪动力FC2490 中冷器控制装置使用说明书:[1]](https://exp-picture.cdn.bcebos.com/90c61d1c99c0affce0620d9a2372941fbfe4ea78.jpg)
![湘仪动力FC2490 中冷器控制装置使用说明书:[1]](https://exp-picture.cdn.bcebos.com/19587f20a7cd0c6eeb162b06fed7997bbaf4dd78.jpg)
![湘仪动力FC2490 中冷器控制装置使用说明书:[1]](https://exp-picture.cdn.bcebos.com/ac45306817e951e1101c71e35e3da824d9e9cf78.jpg)
![湘仪动力FC2490 中冷器控制装置使用说明书:[1]](https://exp-picture.cdn.bcebos.com/05a320a23a42a07a8cf49586673834bb18efc178.jpg)
声明:本网站引用、摘录或转载内容仅供网站访问者交流或参考,不代表本站立场,如存在版权或非法内容,请联系站长删除,联系邮箱:site.kefu@qq.com。
阅读量:151
阅读量:118
阅读量:67
阅读量:121
阅读量:158
本篇为《湘仪动力FC2490 中冷器控制装置使用说明书》,主要介绍该产品的使用方法以及常见故障解决方案。
![湘仪动力FC2490 中冷器控制装置使用说明书:[1]](https://exp-picture.cdn.bcebos.com/75af02324b18512c2812f112ad334884cce34978.jpg)
![湘仪动力FC2490 中冷器控制装置使用说明书:[1]](https://exp-picture.cdn.bcebos.com/fdb4f00d3aceaad7c1882557eee7340f6578b878.jpg)
![湘仪动力FC2490 中冷器控制装置使用说明书:[1]](https://exp-picture.cdn.bcebos.com/e09173e89a6186258070e75d3b04541bd00faa78.jpg)
![湘仪动力FC2490 中冷器控制装置使用说明书:[1]](https://exp-picture.cdn.bcebos.com/430174fec314f1c5450d68743c27ac5307889d78.jpg)
![湘仪动力FC2490 中冷器控制装置使用说明书:[1]](https://exp-picture.cdn.bcebos.com/423041db3620b93a2c6a0970ad0f8835dc8a8a78.jpg)
![湘仪动力FC2490 中冷器控制装置使用说明书:[1]](https://exp-picture.cdn.bcebos.com/a749bb0f94fc508c6b2dee4d01775ddd894cfd78.jpg)
![湘仪动力FC2490 中冷器控制装置使用说明书:[1]](https://exp-picture.cdn.bcebos.com/90c61d1c99c0affce0620d9a2372941fbfe4ea78.jpg)
![湘仪动力FC2490 中冷器控制装置使用说明书:[1]](https://exp-picture.cdn.bcebos.com/19587f20a7cd0c6eeb162b06fed7997bbaf4dd78.jpg)
![湘仪动力FC2490 中冷器控制装置使用说明书:[1]](https://exp-picture.cdn.bcebos.com/ac45306817e951e1101c71e35e3da824d9e9cf78.jpg)
![湘仪动力FC2490 中冷器控制装置使用说明书:[1]](https://exp-picture.cdn.bcebos.com/05a320a23a42a07a8cf49586673834bb18efc178.jpg)