指南生活
首页
美食营养
手工爱好
生活家居
返回
指南生活
首页
美食营养
游戏数码
手工爱好
生活家居
健康养生
运动户外
职场理财
情感交际
母婴教育
时尚美容
知识问答
生活知识
搜索
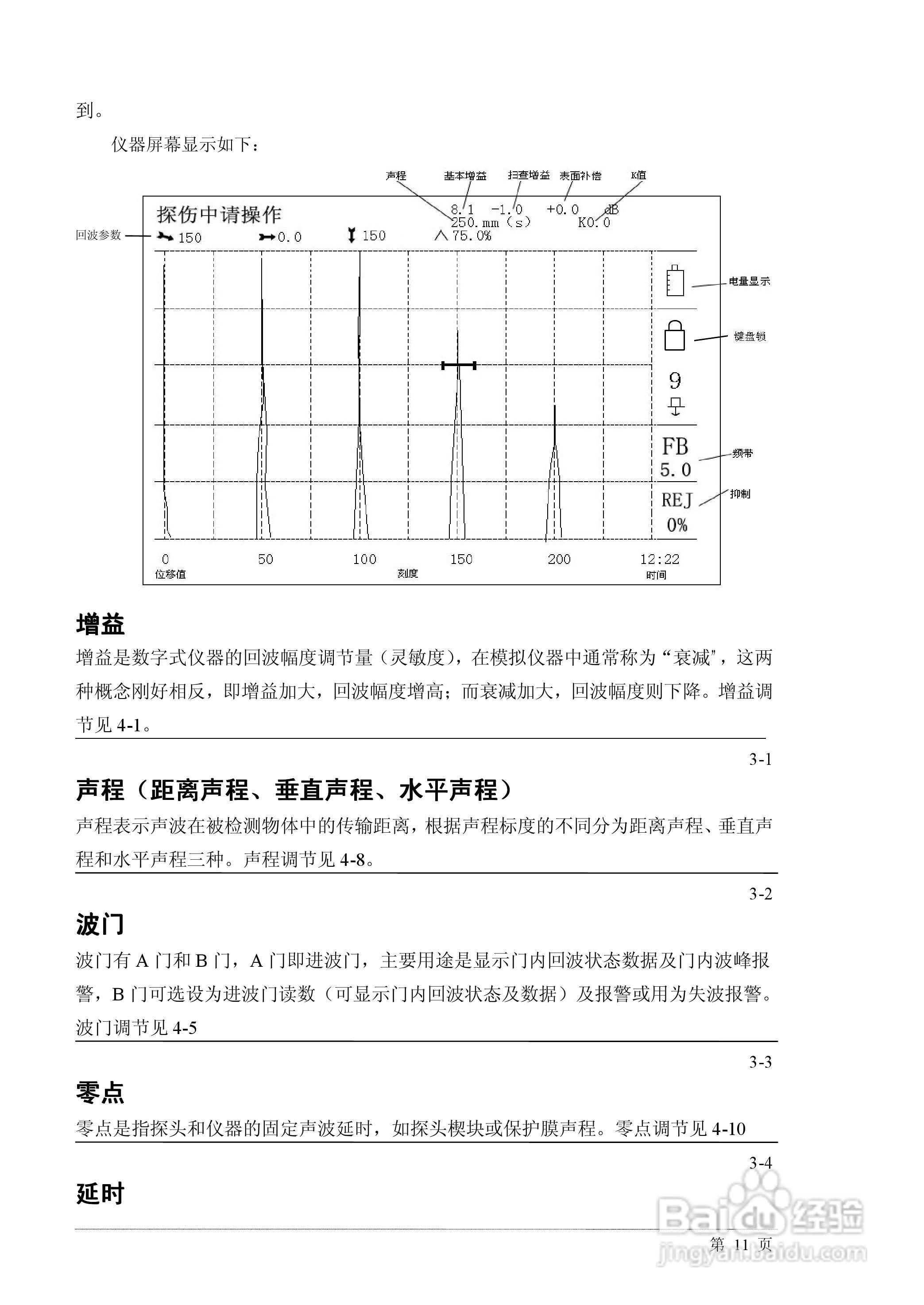
PXUT-350C 型全数字智能超声波探伤仪操作手册:[2]
2025-12-26 20:23:59
本篇为《PXUT-350C 型全数字智能超声波探伤仪操作手册》,主要介绍该产品的使用方法以及常见故障解决方案。
(共篇)
上一篇:
|
下一篇:
声明:
本网站引用、摘录或转载内容仅供网站访问者交流或参考,不代表本站立场,如存在版权或非法内容,请联系站长删除,联系邮箱:site.kefu@qq.com。
相关推荐
微信小游戏中国象棋残局三国演义第333关攻略
阅读量:165
微信小游戏中国象棋残局三国演义第293关攻略
阅读量:123
天天象棋残局闯关226关怎么解
阅读量:90
Axure如何画雷达图-Axure基础教程
阅读量:115
天天象棋第219关怎么过关
阅读量:26
猜你喜欢
摆布的近义词是什么
鼻子红是什么原因
大单托盘是什么意思
容易的反义词是什么
好逸恶劳是什么意思
碳酸钠是什么
什么是法人
什么食物补血
鱼与熊掌不可兼得是什么意思
know是什么意思
猜你喜欢
第一人称是什么
遗精是什么原因引起的
三支一扶考什么
arpu值是什么意思
7月11日是什么星座
auto空调是什么意思
dr是什么
more是什么意思
税负是什么意思
香港什么时候回归