指南生活
首页
美食营养
手工爱好
生活家居
返回
指南生活
首页
美食营养
游戏数码
手工爱好
生活家居
健康养生
运动户外
职场理财
情感交际
母婴教育
时尚美容
知识问答
生活知识
生活百科
搜索
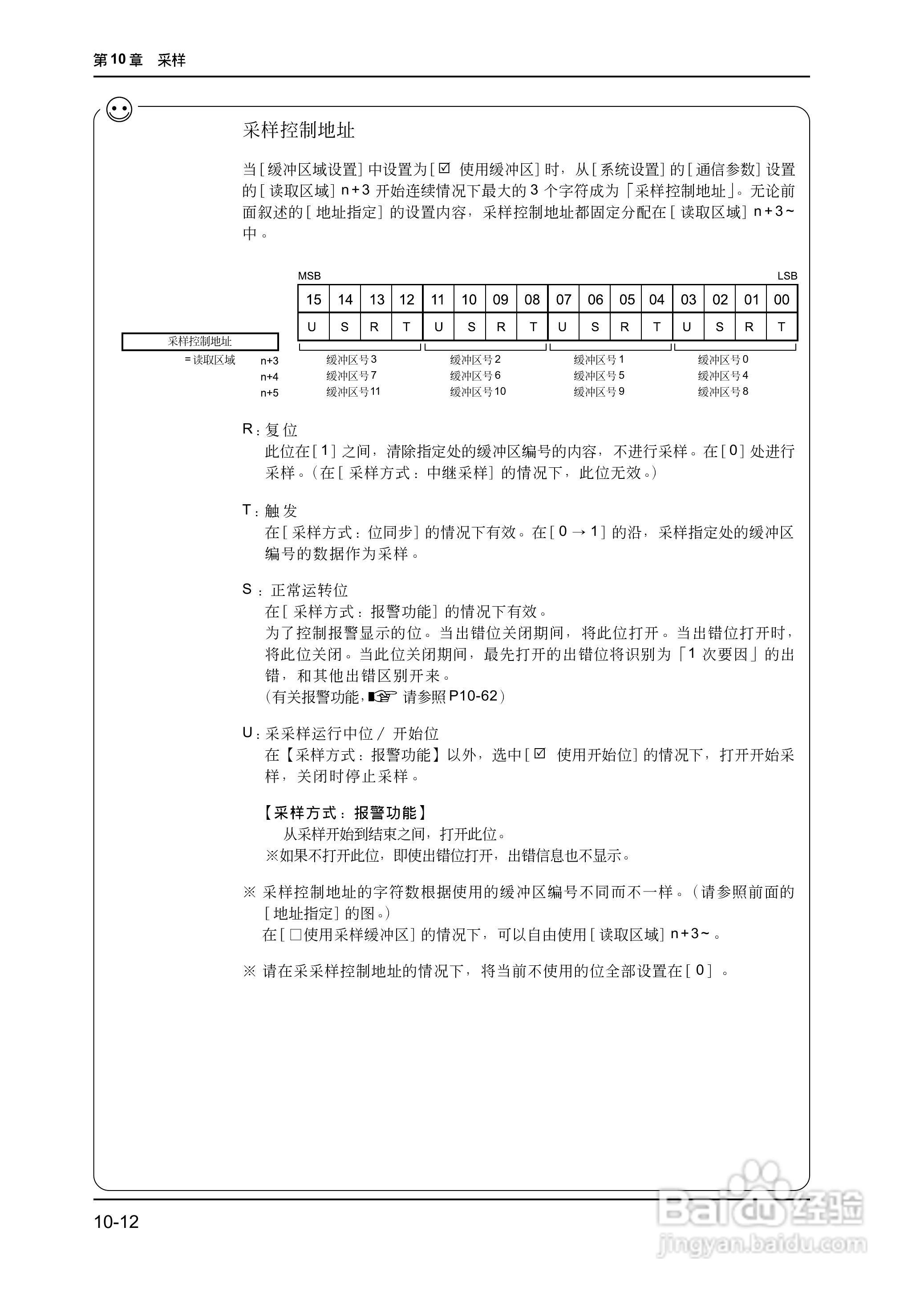
松下UG420H-E变频器使用说明书:[30]
2026-03-26 07:04:57
本篇为《松下UG420H-E变频器使用说明书》,主要介绍该产品的使用方法以及常见故障解决方案。
(共篇)
上一篇:
|
下一篇:
声明:
本网站引用、摘录或转载内容仅供网站访问者交流或参考,不代表本站立场,如存在版权或非法内容,请联系站长删除,联系邮箱:site.kefu@qq.com。
相关推荐
松下UG420H-E变频器使用说明书:[31]
阅读量:134
松下UG420H-E变频器使用说明书:[25]
阅读量:43
松下UG420H-E变频器使用说明书:[72]
阅读量:191
变频器调试接线教程
阅读量:75
松下UG420H-E变频器使用说明书:[71]
阅读量:116
猜你喜欢
市净率是什么意思
旭字五行属什么
吹气球是什么意思
朝圣是什么意思
操作系统是什么的接口
1989年属什么
郑州有什么好玩的地方
other是什么意思
大学挂科有什么影响
bored是什么意思
猜你喜欢
女人梦见猫是什么预兆
尿频是什么原因导致的
锤子是什么意思
painting是什么意思
1月3日是什么星座
9月18日是什么纪念日
银行贷款需要什么条件
王者赛季什么时候结束
友谊是什么
12月20日是什么星座