指南生活
首页
美食营养
手工爱好
生活家居
返回
指南生活
首页
美食营养
游戏数码
手工爱好
生活家居
健康养生
运动户外
职场理财
情感交际
母婴教育
时尚美容
知识问答
生活知识
搜索
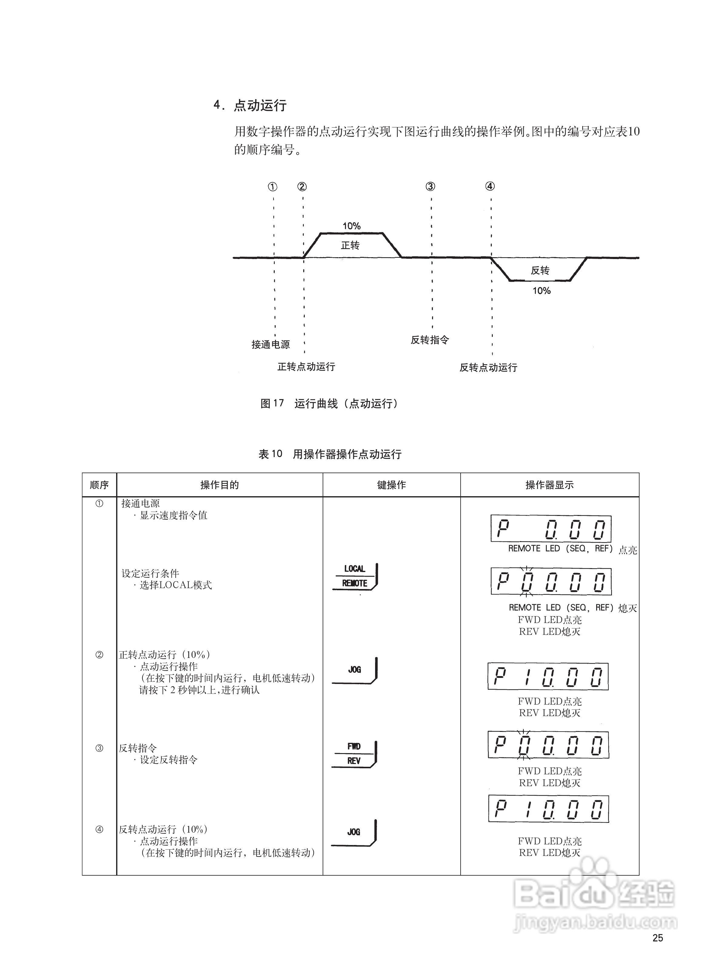
varispeed-676gl5-ip电梯专用变频器使用说明:[4]
2026-02-24 17:46:42
本篇为《varispeed-676gl5-ip电梯专用变频器使用说明》,主要介绍该产品的使用方法以及常见故障解决方案。
(共篇)
上一篇:
|
下一篇:
声明:
本网站引用、摘录或转载内容仅供网站访问者交流或参考,不代表本站立场,如存在版权或非法内容,请联系站长删除,联系邮箱:site.kefu@qq.com。
相关推荐
变频器调试接线教程
阅读量:100
安川变频器676H5、656DC5 故障灯对应功率单元
阅读量:100
变频器的使用方法KERNTECH
阅读量:179
变频器维护提示
阅读量:91
变频器维修步骤
阅读量:21
猜你喜欢
闪卡是什么
酵母粉是什么
什么是利润
error什么意思
头晕是什么原因
例外是什么意思
角质是什么
时光荏苒是什么意思啊
抑郁症是什么症状
是谁家的姑娘是什么歌
猜你喜欢
服务是什么
dirty是什么意思
健康码是什么
winter是什么意思
无怨无悔爱一场是什么歌
多愁善感是什么意思
口是心非是什么意思
副词是什么
邀请码是什么
圆脸女生适合什么发型