指南生活
首页
美食营养
手工爱好
生活家居
返回
指南生活
首页
美食营养
游戏数码
手工爱好
生活家居
健康养生
运动户外
职场理财
情感交际
母婴教育
时尚美容
知识问答
生活知识
生活百科
搜索
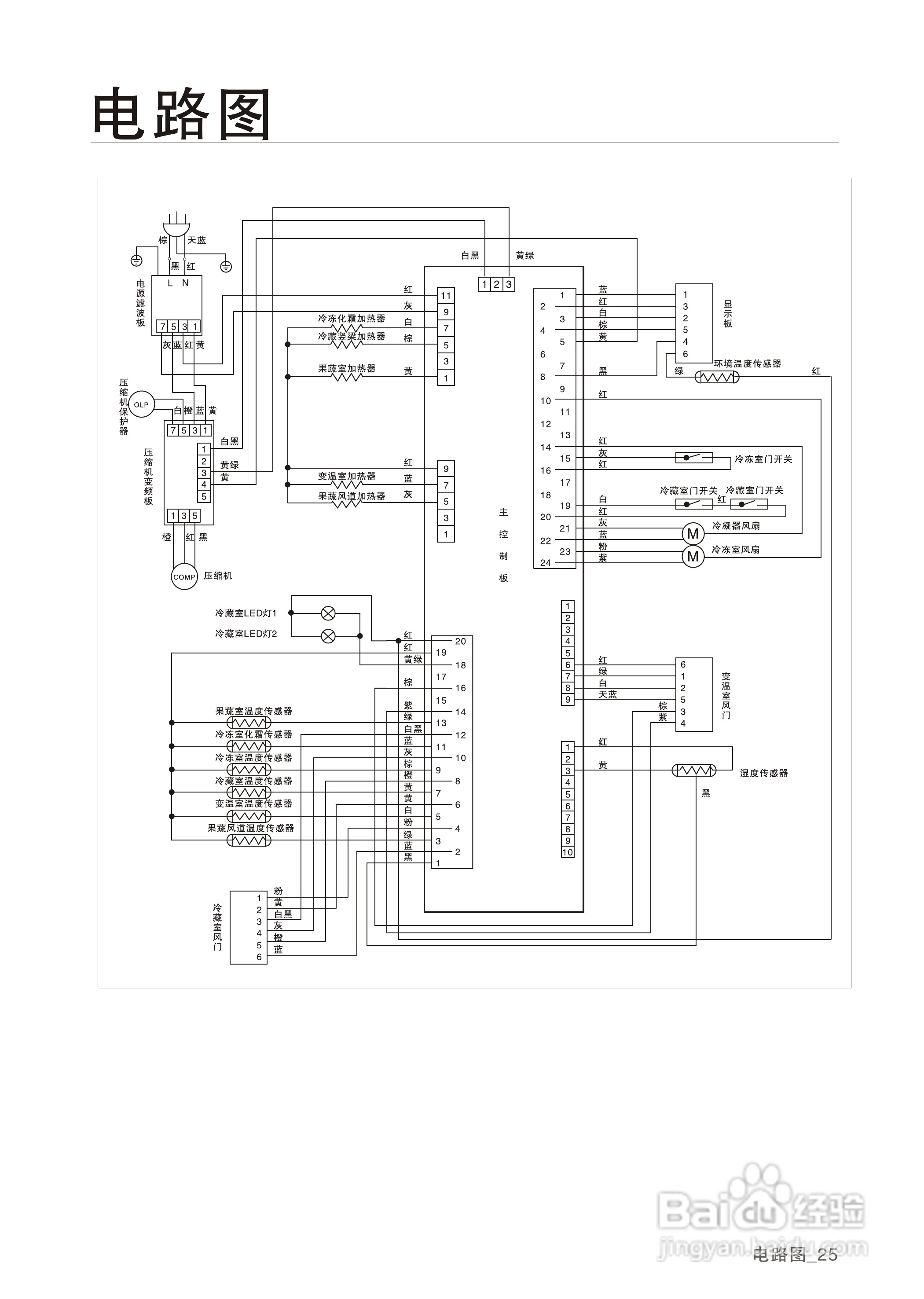
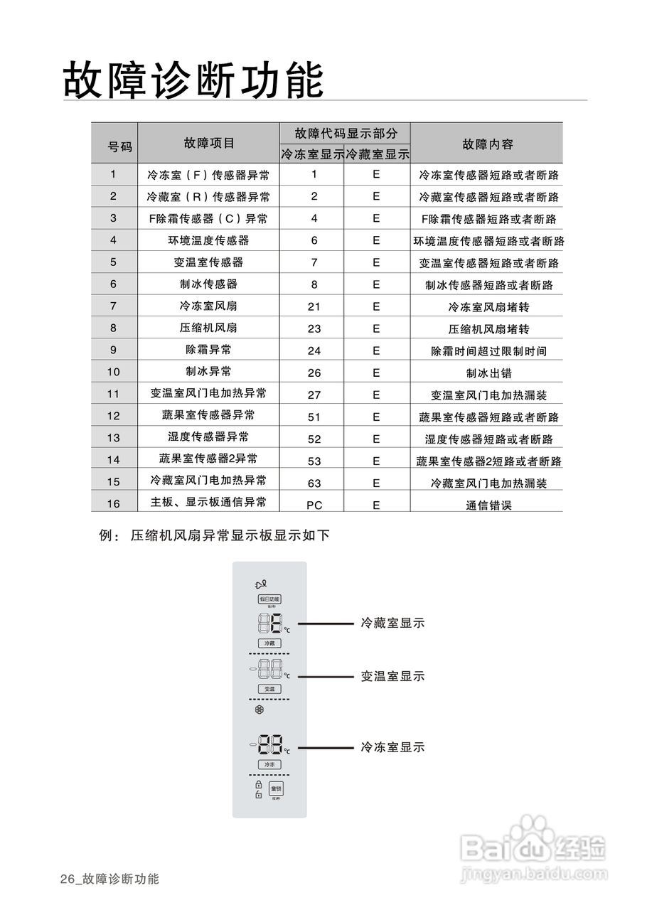
三星BCD-410DPT5J1电冰箱使用说明书:[3]
2026-05-31 11:51:52
(共篇)
上一篇:
声明:
本网站引用、摘录或转载内容仅供网站访问者交流或参考,不代表本站立场,如存在版权或非法内容,请联系站长删除,联系邮箱:site.kefu@qq.com。
相关推荐
西门子KK22E28TI电冰箱使用说明书:[2]
阅读量:121
海尔BCD-206TCF电冰箱使用说明书
阅读量:105
LG GR-S25DDH电冰箱使用说明书:[1]
阅读量:106
LG GR-P2075THN电冰箱使用说明书:[7]
阅读量:39
海尔BCD-208BSC电冰箱使用说明书:[4]
阅读量:180
猜你喜欢
喝酒后头疼怎么办
which怎么读
玲珑轮胎质量怎么样
月经来了肚子痛怎么办
燕窝是怎么形成的
减号怎么打
电费怎么算
because怎么读
贷款年利率怎么算
口里发苦是怎么回事
猜你喜欢
羊排怎么做好吃
飞机票怎么买
森田面膜怎么样
企业邮箱怎么申请
qq群主怎么转让
圭臬怎么读
开机密码忘了怎么办
红虫怎么挂钩
重庆大学怎么样
library怎么读