指南生活
首页
美食营养
手工爱好
生活家居
返回
指南生活
首页
美食营养
游戏数码
手工爱好
生活家居
健康养生
运动户外
职场理财
情感交际
母婴教育
时尚美容
知识问答
生活知识
生活百科
搜索
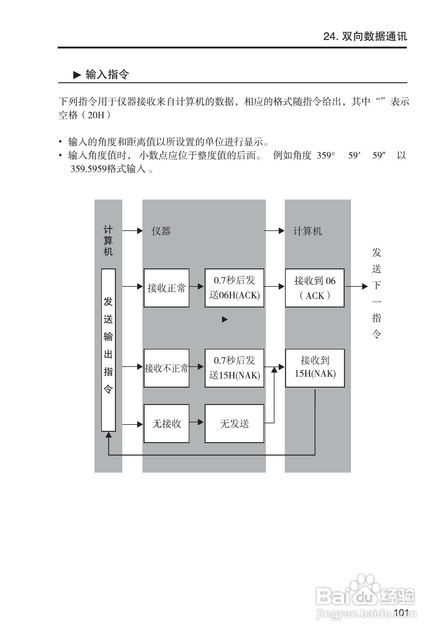
索佳SET210、510、610全站仪(光波测距经纬仪)使用手册:[11]
2026-05-03 03:40:20
本篇为《索佳SET210、510、610全站仪(光波测距经纬仪)使用手册》,主要介绍该产品的使用方法以及常见故障解决方案。
(共篇)
上一篇:
|
下一篇:
声明:
本网站引用、摘录或转载内容仅供网站访问者交流或参考,不代表本站立场,如存在版权或非法内容,请联系站长删除,联系邮箱:site.kefu@qq.com。
相关推荐
索佳SET210、510、610全站仪(光波测距经纬仪)使用手册:[13]
阅读量:29
索佳SET210、310、510、610全站仪(光波测距经纬仪)使:[1]
阅读量:183
经纬仪怎样安置?
阅读量:48
索佳SET210、310、510、610全站仪(光波测距经纬仪)使:[4]
阅读量:134
索佳SET210、310、510、610全站仪(光波测距经纬仪)使:[2]
阅读量:49
猜你喜欢
怎么说我不爱你张惠春
奈何boss又如何小说
手机忘了密码如何解锁
u盘如何加密
身份证如何挂失
阿卡索英语怎么样
河北旅游职业技术学院
尽头牙痛怎么办
淋巴细胞比率偏高是怎么回事
凤凰山旅游
猜你喜欢
新房装修后如何除甲醛
如何找回微信密码
如何恢复微信聊天记录
旅游景点天气预报
化妆品在哪里进货
健客网上药店怎么样
怎么修改路由器密码
广东旅游网
如何让鼻子变小
如何办理营业执照