指南生活
首页
美食营养
手工爱好
生活家居
返回
指南生活
首页
美食营养
游戏数码
手工爱好
生活家居
健康养生
运动户外
职场理财
情感交际
母婴教育
时尚美容
知识问答
生活知识
搜索
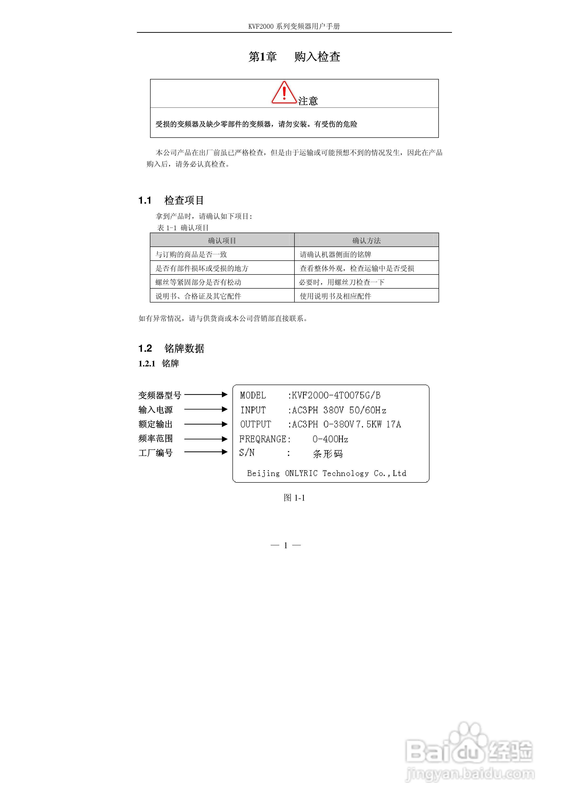
KVF2000系列变频器使用说明书:[1]
2026-01-10 03:17:56
本篇为《KVF2000系列变频器使用说明书》,主要介绍该产品的使用方法以及常见故障解决方案。
(共篇)
下一篇:
声明:
本网站引用、摘录或转载内容仅供网站访问者交流或参考,不代表本站立场,如存在版权或非法内容,请联系站长删除,联系邮箱:site.kefu@qq.com。
相关推荐
AE2576降压型开关稳压电源控制器技术说明书Ver1.0.:[1]
阅读量:41
飞利浦BDP7500BL/98蓝光光盘播放机使用说明书:[1]
阅读量:115
小米盒子安装直播软件方法
阅读量:192
易驱ED2800-4T0022M变频器说明书:[3]
阅读量:108
长城炫丽CROSS款AMT雪地模式设置
阅读量:76
猜你喜欢
安然无恙的恙是什么意思
母亲节的祝福语
钱包用什么颜色招财
浩浩荡荡是什么意思
什么是瓷片
春风又绿江南岸的意思
only的意思
improve是什么意思
惠存的意思
material是什么意思
猜你喜欢
做淘宝美工要学什么
妈妈生日祝福语
cock是什么意思
puzzle是什么意思
股票的意思
鬼吹灯什么时候更新
志存高远的意思
恍然大悟的意思是
阳光的意思
research是什么意思