太阳膜、防盗器和语音报警 详解汽车防护
1、第一节汽车太阳膜
一、太阳膜的种类
二、太阳膜的性能指标 1.清晰性能 2.隔热率 3.防爆 4.紫外线隔断率 5.颜色 6.胶与颗粒泡 7.防眩光 8.膜面防划伤层(耐磨保护层)
三、汽车防爆太阳膜的功能
(1)创造最佳美感
防爆太阳膜能使汽车的风窗玻璃显现艳丽悦目的颜色。
(2)提高防爆性能
汽车防爆太阳膜可以提升意外发生时汽车的安全性能,使汽车玻璃破碎的可能性降到最低,最大限度地避免意外事故对乘员的伤害。
(3)提高空调效能
汽车防爆太阳膜的隔热率可达50%~95%,能有效阻断阳光热量进入车内有效地降低汽车空调的使用,节省燃油,提高空调效率。
(4)抵御有害紫外线
紫外线辐射具有杀菌作用,但对人的肌肤也具有侵害力,对于乘员来说,长时间乘车时,人体基本上处于静止状态,此时更易受到紫外线伤害,造成皮肤疾病。
(5)保证乘车隐秘性
防爆太阳膜具有单向透视性,可保证乘车的隐秘性。
四、太阳膜选用原则 1.膜的透光度和清晰性 2.隔热率是体现隔热性能的重要指标 3.防爆性能 4.紫外线阻隔率 5.颜色 6.膜面防划伤层
五、前风窗玻璃太阳膜的选择
六、汽车防爆膜质量鉴别 (1)看 1)看透光率。 2)看颜色。
3)看气泡。 (2)摸优质太阳膜摸捏时有厚实平滑感,劣质太阳膜手感薄而脆。 (3)试对于太阳膜的隔热性只凭肉眼看和手摸是很难鉴别的,可以通过一个简单的测试方法来作比较,在一个碘钨灯上放一块贴着太阳膜的玻璃,用手感觉不到一丝热的是优质太阳膜,而立即有烫手感觉的则是隔热性较差的劣质太阳膜。
七、太阳膜的安装
(1)外部清洗从乘客前侧门的位置开始以顺时针方向,清洁每块玻璃的外表面。 (2)轮廓裁切在车窗玻璃外表面上喷洒少量的窗膜安装液,把太阳膜覆盖其上,剥离膜朝外,小心地滑动定位后,开始沿边框四周裁剪窗膜的大小。(3)热定形由于几乎所有玻璃窗都有轻微的球形弯曲,妨碍窗膜在玻璃上铺平,这种现象被称作为皱褶。 (4)玻璃内表面清洗当裁切和热定形完成后,玻璃的内表面必须采用液体清洗剂清洗处理。 (5)剥离保护膜玻璃清洗完成后,撕去太阳膜的保护膜,用安装液喷洒暴露的安装胶。 (6)太阳膜的铺贴随着保护膜的剥离和安装液喷洒在玻璃与太阳膜的粘胶层上,将太阳膜小心地滑移到位。 (7)挤水工艺太阳膜滑移到位后,应立即在太阳膜表面再次喷洒安装液,润滑需挤水的表面。 (8)边部检查、密封边缘检查太阳膜的所有边缘,并用特氟隆硬片(或其他同系列工具)挤封。(9)最后清洁和检查安装工作完成后,仔细地擦洗所有的车窗玻璃(内表面和外表面),去除条纹水迹和污迹。 (10)移交在日光下检查有无缺陷后,准备提交汽车给客户,并向客户解释基本的保养和维护。
八、粘贴太阳膜的注意事项
(1)使用专用无尘贴膜间汽车玻璃贴膜过程中,不能有任何的疵点和杂物颗粒,因此专业安装必须在无尘贴膜间内施工。 (2)使用贴膜专业工具材质粗糙的非专用工具功能模糊,往往一物多用。 (3)使用专用化学药水贴膜应使用专用贴膜清洗液和安装液,并用纯净水兑稀,使玻璃达到最佳清洁程度,使膜与玻璃达到最大粘结强度,不引起翘边、脱层的缺陷,达到长期的质保效果。(4)注意安装工艺技术专业的贴膜师应经过生产厂商技术培训,贴前后风窗玻璃时应采用整张铺贴和干法热定形工艺,太阳膜应最大化地贴到玻璃窗的边缘等。 (5)注意安装时防护措施贴膜时应该采取防护措施,防止在安装过程中刮花漆面、损伤车内装饰品、造成车内电器和音响因受潮而短路失效;避免因安装窗膜而座椅受潮损伤、仪表板表面意外刮伤或因受潮而失灵。
第二节汽车防盗装置
一、常见汽车防盗装置的种类
1.机械式防盗装置
2.电子防盗装置 1)服务功能。 2)警惕提示功能。 3)报警提示功能。 4)防盗功能。
3.芯片式数码防盗器
4.网络式防盗系统
5.典型汽车防盗系统基本原理
(1)点火控制型防盗器点火控制型防盗器主要采用控制点火装置的模块,对点火系统进行控制,在车主离开汽车并打开防盗系统后,如有人非法进入车内,并试图用非法配制的点火钥匙起动车辆,这时,点火电路受控制模块防盗装置的作用,拒绝提供发动机运转所需的点火功能,同时也可防止点火开关的线路接通,并通过音响报警装置向车主或车场保管人员通报。
(2)油路防盗系统油路防盗系统的基本原理与点火控制防盗系统相似。
(3)美国Code Alarm汽车防盗系统目前所有防盗器最重要的部分是遥控的功能,因为遥控器就相当于汽车的钥匙,一旦被复制,防盗功能便荡然无存。
(4)其他防盗系统瑞典Volvo汽车公司S80型轿车开发出一套新型防盗系统,其中既有机械式、也有电子式,还有防砸功能。 二、汽车防盗装置的组成

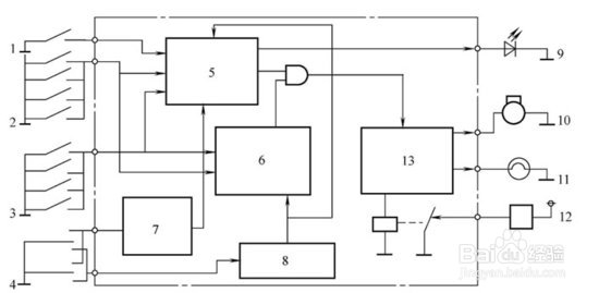
2、汽车电子防盗报警系统组成:1—汽车钥匙插入开关2—车门开关3—锁门开关4—点火开关5—报警状态设置电路6—是否盗贼检测判断电路7—30s定时器8—解除报警器9—LED指示灯10—报警器11—报警灯12—起动断电器13—报警电路
1.防盗保险装置
(1)系统动作调置所有的车门、发动机盖及行李箱关闭时,进行车门锁止,使防盗保险系统进入预警状态。 (2)闯入车厢检测当打开车门非法闯入车厢时能立即报警。 1)开闭开关。 2)电流电压。 3)超声波。 4)车辆姿势。 (3)警报 1)喇叭鸣叫。 2)前照灯、尾灯、转向灯闪烁。 3)起动电路隔断。4)指名呼叫。
2.防盗报警装置

3、(1)防盗报警装置的基本构造如上图所示为该种装置框图。 (2)防盗报警装置的调置/重调置的方法调置方法可分为主动式与被动式两种。

4、(3)检测方法盗车检测的基本方法是,开启车门是在不正常的情况下进行操作。 (4)报警与阻止车辆行驶的方法报警方法通常采用喇叭鸣叫或灯光闪亮的方式。 (5)防盗装置的可靠性防盗装置必须安全可靠,绝不允许在深夜或者蓄电池电压增加时发生误动作。

5、3.电控中央门锁
(1)控制部分控制部分包括输入器、存储器、鉴别器、编码器、驱动级、抗干扰电路、显示装置、保险装置和电源等部分。 (2)执行机构中央门锁执行机构分两种形式:一种是电磁线圈形式,另一种是直流电动机形式。
三、防盗装置的安装
1.防盗器安装前检查原车电路 1)中控锁电路:用原车钥匙(或中控锁开关)开启/关闭左前车门,观察所有车门是否在同一时间内开启/关闭。 2)车门开关:分别打开各车门,检查所有车门检测开关,是否接触正常,观察分别打开车门时,车顶灯是否正常亮。3)启动电路:用车钥匙旋转到ON位置,观察仪表盘内各指示灯亮起情况(如气囊、ABS、充电、发动机故障灯等),然后正常起动车辆,再观察各指示灯熄灭情况有无异常。 4)转向灯电路:钥匙转ON位置,分别打开左右转向灯开关,观察左右闪光灯频率(速度)是否一样(打开紧急双闪灯开关也可对转向灯电路进行检查)。
2.安装中配线注意事项
1)找出适合安装主机的位置(空调冷气出风口除外),仔细观察装饰板的结构状况,因为对接配线时须拆装装饰板。 2)中控锁线路部分连接,因车型不同,触发方式差别较大。3)门开关检测线连接时一定要接顶灯控制总线(四门总线),不要接在左前门的门开关线上,因为主门开关线和其他门开关线,是由加有的二极管分离开的,相互不连通,避免装防盗后在设定警戒时,出现开后门不报警现象。 4)断电器的连接中一定要先确认好点火线、燃油泵的控制线、启动线后再选择断开哪一路(断开起动线时没有防抢功能),防盗主机输入ON线要对接在断开电路上端。 5)电源负极导线最好与原车接地连接,电源正极线应在其他配线连接好后最后连接,所有配线一定要用绝缘胶布包扎牢固。
3.安装完成的功能测试
1)防盗器主机所有配线连接完成后,要先进行调试后再装上装饰板。2)关好所有车门用遥控器设定防盗10s后,振动车辆防盗器应立刻发出报警声音,振动感应器的灵敏度大小,可根据安装车型大小做适量调整。 3)全部功能测试完成后,应向车主讲解简单的常用功能操作方法,包括遥控和接收的大约距离,遥控器的电池使用时间,紧急解除开关的使用。 1)发动机断电回路继电器不要安装。 2)原车黄色线不要测量。 3)防盗器的中控锁配线与原车中控锁配线应合理连接。

6、四、汽车防盗装置实例
1.大众汽车系防盗系统

7、2.通用(GM)车系防盗系统

8、(1)工作电路将自动变速器打到P位(驻车)或N位(空挡),插入点火钥匙打到启动挡(START),防盗电脑即进行检测,将检测结果传递给中央控制电脑,中央控制电脑将电阻阻值与中央电脑板内部设定的特定电阻阻值相对比,二阻值若为同一挡,中央控制电脑就向A点提供一个低电位,将起动继电器控制电路搭铁而接通。
(2)通用(GM)防盗系统的性能检测 1)测量步骤:①将发动机盖、车门、油箱盖、行李箱门都关好。 2)钥匙的复制:通用车钥匙内部有设定电阻,复制钥匙的方法自然与一般不同,需要用专用仪器J35628-A进行复制。 (3)GM的遥控中央门锁控制系统GM的遥控中央门锁控制系统英文简称为RKE(Remote Keyless Entry)。 1)A型与W型车身系列的设定:其设定步骤如下:①将点火开关处于KEY-OFF位置。 2)C型、H型和F型车身系列设定过程:①将点火开关处于KEY-OFF位置。 3)Corvette车型:①将点火开关转到RUN位置。
第三节汽车语音报警系统
一、奥迪A6轿车倒车声纳报警系统


9、1.系统结构
2.工作过程
1)当挂上倒挡时,声纳倒车警报系统即开始工作,发出“嘟嘟”的声音表明该系统状态良好。 2)当车与障碍物相距1.6m时,可听见间歇警报声。

10、二、丰田轿车倒车安全报警系统

11、1.注重内饰纤维物的配置 2.注重选择车蜡 3.注重静电放电器的使用
第四节:安装静电放电器
经常与汽车打交道的朋友一定会体会到汽车静电的厉害,它不但给您驾车与乘车带来不便,还可能引起意外事故。许多朋友在一起经常探讨如何彻底消除汽车静电。不外乎安装空气静电放电器、搭链静电放电器和打防静电蜡等措施。究竟怎样才能彻底消除汽车静电呢?如下的系统方案可为您提供参考:
首先要注重内饰纤维物的配置。纤维织物的摩擦是重要的汽车静电来源,特别是化纤产品,更易摩擦起电,因此在选择座套、座垫及脚垫等用品时,推荐使用真皮、毛料或纯棉制品。
其次注重选择车蜡。车蜡具有防电作用,但不同种类车蜡防静电能力不同。若您的车静电易于产生,不妨采用防静电专用车蜡,效果会更加明显。
最直接的解决方法就是使用车载静电放电器,车载静电放电器包括两种类型,一种是空气静电放电器,另一种是搭链式放电器,最好让这两种放电器组合使用,实践表明,单一类型的放电器放电效果都无法与组合放电相媲美。
现在防止静电的车用品已有不少,放电天线是其中一种,可以装在汽车尾箱上。还有一种是放电条,可以一头装在尾气管或后保险杠上,另一头接地。原理是金属与车身紧接,将电导流到地上。也将在车钥匙上安装吸电棒的放电器,平时只要按动按纽就可以了。据了解,这些放电器的价格均在几十元左右。
还有几种简单易行的方法也值得一试,即用回形针串起来,从车上拖到地上也能放电。另外需提醒的是,有车族平时应多穿全棉的或纯羊毛的衣服,还有上车前最好在自来水龙头下冲洗一下双手,或将手指触摸一下泥地面,也可用手紧捏车钥匙金属头并在其它金属物体上碰触一下。