指南生活
首页
美食营养
手工爱好
生活家居
返回
指南生活
首页
美食营养
游戏数码
手工爱好
生活家居
健康养生
运动户外
职场理财
情感交际
母婴教育
时尚美容
知识问答
生活知识
搜索
优特UT-871B电动机保护测控装置说明书:[4]
2026-01-10 12:24:04
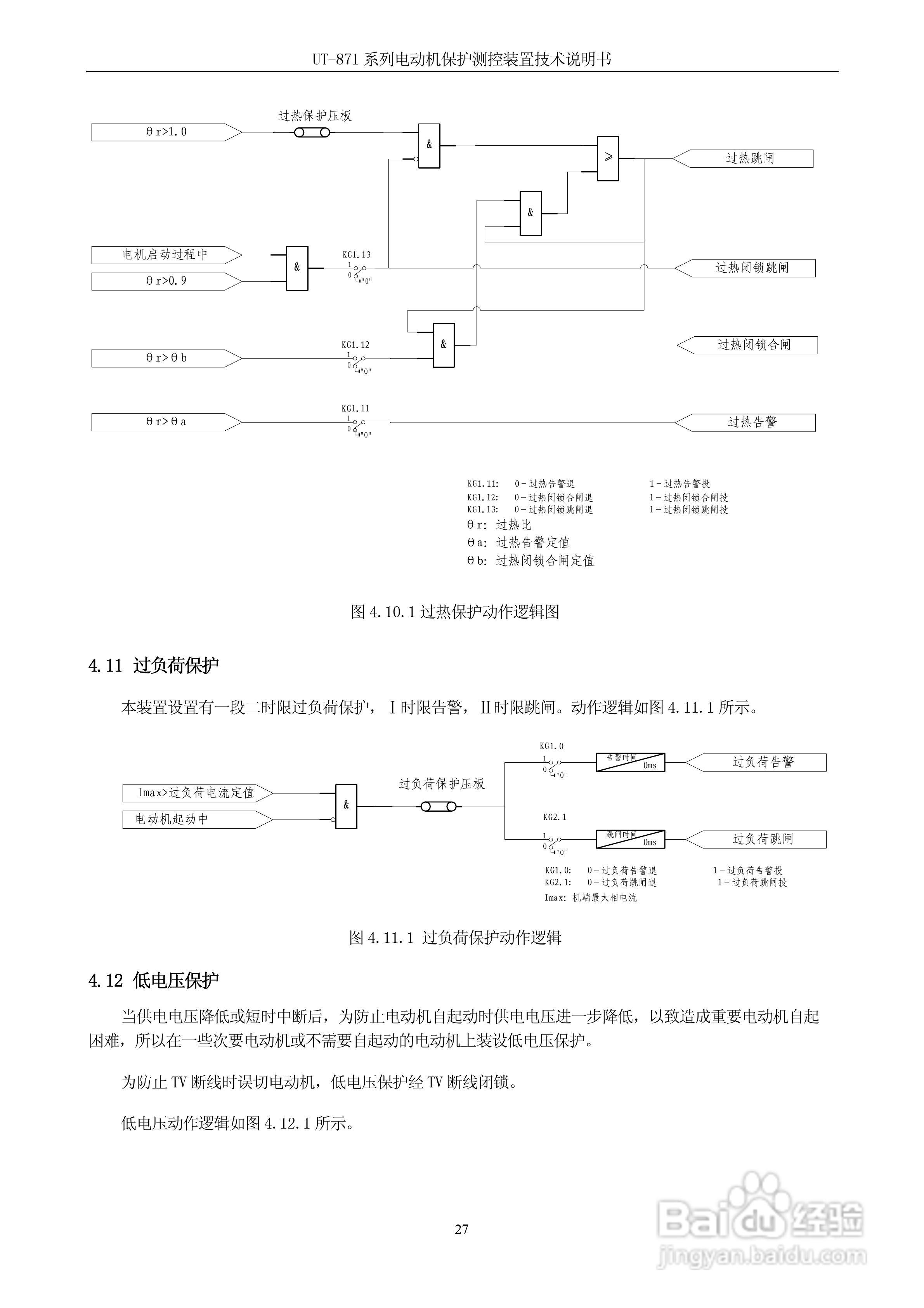
本篇为《优特UT-871B电动机保护测控装置说明书》,主要介绍该产品的使用方法以及常见故障解决方案。
(共篇)
上一篇:
|
下一篇:
声明:
本网站引用、摘录或转载内容仅供网站访问者交流或参考,不代表本站立场,如存在版权或非法内容,请联系站长删除,联系邮箱:site.kefu@qq.com。
相关推荐
电动机三相电流不平衡的原因及表现
阅读量:150
优特UT-871B电动机保护测控装置说明书:[3]
阅读量:158
优特UT-871B电动机保护测控装置说明书:[5]
阅读量:159
珠海优特电力UT-9911B线路保护测控装置使用说明书:[1]
阅读量:137
珠海优特电力UT-9911B线路保护测控装置使用说明书:[2]
阅读量:85
猜你喜欢
cto是什么职位
一串串什么
帝旺是什么意思
仙人跳是什么
鼠标dpi是什么意思
kj是什么意思
霉菌性阴炎的症状用什么药效果好
今晚开什么生肖
ink是什么意思
左旋肉碱是什么
猜你喜欢
繁荣昌盛的意思是什么意思
什么汤养胃
lol是什么
字符是什么意思
马歇尔计划比喻什么
sugar是什么意思
什么鸡没有翅膀
australia是什么意思中文
见光死是什么意思
mouse是什么意思