指南生活
首页
美食营养
手工爱好
生活家居
返回
指南生活
首页
美食营养
游戏数码
手工爱好
生活家居
健康养生
运动户外
职场理财
情感交际
母婴教育
时尚美容
知识问答
生活知识
生活百科
搜索
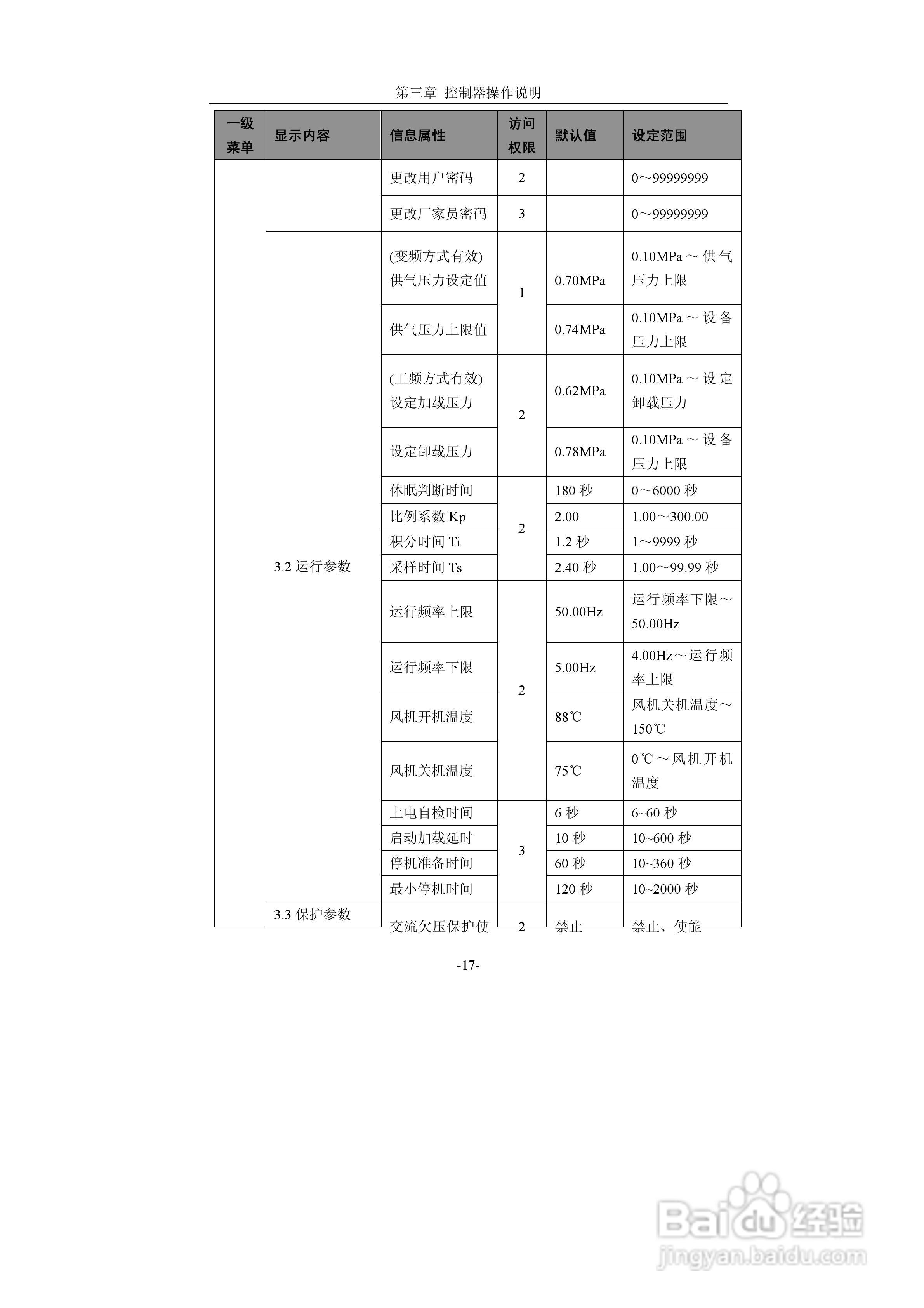
汇川ACC-F型空压机控制器说明书:[3]
2026-05-10 12:13:39
本篇为《汇川ACC-F型空压机控制器说明书》,主要介绍该产品的使用方法以及常见故障解决方案。
(共篇)
上一篇:
声明:
本网站引用、摘录或转载内容仅供网站访问者交流或参考,不代表本站立场,如存在版权或非法内容,请联系站长删除,联系邮箱:site.kefu@qq.com。
相关推荐
如何用废旧塑料瓶自制创意绿植瓶?
阅读量:191
杨树怎样插枝容易成活
阅读量:153
绿化苗木香樟树移栽方法
阅读量:167
龙泉窑瓷器拍卖价格
阅读量:71
白醋甘油美白的正确方法
阅读量:141
猜你喜欢
东风悦达起亚怎么样
微山湖旅游攻略
一起出发吧在哪里看
行间距在哪里设置
志邦橱柜质量怎么样
河南旅游团
天府之国是哪里
怀化旅游景点大全
昆明旅游攻略景点大全
西安著名旅游景点
猜你喜欢
宜春在哪里
qq主题怎么换
学美容怎么样
个人医疗保险怎么交
电脑双系统怎么安装
马尔代夫旅游报价
下眼袋大怎么办
衢州旅游景点大全
怎么看自己是否怀孕
张大仙在哪里直播