指南生活
首页
美食营养
手工爱好
生活家居
返回
指南生活
首页
美食营养
游戏数码
手工爱好
生活家居
健康养生
运动户外
职场理财
情感交际
母婴教育
时尚美容
知识问答
生活知识
搜索
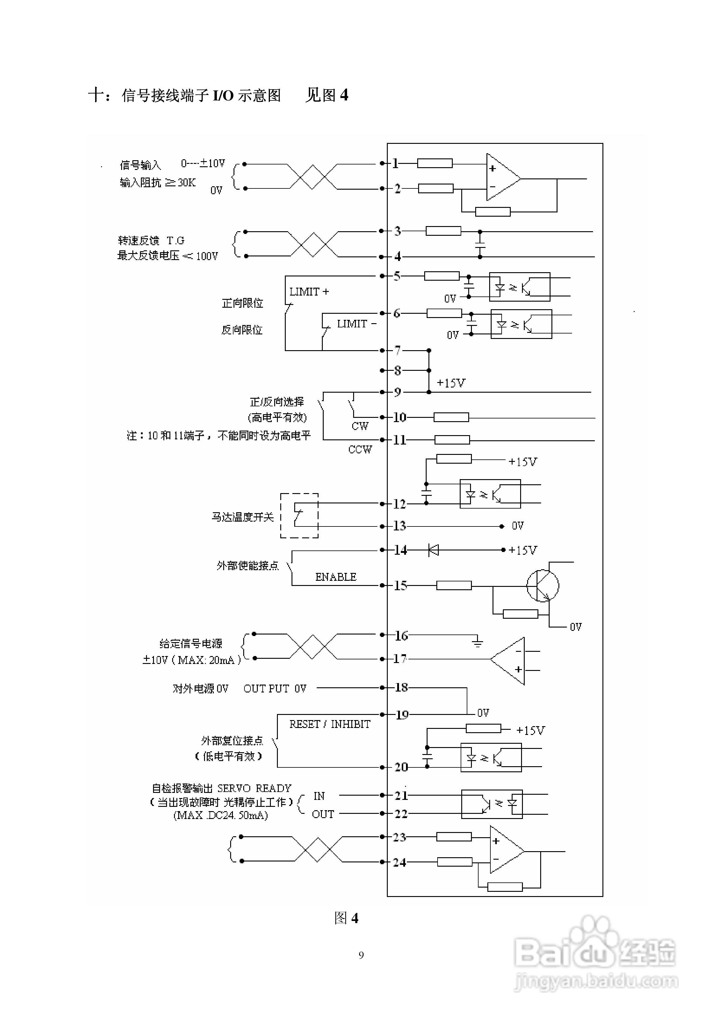
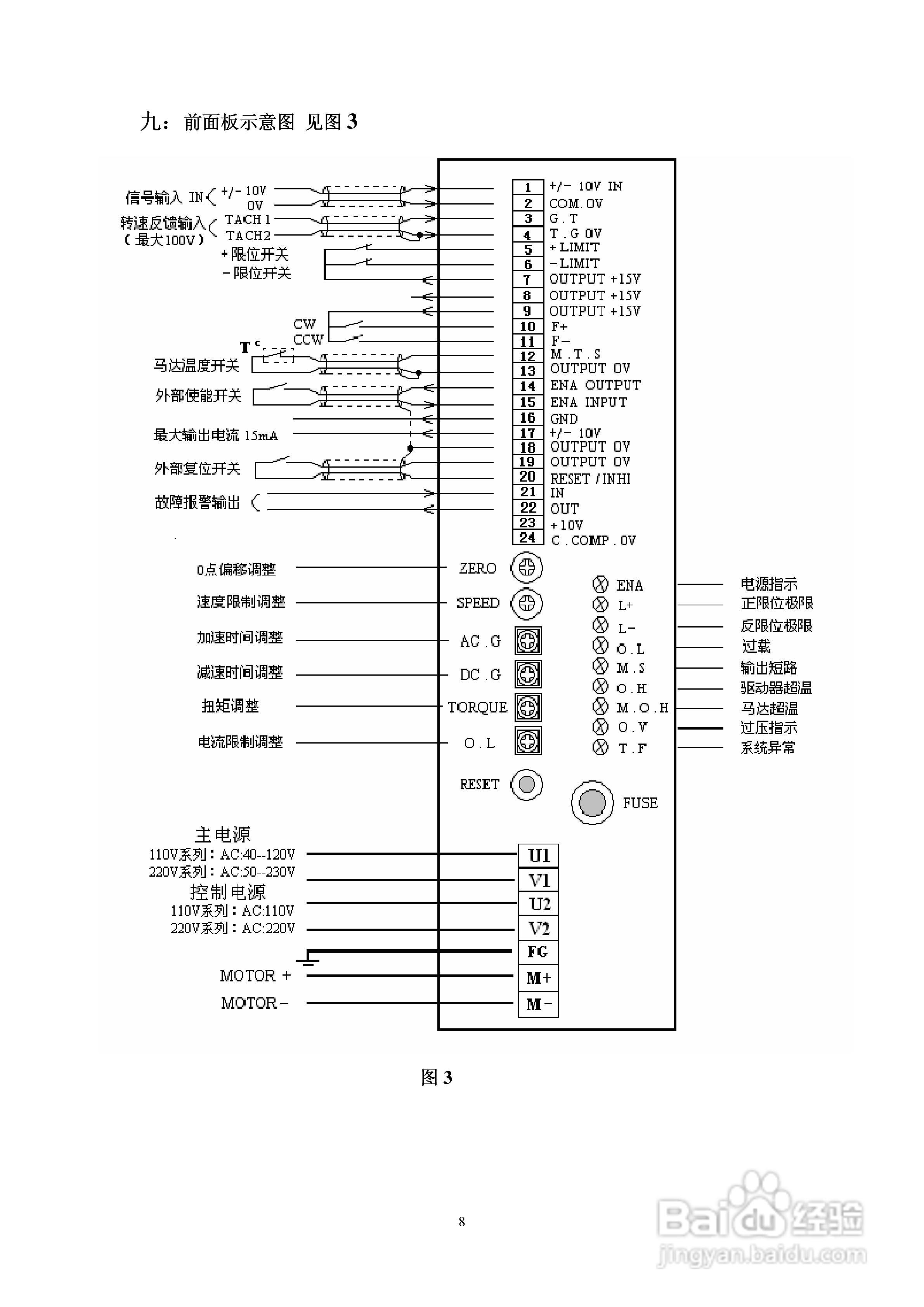
直流伺服驱动器使用手册:[1]
2025-12-30 12:16:25
本篇为《直流伺服驱动器使用手册》,主要介绍该产品的使用方法以及常见故障解决方案。
(共篇)
下一篇:
声明:
本网站引用、摘录或转载内容仅供网站访问者交流或参考,不代表本站立场,如存在版权或非法内容,请联系站长删除,联系邮箱:site.kefu@qq.com。
相关推荐
js怎么清空数组
阅读量:173
如何对visual studio试用版本进行升级
阅读量:73
如何在虚拟机上安装CentOS系统~~
阅读量:90
SegmentFault 程序员招聘使用指南
阅读量:120
SQL Server如何设置查询存储
阅读量:74
猜你喜欢
小米和红米有什么区别
合欢花的功效与作用
pure什么意思
工装裤配什么鞋
西瓜子的功效与作用
卵子是什么样的
幼儿园安全知识教育
西洋参的作用与功效与作用
什么是同工同酬
知识产权公司
猜你喜欢
老君山在什么地方
硫酸铜的作用
什么是乐府诗
霉菌性阴炎的症状用什么药
花茶的功效与作用
怎样炒股入门知识
豌豆的功效与作用
分户口需要什么手续
艾草的作用
牛黄清胃丸的功效与作用