指南生活
首页
美食营养
手工爱好
生活家居
返回
指南生活
首页
美食营养
游戏数码
手工爱好
生活家居
健康养生
运动户外
职场理财
情感交际
母婴教育
时尚美容
知识问答
生活知识
搜索
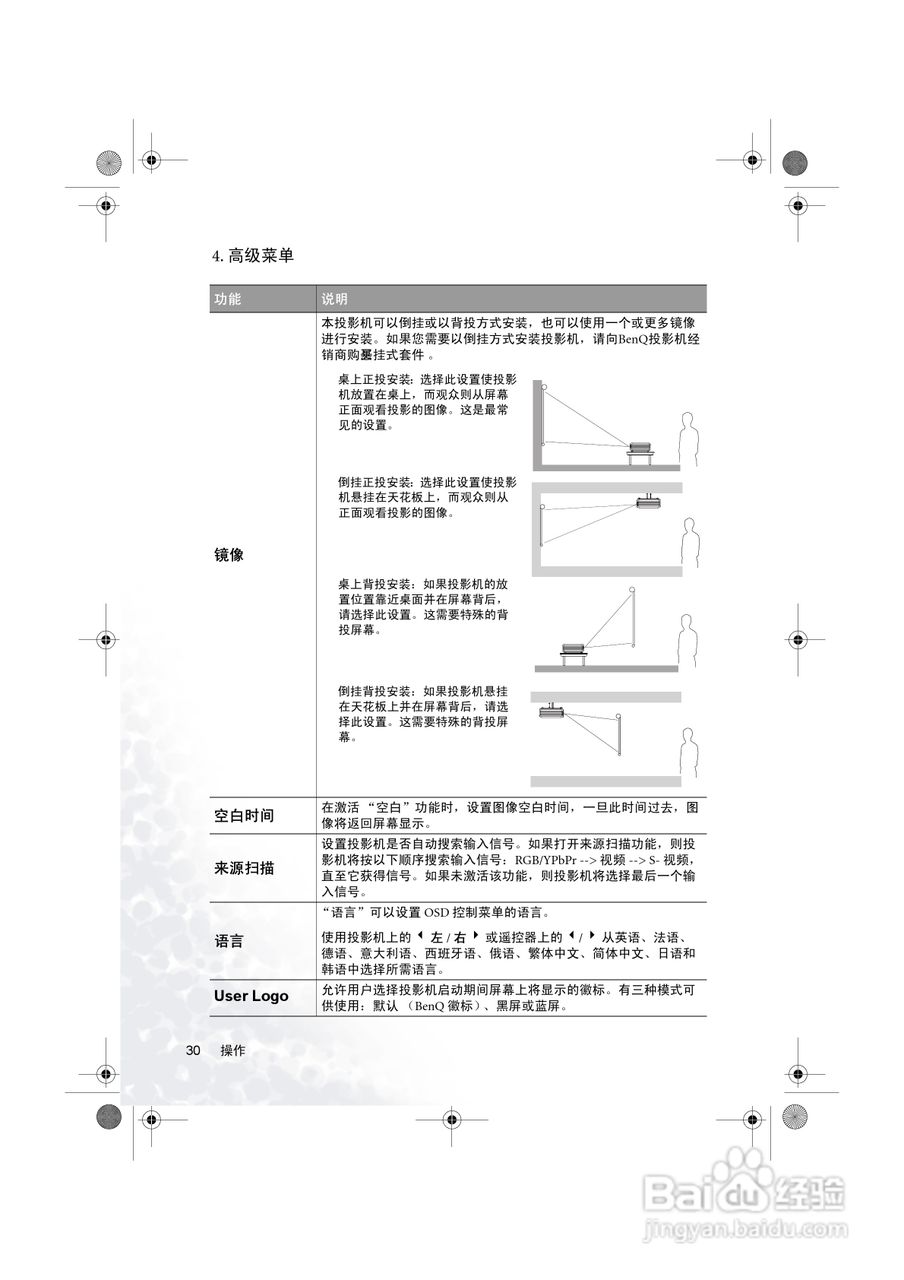
明基PB6115投影机使用说明书:[4]
2025-12-31 10:29:00
本篇为《明基PB6115投影机使用说明书》,主要介绍该产品的使用方法以及常见故障解决方案。
(共篇)
上一篇:
|
下一篇:
声明:
本网站引用、摘录或转载内容仅供网站访问者交流或参考,不代表本站立场,如存在版权或非法内容,请联系站长删除,联系邮箱:site.kefu@qq.com。
相关推荐
明基PB6115投影机使用说明书:[1]
阅读量:190
明基PB7225投影机使用说明书:[4]
阅读量:33
明基PB7205投影机使用说明书:[4]
阅读量:62
使用说明书wf2651使用指南
阅读量:148
使用说明书封面怎么做
阅读量:118
猜你喜欢
怎么转换pdf格式
宁夏沙坡头旅游攻略
朋友圈旅游心情短语
常州旅游
厦门旅游多少钱
笔记本怎么调节屏幕亮度
沈阳药科大学怎么样
林肯mkz怎么样
上班无聊怎么办
鸡蛋灌饼的酱怎么做
猜你喜欢
剖腹产后多久可以同房
固本堂阿胶糕怎么样
如果岁月可以回头
呀诺达雨林文化旅游区
乐视超级电视怎么样
孕妇可以吃麻辣烫
江西旅游景点
韩国大叔怎么说
淄博旅游
眼睛畏光是怎么回事