指南生活
首页
美食营养
手工爱好
生活家居
返回
指南生活
首页
美食营养
游戏数码
手工爱好
生活家居
健康养生
运动户外
职场理财
情感交际
母婴教育
时尚美容
知识问答
生活知识
生活百科
搜索
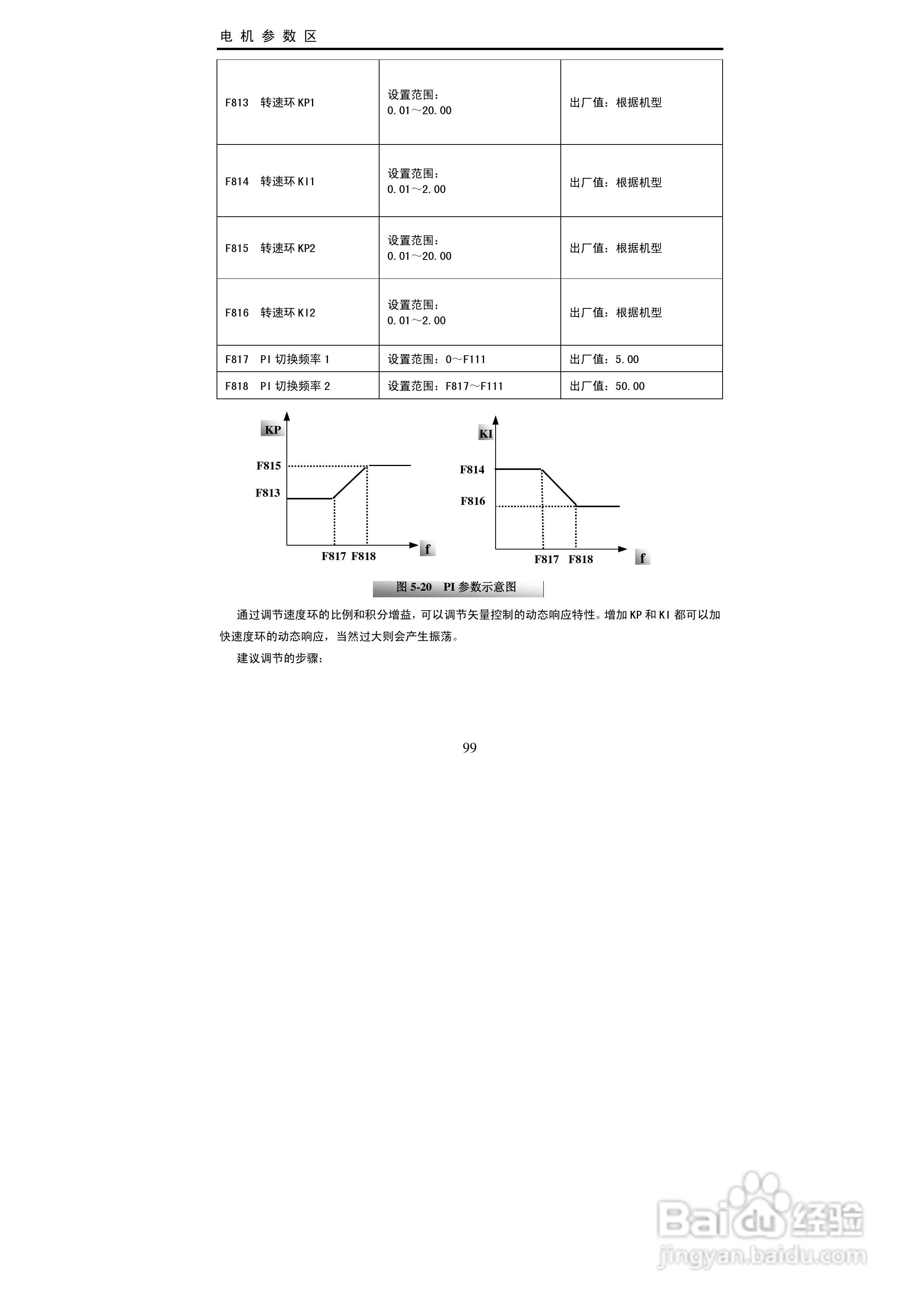
欧瑞传动EC2000-0150T3变频器使用说明书:[10]
2026-03-31 19:43:03
本篇为《欧瑞传动EC2000-0150T3变频器使用说明书》,主要介绍该产品的使用方法以及常见故障解决方案。
(共篇)
上一篇:
|
下一篇:
声明:
本网站引用、摘录或转载内容仅供网站访问者交流或参考,不代表本站立场,如存在版权或非法内容,请联系站长删除,联系邮箱:site.kefu@qq.com。
相关推荐
苹果升级iOS10后耗电快怎么办?
阅读量:167
农机出了问题怎么办?
阅读量:192
宝骏630新车有味道怎么办
阅读量:102
广州天河区格拉苏蒂售后保养服务中心路线引导
阅读量:67
教你以钱生钱
阅读量:95
猜你喜欢
our是什么意思
for是什么意思
pants是什么意思
嗑药是什么意思
sounds是什么意思
定语是什么
dn是什么意思
得瑟是什么意思
perhaps是什么意思
一衣带水的水指什么河
猜你喜欢
rec是什么意思
什么工作有前途
紫色代表什么
poi是什么意思
o型血和ab型血生的孩子是什么血型
1988年属什么生肖
ct是什么
animal是什么意思
bl是什么意思
磨毛是什么面料