指南生活
首页
美食营养
手工爱好
生活家居
返回
指南生活
首页
美食营养
游戏数码
手工爱好
生活家居
健康养生
运动户外
职场理财
情感交际
母婴教育
时尚美容
知识问答
生活知识
生活百科
搜索
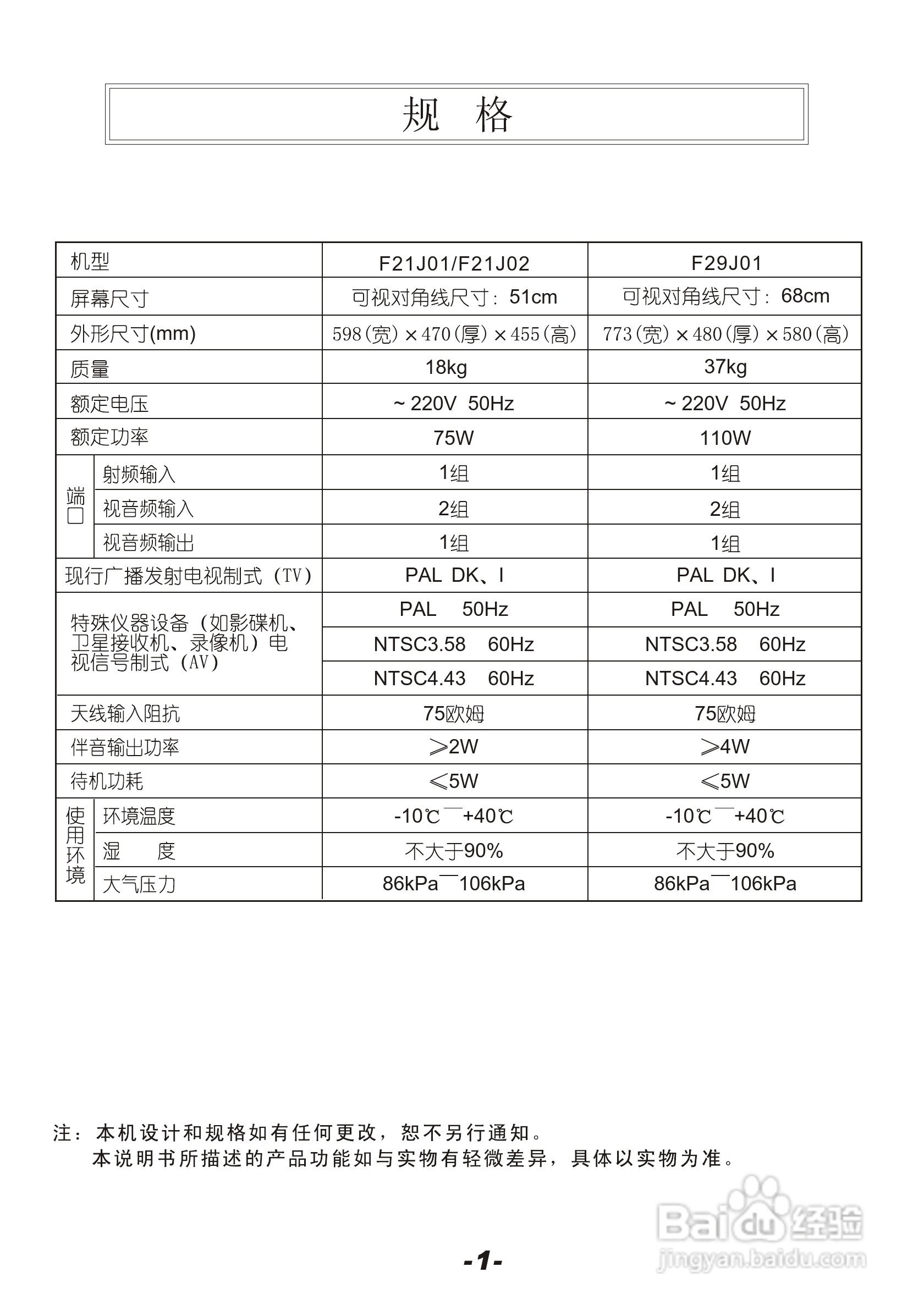
熊猫电子F21J01彩色电视机说明书:[1]
2026-04-21 07:53:24
(共篇)
下一篇:
声明:
本网站引用、摘录或转载内容仅供网站访问者交流或参考,不代表本站立场,如存在版权或非法内容,请联系站长删除,联系邮箱:site.kefu@qq.com。
相关推荐
刚摘的粽叶怎么处理才可以用
阅读量:133
上海怎么预约扫墓
阅读量:32
初入股市开户和入门基本知识简介
阅读量:29
如何赢得百度经验回想福利社 666 奖金?
阅读量:107
神仙道如何参加封神之战 天榜冠军奖励是什么
阅读量:136
猜你喜欢
肿胀的意思
attack是什么意思
去日本买什么东西好
逆天是什么意思
什么叫年线
感光度是什么意思
除权是什么意思
精益求精是什么意思
订婚祝福语
primary是什么意思
猜你喜欢
日食是什么意思
垂头丧气意思
扣字是什么意思
不足为训的意思
target是什么意思
大飞机是什么意思
揶揄是什么意思
车全险包括什么
端详的意思是什么
什么发型显气质