指南生活
首页
美食营养
手工爱好
生活家居
返回
指南生活
首页
美食营养
游戏数码
手工爱好
生活家居
健康养生
运动户外
职场理财
情感交际
母婴教育
时尚美容
搜索
ST500系列智能电动机控制器说明书:[2]
2025-10-29 15:47:04
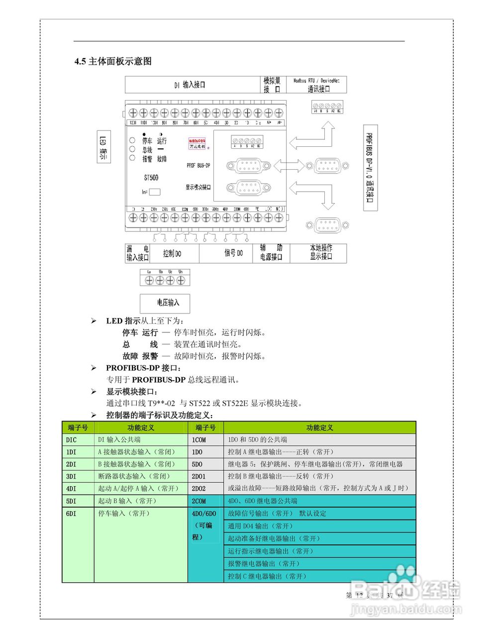
本篇为《ST500系列智能电动机控制器说明书》,主要介绍该产品的使用方法以及常见故障解决方案。
(共篇)
上一篇:
|
下一篇:
声明:
本网站引用、摘录或转载内容仅供网站访问者交流或参考,不代表本站立场,如存在版权或非法内容,请联系站长删除,联系邮箱:site.kefu@qq.com。
相关推荐
星辰变之废材崛起正式版专属装备合成攻略
阅读量:106
梅花联轴器安装拆卸步骤
阅读量:65
ThinkPHP5.1下使用 layui 指定 excel 的上传
阅读量:27
威驰保养时应该注意哪些方面?
阅读量:125
兴业银行个人汽车按揭贷款申请指南
阅读量:192
猜你喜欢
怎么看宽带是几兆的
燕子的生活习性
妇女生活
电脑不读u盘怎么办
微信翻译功能怎么用
8月是什么星座
大捷龙怎么样
如何去掉页眉横线
手机无法开机怎么刷机
dw是什么牌子
猜你喜欢
a股是什么意思
膜法传奇1853怎么样
胃下垂如何治疗
阿黛尔的生活 电影
初中生活的酸甜苦辣
通勤是什么意思
苹果5sid怎么注册
.7z怎么解压
怎么查看显卡信息
广东食品药品职业学院怎么样