指南生活
首页
美食营养
手工爱好
生活家居
返回
指南生活
首页
美食营养
游戏数码
手工爱好
生活家居
健康养生
运动户外
职场理财
情感交际
母婴教育
时尚美容
知识问答
生活知识
生活百科
搜索
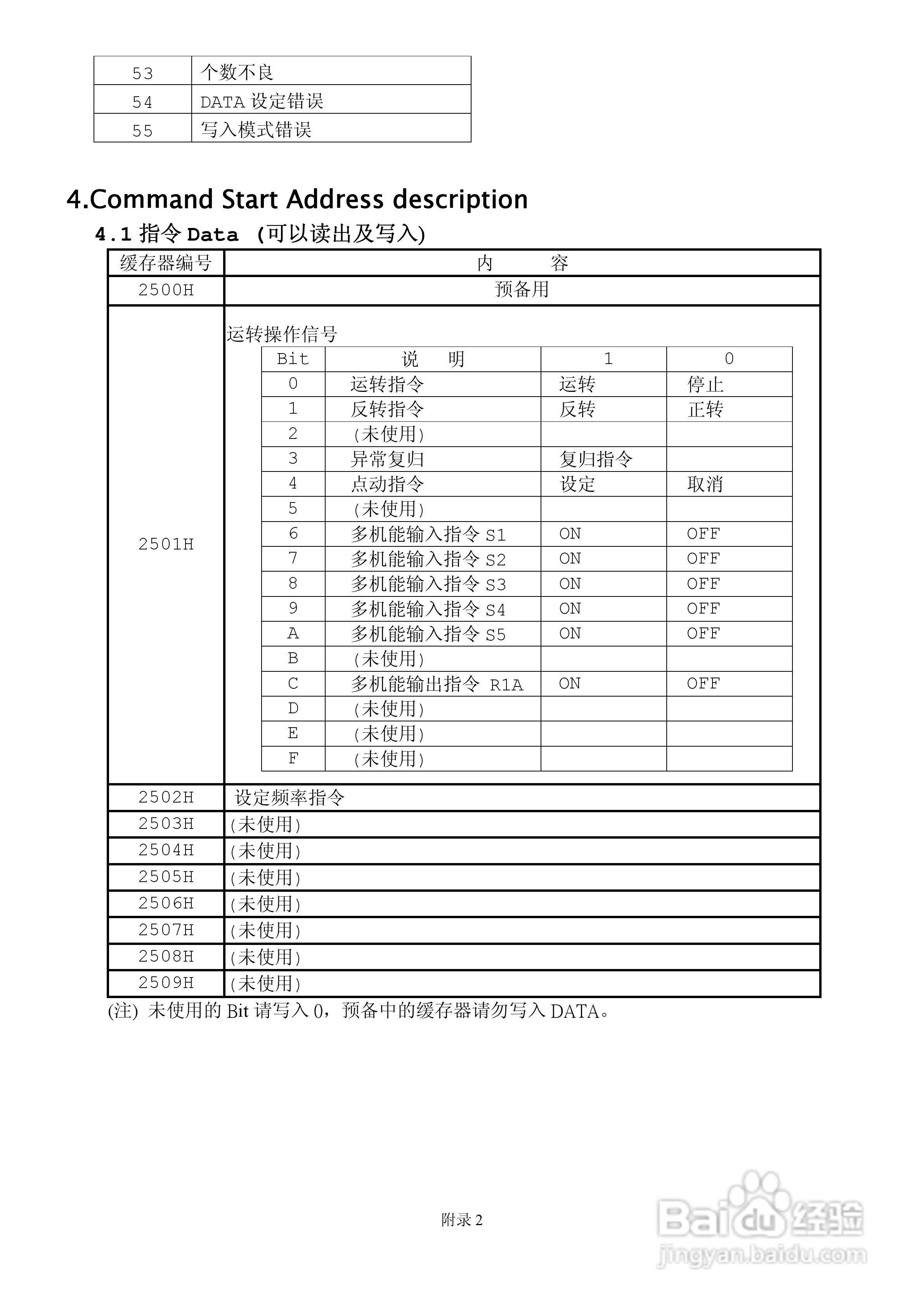
FATEK FID-S1-015-21变频器使用说明书:[7]
2026-04-16 09:21:18
本篇为《FATEK FID-S1-015-21变频器使用说明书》,主要介绍该产品的使用方法以及常见故障解决方案。
(共篇)
上一篇:
|
下一篇:
声明:
本网站引用、摘录或转载内容仅供网站访问者交流或参考,不代表本站立场,如存在版权或非法内容,请联系站长删除,联系邮箱:site.kefu@qq.com。
相关推荐
FATEK FID-S1-015-21变频器使用说明书:[1]
阅读量:106
FATEK FID-N1-550-43X变频器使用说明书:[7]
阅读量:170
FATEK FID-N1-550-43X变频器使用说明书:[11]
阅读量:164
FATEK FID-N1-550-43X变频器使用说明书:[9]
阅读量:129
使用说明书wf2651使用指南
阅读量:32
猜你喜欢
邯郸学步告诉我们什么道理
种花家是什么意思
生抽是什么
惊涛骇浪是什么意思
质数是什么
how是什么意思
武则天属什么生肖
香蕉什么时候吃最好
哟西是什么意思
温存是什么意思
猜你喜欢
信托是什么意思
公务员是什么职业
350分理科能上什么好大学
什么名字好听又有内涵
浩字五行属什么
用什么方法减肥
什么是愚人节
天丝棉是什么面料
很什么很什么的词语
仄是什么意思