指南生活
首页
美食营养
手工爱好
生活家居
返回
指南生活
首页
美食营养
游戏数码
手工爱好
生活家居
健康养生
运动户外
职场理财
情感交际
母婴教育
时尚美容
知识问答
生活知识
搜索
LNTECH ST型光电保护装置使用说明书:[2]
2026-02-21 20:24:07
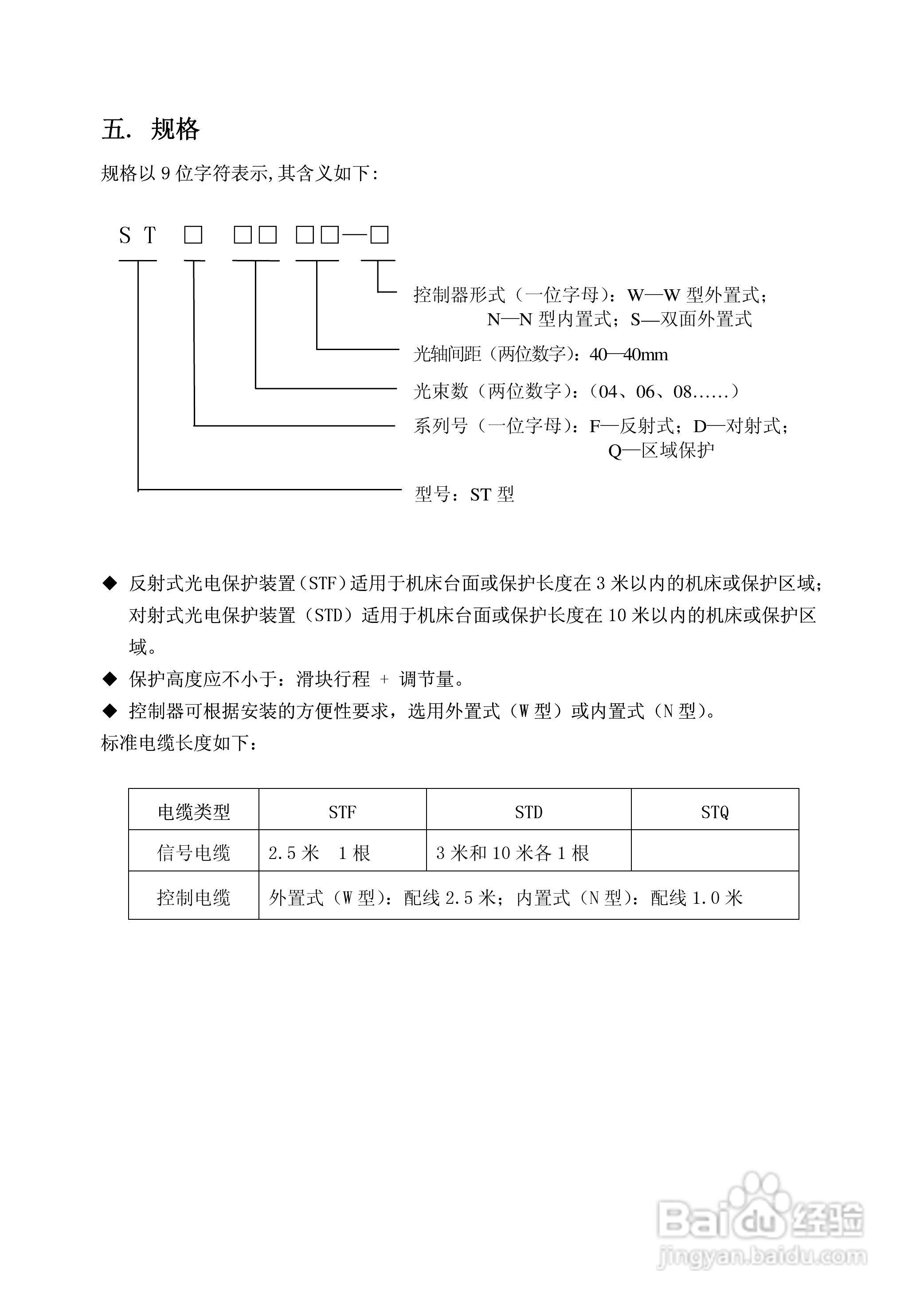
本篇为《LNTECH ST型光电保护装置使用说明书》,主要介绍该产品的使用方法以及常见故障解决方案。
(共篇)
上一篇:
|
下一篇:
声明:
本网站引用、摘录或转载内容仅供网站访问者交流或参考,不代表本站立场,如存在版权或非法内容,请联系站长删除,联系邮箱:site.kefu@qq.com。
相关推荐
PNP型光电与NPN型光电信号互转
阅读量:45
AT20型光电保护器使用说明书:[1]
阅读量:138
光电保护装置怎么调试?
阅读量:175
光电保护装置的用途
阅读量:126
兴光电保护装置应该如何来调试
阅读量:40
猜你喜欢
肚子上的脂肪怎么减
烤箱做蛋糕的做法大全
网络大全
字谜语大全及答案
羊肉煲的做法大全
居民身份证号码大全
古诗手抄报图片大全
百花图片大全大图
挖掘机型号大全
下横杠怎么打
猜你喜欢
张嘉译电视剧大全
高清壁纸大全
幼儿古诗大全300首
鸭汤的做法大全
qq三国奥义怎么获得
神仙鱼怎么养
怎么消除眼部皱纹
郁美净怎么样
影视大全韩国在线观看
萨顶顶个人资料简介