指南生活
首页
美食营养
手工爱好
生活家居
返回
指南生活
首页
美食营养
游戏数码
手工爱好
生活家居
健康养生
运动户外
职场理财
情感交际
母婴教育
时尚美容
知识问答
生活知识
搜索
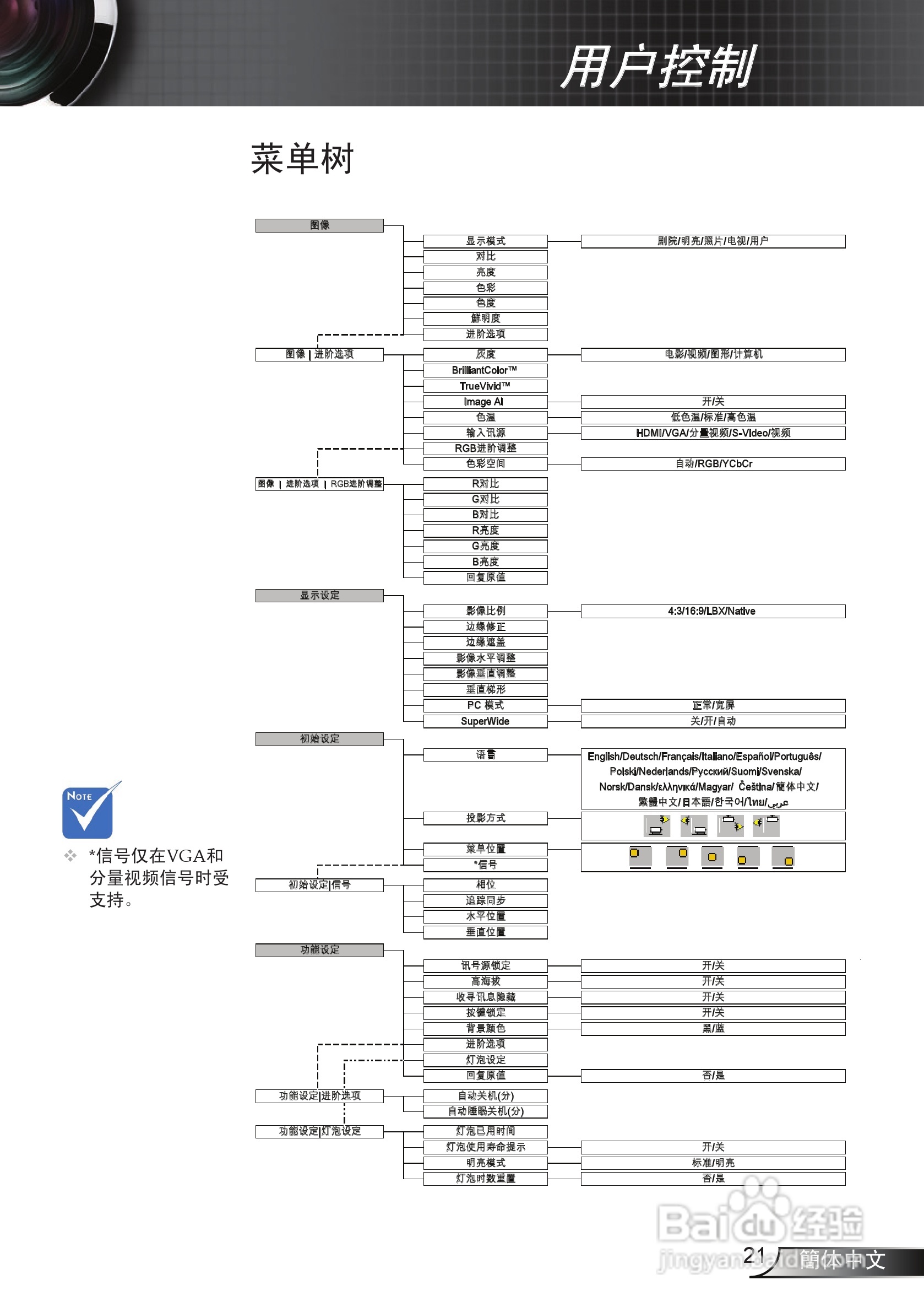
奥图码 HD70S投影机说明书:[3]
2026-01-07 03:57:32
本篇为《奥图码 HD70S投影机说明书》,主要介绍该产品的使用方法以及常见故障解决方案。
(共篇)
上一篇:
|
下一篇:
声明:
本网站引用、摘录或转载内容仅供网站访问者交流或参考,不代表本站立场,如存在版权或非法内容,请联系站长删除,联系邮箱:site.kefu@qq.com。
相关推荐
奥图码 HD70S投影机说明书:[2]
阅读量:149
奥图码 HD70S投影机说明书:[4]
阅读量:140
投影机怎样连接使用
阅读量:142
奥图码 HD70S投影机说明书:[5]
阅读量:190
奥图码 H27投影机说明书:[3]
阅读量:68
猜你喜欢
计步器怎么用
如何鉴别和田玉
失恋了很痛苦怎么办
诚信让生活更美好作文
如何做排骨汤
薛定谔的猫是什么意思
青少年如何戒除网瘾
如何修复u盘
如何切换输入法
如何改善皮肤暗黄
猜你喜欢
porsche是什么牌子的车
如何饮食减肥
怎么截屏网页
脚上起鸡眼怎么办
电力猫怎么设置
香港怎么去澳门
青春期的孩子如何教育
入不敷出是什么意思
被蜂蜇了怎么办
向往的生活片尾曲