指南生活
首页
美食营养
手工爱好
生活家居
返回
指南生活
首页
美食营养
游戏数码
手工爱好
生活家居
健康养生
运动户外
职场理财
情感交际
母婴教育
时尚美容
知识问答
生活知识
生活百科
搜索
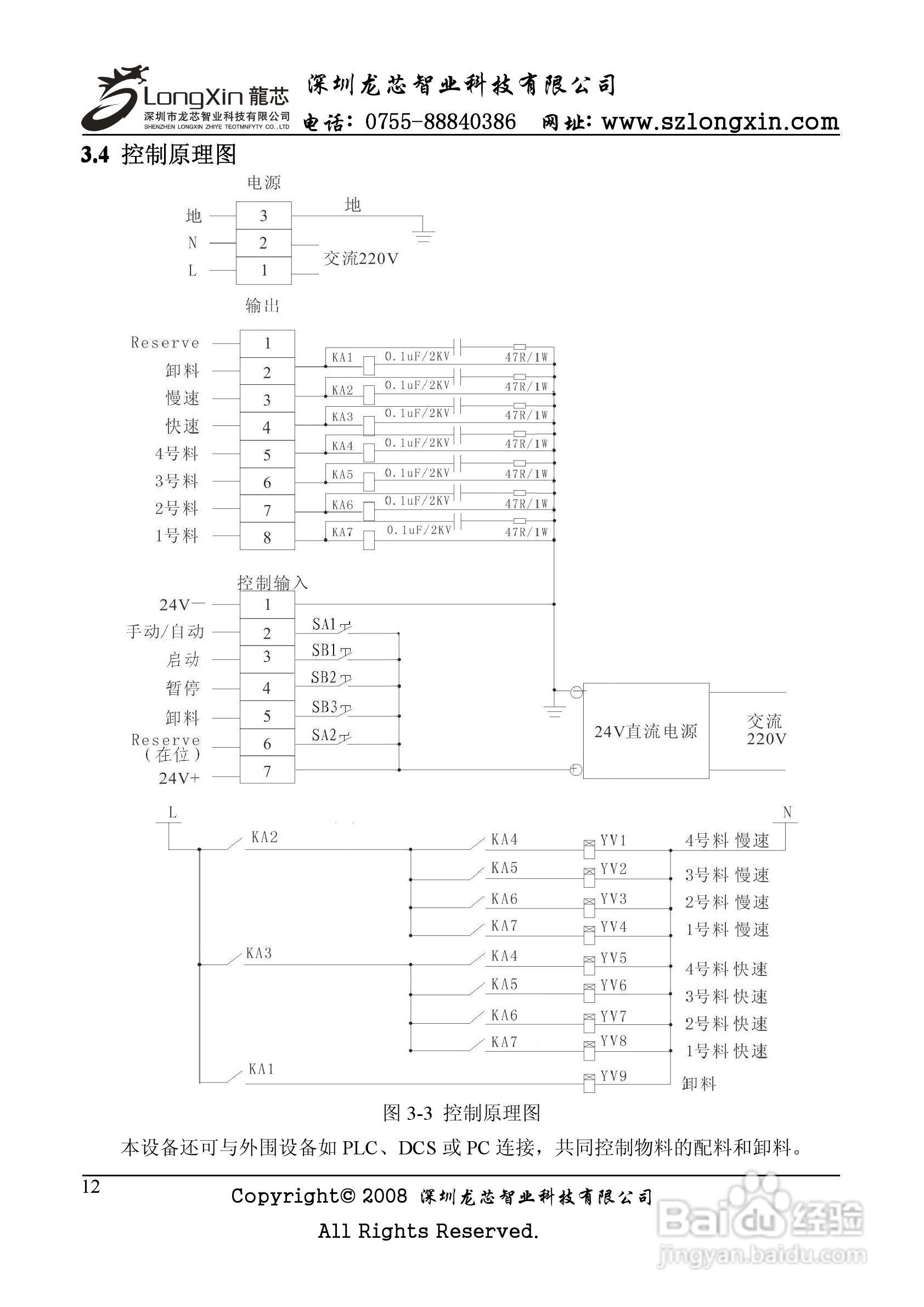
龙芯JY500A配料定量控制器说明书:[2]
2026-05-12 13:53:18
本篇为《龙芯JY500A配料定量控制器说明书》,主要介绍该产品的使用方法以及常见故障解决方案。
(共篇)
上一篇:
|
下一篇:
声明:
本网站引用、摘录或转载内容仅供网站访问者交流或参考,不代表本站立场,如存在版权或非法内容,请联系站长删除,联系邮箱:site.kefu@qq.com。
相关推荐
龙芯JY500A10配料定量控制器说明书:[2]
阅读量:102
龙芯JY500A2减量配料控制器说明书:[2]
阅读量:32
龙芯JY500A10配料定量控制器说明书:[1]
阅读量:133
龙芯JY500A2减量配料控制器说明书:[1]
阅读量:43
龙芯JY500C3定量包装控制器说明书:[2]
阅读量:121
猜你喜欢
牵牛花是什么颜色的
星罗棋布是什么意思
散粉有什么用
胡来的左手是什么歌
项目助理是做什么的
周杰伦什么时候结婚
awful什么意思
梅花象征什么
杰士邦是什么
股票净资产是什么意思
猜你喜欢
不敢恭维是什么意思
什么是社会保障卡
什么是服务意识
维生素e哪个牌子好
入党申请书用什么纸写
因人而异是什么意思
什么香水牌子最好
cny什么意思
cydia是什么
月经第三天属于什么期