SF6气体抽真空充气装置
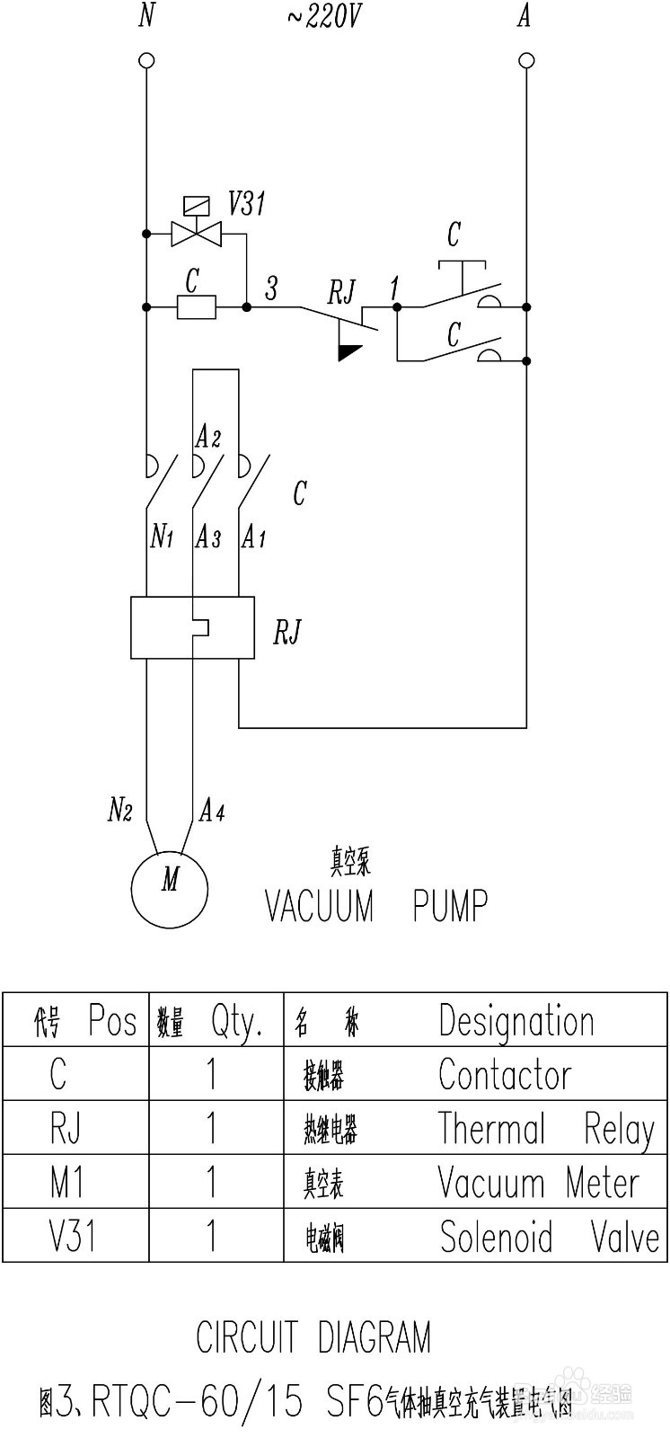
1、装置电气图

1、本装置采用单相220V电源。
2、用软管将装置接口与被抽设备(开关或管路)连接,在接口填入尼龙密封垫圈,并紧固。
3、关闭所有阀门!(在开机前必须首先关闭所有阀门)。
4、接上电源,打开按钮,即开真空泵。观察真空泵油位,油位在油标中心附近,则可投入运行,如油位过低,可停泵加油至油标中心。如过高而有显著喷油,可停泵放油至油标中心。
5、在确认需抽真空容器及管路为0表压时,可观察真空压力表M1(真空泵不能承受压力冲击,否则会发生事故),打开总阀门V0,然后根据抽气管路,打开该管路上阀门,即对该路抽真空。
6、真空测量
6.1.在抽真空操作之前,须确认管路系统及待测真空度之产品处于负压状态,否则否则易造成真空计传感器-真空规管的损坏。
6.2.打开真空规管测量阀(注意:打开、关闭此阀门时,不应用力过大),然后可观测系统真空度。
6.3.测量结束时,切记关闭真空规管测量阀及真空计电源开关。
7、关机
7.1、关闭所有球阀。
7.2、关闭按钮,关真空泵。
8.充气过程即为从气体钢瓶经软管连接至各所需充气单元。可根据不同单元选择不同球阀开启后直接充气(用户需在钢瓶后配置减压器)。
声明:本网站引用、摘录或转载内容仅供网站访问者交流或参考,不代表本站立场,如存在版权或非法内容,请联系站长删除,联系邮箱:site.kefu@qq.com。