指南生活
首页
美食营养
手工爱好
生活家居
返回
指南生活
首页
美食营养
游戏数码
手工爱好
生活家居
健康养生
运动户外
职场理财
情感交际
母婴教育
时尚美容
知识问答
生活知识
生活百科
搜索
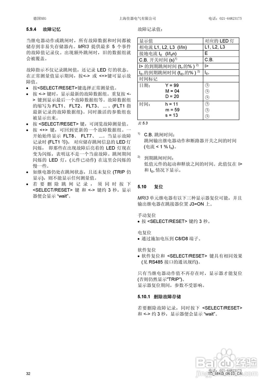
MRI3数字式多功能过流保护继电器说明书:[4]
2026-04-29 01:33:43
本篇为《MRI3数字式多功能过流保护继电器说明书》,主要介绍该产品的使用方法以及常见故障解决方案。
(共篇)
上一篇:
|
下一篇:
声明:
本网站引用、摘录或转载内容仅供网站访问者交流或参考,不代表本站立场,如存在版权或非法内容,请联系站长删除,联系邮箱:site.kefu@qq.com。
相关推荐
数显式工频耐压试验装置有过流保护功能
阅读量:175
缘基电子KPT- 6118发电机智能过压过流保护器说明书:[1]
阅读量:170
接地过流保护器有哪些必备功能及动作原理
阅读量:128
如何选择继电器
阅读量:117
什么是继电器,继电器如何使用呢?
阅读量:116
猜你喜欢
送老人什么礼物好
7万左右买什么车好
睥睨什么意思
宋小宝得了什么病
什么是mp4
2017什么年
念念有词的意思
under是什么意思
本科一批和本科二批是什么意思
三班倒是什么意思
猜你喜欢
掩耳盗铃的意思
low是什么意思
吩咐的意思
枳实的作用与功效
cloud是什么意思
give是什么意思
青涩的意思
faq什么意思
tag是什么意思啊
嗫嚅的意思