指南生活
首页
美食营养
手工爱好
生活家居
返回
指南生活
首页
美食营养
游戏数码
手工爱好
生活家居
健康养生
运动户外
职场理财
情感交际
母婴教育
时尚美容
知识问答
生活知识
生活百科
搜索
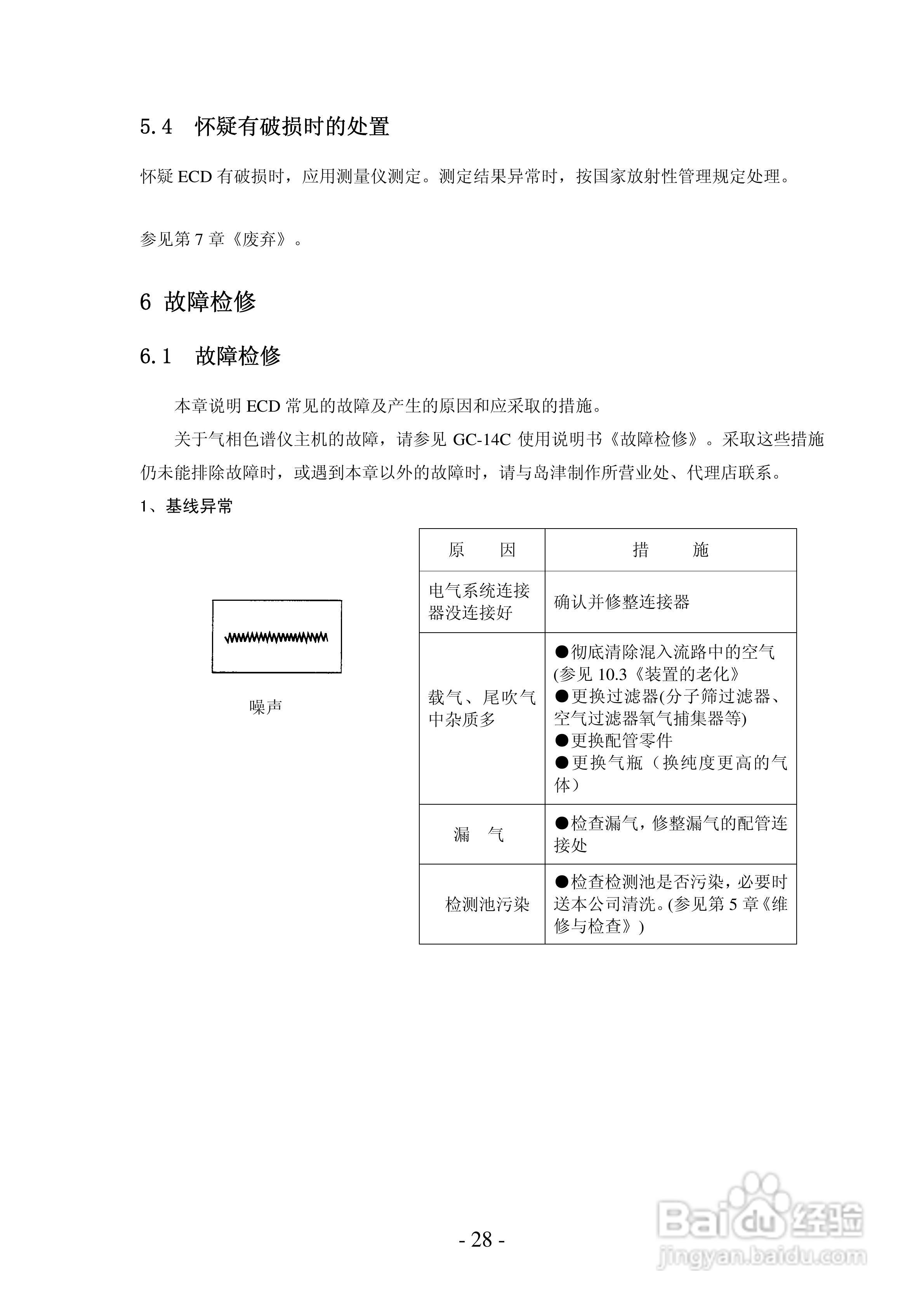
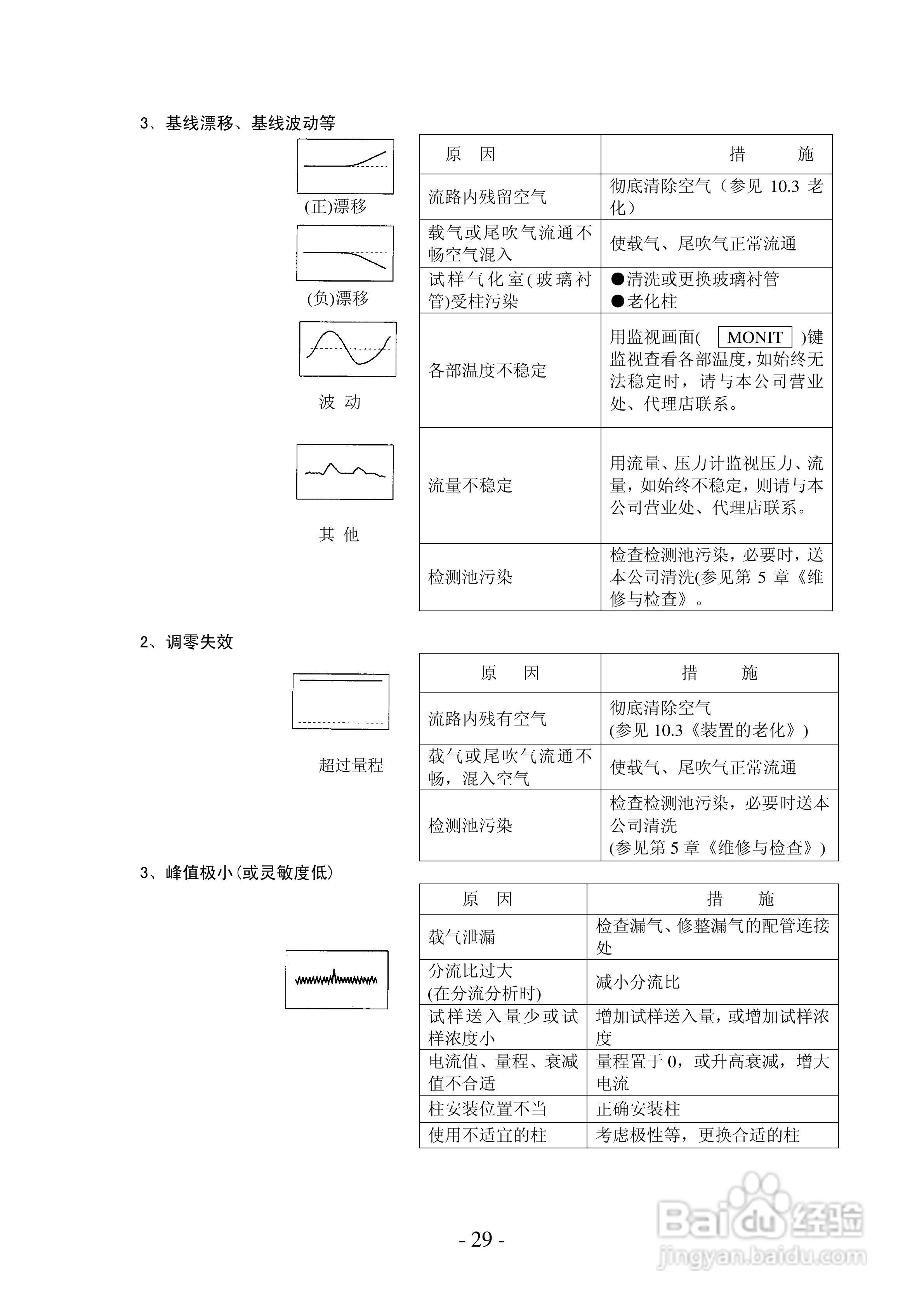
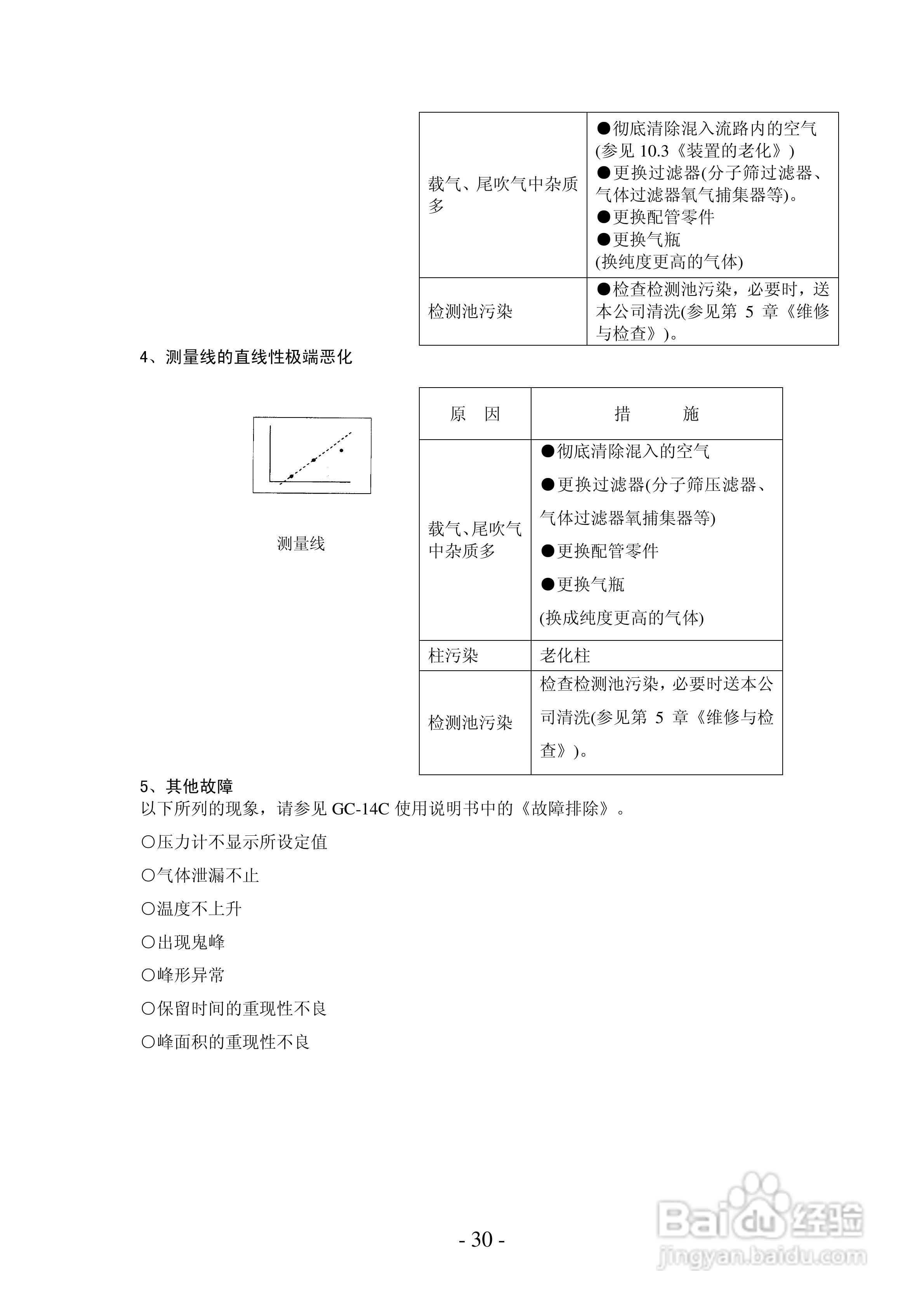
岛津GC-14C电子捕获检测器(ECD)使用说明书:[4]
2026-03-24 01:01:35
本篇为《岛津GC-14C电子捕获检测器(ECD)使用说明书》,主要介绍该产品的使用方法以及常见故障解决方案。
(共篇)
上一篇:
声明:
本网站引用、摘录或转载内容仅供网站访问者交流或参考,不代表本站立场,如存在版权或非法内容,请联系站长删除,联系邮箱:site.kefu@qq.com。
相关推荐
windows打开使用windows时获取提示技巧建议
阅读量:24
Windows各种关机方式
阅读量:50
如何彻底取消任务栏的获取Windows10图标
阅读量:107
VS如何设置程序的初始启动对象
阅读量:70
电脑如何关闭进程
阅读量:53
猜你喜欢
新华电脑学校怎么样
墨盒怎么加墨
屁多怎么回事
会议记录怎么写
怎么摇号
肚子胀是怎么回事
飞蚊症是怎么回事
爱奇艺怎么退出登录
宝宝眼屎多怎么回事
淘宝怎么评价
猜你喜欢
dm7和弦怎么按
长安汽车怎么样
失业保险怎么领
血管堵塞怎么治疗
ps怎么磨皮
读后感怎么写和示范
排卵期出血怎么办
经常失眠怎么办
浙江传媒学院怎么样
痰里有血是怎么回事